| 设计 任务书 文档 开题 答辩 说明书 格式 模板 外文 翻译 范文 资料 作品 文献 课程 实习 指导 调研 下载 网络教育 计算机 网站 网页 小程序 商城 购物 订餐 电影 安卓 Android Html Html5 SSM SSH Python 爬虫 大数据 管理系统 图书 校园网 考试 选题 网络安全 推荐系统 机械 模具 夹具 自动化 数控 车床 汽车 故障 诊断 电机 建模 机械手 去壳机 千斤顶 变速器 减速器 图纸 电气 变电站 电子 Stm32 单片机 物联网 监控 密码锁 Plc 组态 控制 智能 Matlab 土木 建筑 结构 框架 教学楼 住宅楼 造价 施工 办公楼 给水 排水 桥梁 刚构桥 水利 重力坝 水库 采矿 环境 化工 固废 工厂 视觉传达 室内设计 产品设计 电子商务 物流 盈利 案例 分析 评估 报告 营销 报销 会计 | |||||
|
|||||
|
|||||
|
|||||
目前我国人民的生活水平和生活质量显著提高,家用电器也越来越多的进入到人们的日常生活中,为人们的生活带来了诸多便利。洗碗机是自动清洗碗、筷、盘、碟、刀、叉等餐具的设备。在市面上的全自动洗碗机可以分为家用和商用两类,家用全自动洗碗机只适用于家庭,主要有柜式、台式及水槽一体式。然而,家用自动洗碗机在中国却仍有巨大市场潜力需要开发,一方面是因为在中国家用洗碗机发展起步较晚,技术开发不够成熟,不能适应中餐餐具实际生活中需要的洗涤、消毒、烘干等功能。另一方面是自动洗碗机价格昂贵,并且安全性不够高。因此本设计意在设计出一款集洗涤、烘干、消毒功能在内的使用简单、安全高效的家庭自动洗碗机。基于设计和实际使用的需要,本洗碗机在洗涤步骤、自动控制、安全保障等方面做出了创新性设计。
关键词:洗碗机;键盘/显示;PLC
At present,the living standards and quality of life of our people have improved remarkably,and more and more household appliances have entered people's daily lives,bringing convenience to people's lives. The dishwasher is a device that automatically cleans dishes,chopsticks,plates,dishes,knives,forks,and the like. The fully automatic dishwashers on the market can be divided into two types,household and commercial. The fully automatic household dishwashers are only suitable for families,mainly including cabinets,benches and sinks. However,domestic automatic dishwashers still have huge market potential in China. On the one hand,the development of domestic dishwashers in China is relatively late,and the technology development is not mature enough to meet the needs of washing and disinfection in the actual life of Chinese tableware. drying and other functions. On the other hand,automatic dishwashers are expensive and not sufficiently safe. Therefore,the design is intended to design a home automatic dishwasher that is easy to use,safe and efficient,including washing,drying and disinfecting functions. Based on the design and practical needs,the dishwasher has been innovatively designed for washing steps,automatic control,and safety.
Key words:Dishwasher;keyboard/display;PLC
目 录
摘 要 I
Abstract II
1绪论 1
1.1全自动洗碗机的发展 1
1.2全自动洗碗机概述 2
1.2.1 全自动洗碗机的分类 2
1.2.2 全自动洗碗机的基本结构 3
1.2.3 全自动洗碗机的工作原理 4
1.3研究主要内容 4
2 全自动洗碗机机械设计 6
2.1 整体方案设计 6
2.2 各重要部件设计 6
2.2.1 清洗槽 6
2.2.2 进排水系统 6
2.2.3 水位感应系统 7
2.2.4 喷臂系统 8
2.2.5 超声波发生器 8
2.2.6 超声波换能器 9
2.2.7 加热系统 10
3全自动洗碗机控制系统硬件设计 12
3.1控制系统的选择 12
3.2 PLC型号的选择 13
3.3电磁阀和电机的选择 13
3.4 传感器的选择 14
3.4.1温度传感器和液位传感器的选择 14
3.4.2接触器的选择 15
3.4.3热继电器的选择 15
3.4.4熔断器的选择 16
3.5 PLC程序I/O端口分配表 16
3.6电路设计 17
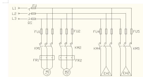
3.6.1主电路设计 17
3.6.2 PLC外部接线图 18
4全自动洗碗机控制系统软件设计 19
4.1软件流程图 19
4.2梯形图 20
4.3语句表 24
4.4仿真与调试 27
5结论 28
致 谢 29
参考文献 30








毕业66资料站 biye66.com ©2015-2026 版权所有 | 微信:15573586651 QQ:3903700237
本站毕业设计和毕业论文资料均属原创者所有,仅供学习交流之用,请勿转载并做其他非法用途.如有侵犯您的版权有损您的利益,请联系我们会立即改正或删除有关内容!