| 设计 任务书 文档 开题 答辩 说明书 格式 模板 外文 翻译 范文 资料 作品 文献 课程 实习 指导 调研 下载 网络教育 计算机 网站 网页 小程序 商城 购物 订餐 电影 安卓 Android Html Html5 SSM SSH Python 爬虫 大数据 管理系统 图书 校园网 考试 选题 网络安全 推荐系统 机械 模具 夹具 自动化 数控 车床 汽车 故障 诊断 电机 建模 机械手 去壳机 千斤顶 变速器 减速器 图纸 电气 变电站 电子 Stm32 单片机 物联网 监控 密码锁 Plc 组态 控制 智能 Matlab 土木 建筑 结构 框架 教学楼 住宅楼 造价 施工 办公楼 给水 排水 桥梁 刚构桥 水利 重力坝 水库 采矿 环境 化工 固废 工厂 视觉传达 室内设计 产品设计 电子商务 物流 盈利 案例 分析 评估 报告 营销 报销 会计 | |||||
|
|||||
|
|||||
|
|||||
目录
1 传动轴分析 - 1 -
1.1 传动轴结构特点 - 1 -
1.2 传动轴的工艺分析 - 1 -
1.3 传动轴的技术要求 - 2 -
2 毛坯的选择 - 3 -
2.1 毛坯的类型 - 3 -
2.2 毛坯余量的确定 - 3 -
2.3 毛坯草图 - 4 -
3 工艺规程设计 - 5 -
3.1 定位基准的选择 - 5 -
3.1.1 粗基准的选择 - 5 -
3.1.2 精基准的选择 - 5 -
3.2 制定加工工艺路线 - 5 -
3.2.1 加工方法分析确定 - 5 -
3.2.2 加工顺序的安排 - 6 -
3.2.3 工艺路线方案 - 7 -
3.3 机械加工工序设计 - 8 -
3.3.1 机床和工艺装备的选择 - 8 -
3.3.2 加工余量的确定 - 9 -
3.3.3 切削用量的确定 - 10 -
总结 - 29 -
参考文献 - 30 -
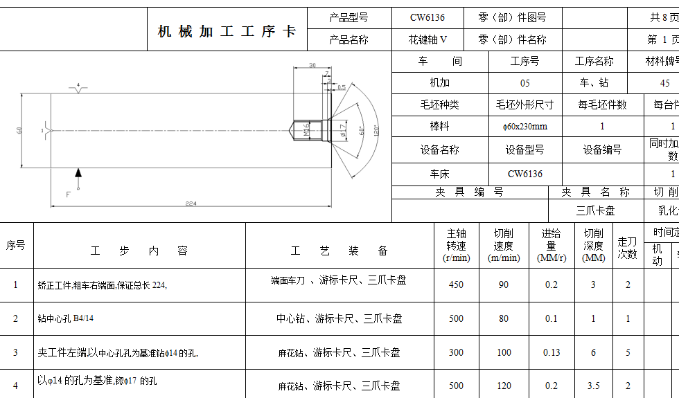
花键轴属于回转体零件,主要是用来传递运动和扭矩的,零件图见图 1-1,由圆柱面,轴肩和螺纹孔等组成,全轴总长224mm。轴肩一般用来确定安装在轴上的零件的轴向位置,内螺纹用于连接,直径φ40js6, φ55db和φ45js6外圆面表面以及螺纹孔加工精度要求较高,其值为Ra1.6,这些都属于主要加工表面,其余属于次要加工表面。
图1-1 花键轴零件图
该零件的材料为45号钢,具有良好的可锻性;从零件形状结构分析,该轴是一个阶梯轴,各阶梯轴之间的直径差较小,选择毛坯时为棒料;轴外圆表面粗糙度及螺纹孔的位置都有一定的精度要求;为了改善切削性能,还需要进行调质处理,以便于制定合理的工艺路线加工后能否满足零件在使用过程中的力学性能等技术要求。
该零件为中批生产的小零件,分析零件图可知:
(1)传动轴两端面和各阶梯轴端面均要求切削加工,φ40js6, φ55db和φ45js6外圆面表面以及螺纹孔精度要求较高,其值为Ra1.6,这些都属于主要加工表面,因此需要粗、精加工。其余属于次要加工表面,粗加工即可达到要求。
(2)加工零件时要遵循基准先行、先面后孔的原则;为了加工阶梯轴,需在加工前先加工出中心孔,用于其他表面的定位基准。使用标准化数值以便于选用标准化的刀具和量具,便于加工和提高精度等。
(3)加工螺纹时,要确定螺纹孔的位置和尺寸深度,确保螺纹孔的尺寸精度要求。
零件工艺分析的目的:确定最简单可行的加工方式,安排最合理的加工步骤,高质高效的将工件加工出来。





毕业66资料站 biye66.com ©2015-2026 版权所有 | 微信:15573586651 QQ:3903700237
本站毕业设计和毕业论文资料均属原创者所有,仅供学习交流之用,请勿转载并做其他非法用途.如有侵犯您的版权有损您的利益,请联系我们会立即改正或删除有关内容!