| 设计 任务书 文档 开题 答辩 说明书 格式 模板 外文 翻译 范文 资料 作品 文献 课程 实习 指导 调研 下载 网络教育 计算机 网站 网页 小程序 商城 购物 订餐 电影 安卓 Android Html Html5 SSM SSH Python 爬虫 大数据 管理系统 图书 校园网 考试 选题 网络安全 推荐系统 机械 模具 夹具 自动化 数控 车床 汽车 故障 诊断 电机 建模 机械手 去壳机 千斤顶 变速器 减速器 图纸 电气 变电站 电子 Stm32 单片机 物联网 监控 密码锁 Plc 组态 控制 智能 Matlab 土木 建筑 结构 框架 教学楼 住宅楼 造价 施工 办公楼 给水 排水 桥梁 刚构桥 水利 重力坝 水库 采矿 环境 化工 固废 工厂 视觉传达 室内设计 产品设计 电子商务 物流 盈利 案例 分析 评估 报告 营销 报销 会计 | |||||
|
|||||
|
|||||
|
|||||
附件5:湖南电子科技职业学院
2017届毕业生毕业设计任务书
学生姓名
XXX
学号
XXXXX
所在分院
机械与电子信息工程
所学专业
XXXXX
所在班级
XXX
XXXXX@qq.com
联系电话
XXXXXX
毕业设计题目
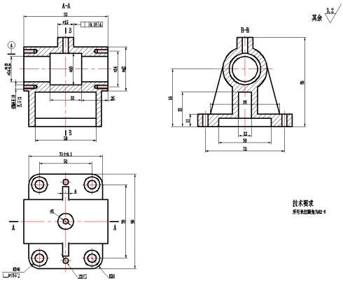
支撑座零件图的绘制
毕业设计类型
图样绘制
指导教师姓名
职称
工作单位及所从事专业
联系方式
中级
湖南电子科技职院机电分院 机电教研室 教师
一、毕业设计基础目标
本课题是在计算机辅助设计的背景下利用AutoCAD软件绘制工程图样,主要是培养学生的绘图技巧、识图、绘图能力,掌握图样样板文件制作;掌握图样布局、图样表达方法、尺寸标注、公差标注、粗糙度标注、技术要求书写等符合国家标准的图样绘制。
二、基本任务
1、设计题目:支撑座零件图的绘制(见附件:支撑座)
2、毕业设计基本任务:
1)根据零件图及任务书拟定方案;
2)图样分析并按新国家标准规范完善图样;
3)图样样板文件制作;
4)图样的绘制;
5)撰写毕业设计说明书;
6)完成毕业设计成果报告书。
要求在规定时间内完成毕业设计。毕业设计说明书不少于5000字以上,设计说明书应阐述整个设计内容,要突出重点和特色,图文并茂,文字通畅,内容完整,且必须是电子文档,内容,排版格式等应严格按照《附件1:湖南电子科技职业学院毕业设计规范》编写、打印、装订所有相关资料并按上传要求上传至世界大学城空间。
三、工作内容及时间安排
第1周:明确设计内容,查阅相关资料,拟定方案。
第2周:完成图形样板文件制作。
第3周-第4周:完成零件图绘制
第5周-第6:周完成毕业设计说明书的编写及成果报告书。
第7周:按照学院规范进行所有设计资料的修改、完善,并完成格式转换和上传;
第8周:毕业设计答辩。
四、成果表现形式
支撑座零件图图纸1张
五、答辩需要提供的材料
学生参加毕业设计答辩应向答辩委员会提交以下材料:
1、毕业设计说明书(含附件2:毕业设计真实性承诺及指导教师声明);
2、附件3:毕业设计课题申报审核表;
3、附件5:毕业设计任务书;
4、附件6:毕业设计方案;
5、附件7:毕业设计指导教师评阅表;
6、附件9:毕业设计指导教师指导记录;
7、附件10:毕业设计成果报告书;
8、毕业设计答辩PPT。
六、主要参考文献
1、金大鹰,机械制图(机械类专业)第4版,机械工业出版社,2015.01;
2、朱辉,单鸿波,曹桄,画法几何及工程制图第7版,上海科学技术出版社,2013.02
3、计算机辅助设计AutoCAD2012中文版基础教程,西安交通大学出版社,2015.07
4、廖希亮,张敏,计算机绘图,清华大学出版社,2011,3
5、耿国强,AutoCAD 2010中文版从入门与提高,化工工业出版社,2010.01
6、戎马工作室,AutoCAD 2007中文版辅助设计自学导航,机械工业出版社,2007.07
7、徐茂功,公差配合与技术测量(第2版),机械工业出版社,2014.06
8、熊永康,公差配合与技术测量,华中科技大学出版社,2013.02
9、黄云清,公差配合与测量技术(第2版),机械工业出版社,2012.01
10、李学京,机械制图和技术制图国家标准学用指南,中国标准出版社,2013.06
教研室审批意见
同 意
专业教研室主任签名:
(盖章)
分院意见
同 意
负责人签名:
(盖章)
任务书下达时间:2017年10月19日
注:本表由指导教师填写或打印,一式二份,其中1份发给学生(附在毕业设计前),1份交专业教研室。
附件:支撑座

毕业66资料站 biye66.com ©2015-2026 版权所有 | 微信:15573586651 QQ:3903700237
本站毕业设计和毕业论文资料均属原创者所有,仅供学习交流之用,请勿转载并做其他非法用途.如有侵犯您的版权有损您的利益,请联系我们会立即改正或删除有关内容!