| 设计 任务书 文档 开题 答辩 说明书 格式 模板 外文 翻译 范文 资料 作品 文献 课程 实习 指导 调研 下载 网络教育 计算机 网站 网页 小程序 商城 购物 订餐 电影 安卓 Android Html Html5 SSM SSH Python 爬虫 大数据 管理系统 图书 校园网 考试 选题 网络安全 推荐系统 机械 模具 夹具 自动化 数控 车床 汽车 故障 诊断 电机 建模 机械手 去壳机 千斤顶 变速器 减速器 图纸 电气 变电站 电子 Stm32 单片机 物联网 监控 密码锁 Plc 组态 控制 智能 Matlab 土木 建筑 结构 框架 教学楼 住宅楼 造价 施工 办公楼 给水 排水 桥梁 刚构桥 水利 重力坝 水库 采矿 环境 化工 固废 工厂 视觉传达 室内设计 产品设计 电子商务 物流 盈利 案例 分析 评估 报告 营销 报销 会计 | |||||
|
|||||
|
|||||
|
|||||
目 录
中文摘要及关键词
英文摘要及关键词
第1章 绪论
1.1 课题背景及研究意义
1.2 蔬菜大棚温度控制系统完成的功能
1.3 选题的目的和意义
第2章 系统的整体设计方案
2.1系统的设计任务
2.2 控制系统核心部件的选择
2.3控制方案
2.4系统工作原理
第3章 硬件系统的研究与设计
3.1 PLC的选型
3.1.1 I/O地址分配
3.1.2 接线图
3.2 传感器的选型
3.2.1温度传感器
3.2.3 空气湿度传感器
3.3 电磁阀的选型
3.4低压控制器件选型
3.5主回路及控制回路的设计
3.5.1 系统主电路设计
3.5.2 控制回路设计
3.6 就地控制箱设计
第4章 系统流程设计
4.1系统流程图
4.1.1 主程序流程图
4.1.2 温度子程序
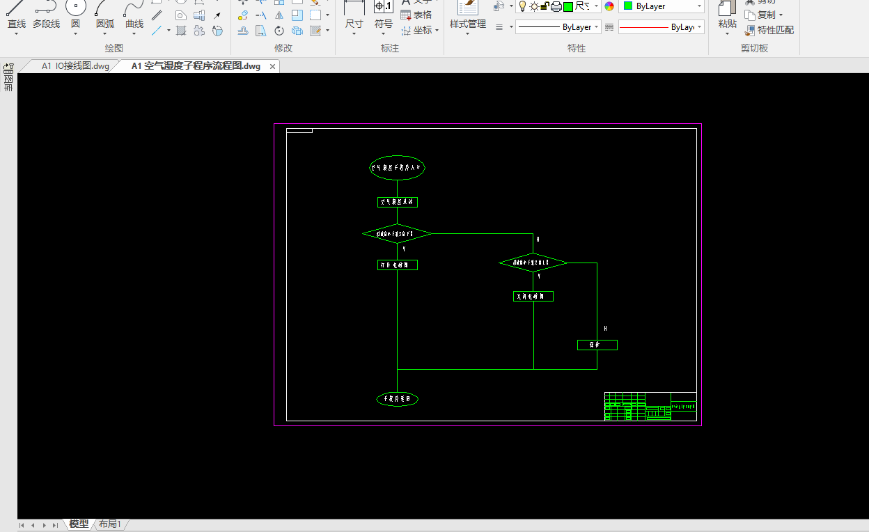
4.1.3 湿度子程序
4.1.4 故障报警子程序
4.2程序梯形图
结 论
致 谢
参考文献
附录一:程序梯形图
摘 要:我国北方冬季寒冷而漫长,大力推广蔬菜大棚种植蔬菜能够更好地满足人民日益提高的生活需要。
蔬菜大棚内通过调节温度可以有效地控制二氧化碳的浓度,二氧化碳是对植物生长起着重要的作用。因此,对棚内温度的控制是非常重要的。本文介绍的分布式单总线蔬菜大棚温度监测预警系统,采用全数字化设计,直接监测每个棚内不同部分的温度,通过对温度的良好控制,有效地提高蔬菜的产量。本温度设计采用现在流行的PLC控制,配以数字温度传感器,该温度传感器可自行设置温度上下限。单片机将检测到的温度信号与输入的温度上、下限进行比较,由此作出判断是否启动继电器以开启设备。
本设计还加入了常用的数码管显示及状态灯显示灯常用电路,使得整个设计更加完整,更加灵活。
关键词:蔬菜大棚;PLC;温湿度控制
Abstract: Long and cold winter in North China to promote vegetable greenhouses to grow vegetables to better meet the growing needs of people.
By adjusting the temperature inside the greenhouse vegetables can effectively control the concentration of carbon dioxide, carbon dioxide is plant growth plays an important role. Therefore, the greenhouse temperature control is very important. Introduced greenhouse vegetables distributed single bus temperature monitoring and early warning systems, the use of digital design, directly in its own monitoring of each part of the temperature, through good control of temperature, effectively increasing vegetable production. This design uses the current PLC control of temperature, with a digital temperature sensor, the temperature sensor can be set on the temperature lower limit. Microcontroller detects temperature signal is compared with the input temperature of the upper and lower limits, which make a judgment whether to start the relay to turn on the device.
This design also includes commonly used digital tube display and status LED indicator light circuit, making the whole design is more complete, more flexible.
Keywords: vegetable greenhouse PLC; temperature and humidity control














毕业66资料站 biye66.com ©2015-2026 版权所有 | 微信:15573586651 QQ:3903700237
本站毕业设计和毕业论文资料均属原创者所有,仅供学习交流之用,请勿转载并做其他非法用途.如有侵犯您的版权有损您的利益,请联系我们会立即改正或删除有关内容!