| 设计 任务书 文档 开题 答辩 说明书 格式 模板 外文 翻译 范文 资料 作品 文献 课程 实习 指导 调研 下载 网络教育 计算机 网站 网页 小程序 商城 购物 订餐 电影 安卓 Android Html Html5 SSM SSH Python 爬虫 大数据 管理系统 图书 校园网 考试 选题 网络安全 推荐系统 机械 模具 夹具 自动化 数控 车床 汽车 故障 诊断 电机 建模 机械手 去壳机 千斤顶 变速器 减速器 图纸 电气 变电站 电子 Stm32 单片机 物联网 监控 密码锁 Plc 组态 控制 智能 Matlab 土木 建筑 结构 框架 教学楼 住宅楼 造价 施工 办公楼 给水 排水 桥梁 刚构桥 水利 重力坝 水库 采矿 环境 化工 固废 工厂 视觉传达 室内设计 产品设计 电子商务 物流 盈利 案例 分析 评估 报告 营销 报销 会计 | |||||
|
|||||
|
|||||
|
|||||
摘 要
目前,大多数校园照明系统仍然使用人工控制,大学的电能消耗中,照明用电占了绝大部分,工作时间长,且常采用手动控制方法,造成了浪费,其缺点是控制复杂、修理困难、容易发生误动作。针对这种情况,本设计使用西门子S7-200 PLC代替传统的人工控制校园照明系统。采用了PLC智能控制,系统稳定可靠,完全满足学校的照明要求,校园照明系统主要有道路控制输出信号、景观灯输出信号、公共绿地输出信号,根据PLC控制原理对其进行I/0分配和绘制照明系统流程图及编写校园照明智能控制系统梯形图控制程序。最后经过模拟仿真运行,能够实现当设备发生故障或出现某些不正常运行情况时,由自动控制变换人工控制,在排除故障后再次实现自动控制满足照明智能控制系统的要求。通过测算,每年节约电能达25%以上,灯具的使用寿命也有所提高,系统稳定可靠,完全满足了学校的照明要求,达到了预想的结果。
关键词: 照明系统;西门子S7-200;输出信号;智能控制;节能
Abstract
At present, most campus lighting systems still use manual control, University of electric energy consumption, lighting electricity accounted for the vast majority, long working time, and often uses the method of manual control, resulting in a waste, the disadvantage is the control of complex, difficult, error prone repair action. In view of this situation, the artificial control of campus lighting system uses the design of Siemens S7-200PLC instead of the traditional. The PLC intelligent control, the system is stable and reliable, fully meet the requirements of the school campus lighting, lighting system main road control output signal, the output signal of the public green space landscape lamp, the output signal, according to the I/0 distribution and rendering lighting system flow chart and the preparation of intelligent lighting control system of campus ladder diagram of control program for the PLC control theory. Finally through the simulation operation, can be achieved when the equipment failure or some abnormal operating conditions, by automatic control transform manual control, automatic control meet again intelligent lighting control system requirements in troubleshooting. Through the calculation, annual savings of electricity can reach above 25%, the service life of the lamp is increased, the system is stable and reliable, fully meet the school lighting requirements, to achieve the desired result
Keywords: Lighting system Siemens the output signal of the S7-200 intelligent control Energy saving
目 录
第一章 概 述
1.1 选题背景和意义
1.2 PLC的特点及其发展趋势
1.3 PLC在国内外的发展状况
1.4 本照明系统的特点
第二章 智能照明控制系统总体方案论证
2.1 智能照明控制系统设计的主要内容及基本要求
2.1.1 主要内容
2.1.2 基本要求
2.2 智能照明控制系统设计的具体要求
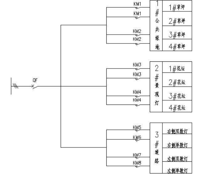
2.3 智能照明控制系统的结构和组成
2.4 智能照明控制系统设计的基本步骤
第三章 智能照明控制系统的硬件设计
3.1线路结构的设计
3.1.1 控制线路设计
3.1.2 控制器的选型
3.2 PLC的设计
3.2.1 PLC在控制系统中的要求
3.2.2 PLC选型
3.2.3 S7-200系列PLC
3.2.4 I/O地址分配
第四章 智能照明控制系统的软件设计
4.1 程序流程
4.2 STEP7-Micro/WIN V4.0编程软件
4.2.1 STEP7-Micro/WIN V4.0编程软件主界面及基本组成
4.2.2 梯形图的编写
4.2.3 时钟设置及读写
4.3 系统的控制程序
4.3.1 分时控制方案
4.3.2 分时智能控制程序编制
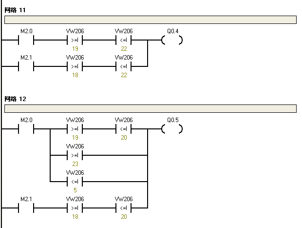
4.3.3 三时段控制程序
4.3.4 季节自动选择程序
4.4 编写梯形图程序
第五章 控制程序的调试
5.1 程序调试
总 结
参 考 文 献
Understanding the Basics of S7-200 Network Communications
Selecting the Communication Interface for Your Network
理解S7--200网络通讯的基本概念
致 谢
附录1:基于PLC的校园智能照明系统程序清单
















毕业66资料站 biye66.com ©2015-2026 版权所有 | 微信:15573586651 QQ:3903700237
本站毕业设计和毕业论文资料均属原创者所有,仅供学习交流之用,请勿转载并做其他非法用途.如有侵犯您的版权有损您的利益,请联系我们会立即改正或删除有关内容!