| 设计 任务书 文档 开题 答辩 说明书 格式 模板 外文 翻译 范文 资料 作品 文献 课程 实习 指导 调研 下载 网络教育 计算机 网站 网页 小程序 商城 购物 订餐 电影 安卓 Android Html Html5 SSM SSH Python 爬虫 大数据 管理系统 图书 校园网 考试 选题 网络安全 推荐系统 机械 模具 夹具 自动化 数控 车床 汽车 故障 诊断 电机 建模 机械手 去壳机 千斤顶 变速器 减速器 图纸 电气 变电站 电子 Stm32 单片机 物联网 监控 密码锁 Plc 组态 控制 智能 Matlab 土木 建筑 结构 框架 教学楼 住宅楼 造价 施工 办公楼 给水 排水 桥梁 刚构桥 水利 重力坝 水库 采矿 环境 化工 固废 工厂 视觉传达 室内设计 产品设计 电子商务 物流 盈利 案例 分析 评估 报告 营销 报销 会计 | |||||
|
|||||
|
|||||
|
|||||
摘 要
本文提出了一种基于人工智能与区块链技术的果蔬分拣与仓储监控系统。该系统结合了深度学习、计算机视觉等人工智能技术,以及区块链的不可篡改性和去中心化特性,旨在提高果蔬分拣的准确率,优化仓储管理,并确保食品安全可追溯。首先,通过部署在仓储环境中的智能传感器和摄像头,系统实时收集果蔬的成熟度、大小、颜色等关键信息,并利用人工智能算法进行自动分拣。同时,仓储条件如温度、湿度等也被实时监控和调整,以保证果蔬的最佳储存状态。其次,该系统采用区块链技术来构建一个透明、可信的果蔬供应链。所有分拣和仓储数据都被加密并存储在区块链上,确保信息的真实性和不可篡改性。此外,通过智能合约,系统实现了自动化的仓储管理和食品溯源,大大提高了效率和透明度。最后,本文对所提出的系统进行了实验验证和性能分析,结果表明该系统在果蔬分拣准确率、仓储效率以及食品安全追溯方面均表现出显著优势。本文的研究成果对于推动人工智能与区块链技术在农产品供应链领域的应用具有重要的理论和实践价值。
关键词:人工智能;区块链;果蔬分拣;仓储监控;
ABSTRACT
This paper proposes a fruit and vegetable sorting and storage monitoring system based on artificial intelligence and blockchain technology. This system combines artificial intelligence technologies such as deep learning and computer vision with the tamper-proof and decentralized nature of blockchain, aiming to improve the accuracy of fruit and vegetable sorting, optimize storage management, and ensure food safety traceability. Firstly, through intelligent sensors and cameras deployed in the storage environment, the system collects critical information such as the ripeness, size, and color of fruits and vegetables in real time and utilizes artificial intelligence algorithms for automatic sorting. Meanwhile, storage conditions such as temperature and humidity are also monitored and adjusted in real time to ensure the optimal storage state of fruits and vegetables. Secondly, the system employs blockchain technology to construct a transparent and trustworthy fruit and vegetable supply chain. All sorting and storage data are encrypted and stored on the blockchain, ensuring the authenticity and tamper-proof nature of the information. Furthermore, through smart contracts, the system achieves automated storage management and food traceability, greatly improving efficiency and transparency. Finally, this paper conducts experimental validation and performance analysis of the proposed system, demonstrating its significant advantages in fruit and vegetable sorting accuracy, storage efficiency, and food safety traceability. The research findings of this paper have important theoretical and practical value for promoting the application of artificial intelligence and blockchain technology in the field of agricultural product supply chains.
KEYWORDS: artificial intelligence; blockchain; fruit and vegetable sorting; storage monitoring;
目录
1 绪论
1.1 研究背景与意义
1.1.1 研究背景
1.1.2 研究意义
1.2 国内外研究现状
1.2.1 国外研究现状
1.2.2 国内研究现状
1.2.3 研究现状综述
1.3 研究内容和研究思路
1.4 本章小结
2 系统关键技术
2.1 感知层关键技术
2.1.1 树莓派
2.1.2 湿度传感器
2.1.3 机器视觉
2.2 网络层关键技术
2.2.1 WIFI/5G通信
2.2.2 MQTT通信
2.2.3 边缘计算
2.3 应用层关键技术
2.3.1 Android技术
2.3.2 数据库技术
2.3.3 云技术
2.4 本章小结
3 系统分析与设计
3.1 需求分析
3.1.1 系统功能需求分析
3.1.2 系统非功能需求分析
3.2 系统总体结构
3.2.1 系统总体模块架构设计
3.2.2 系统业务流程设计
3.2.3 系统用户操作设计
3.3 系统详细设计
3.3.1 感知与执行子系统设计
3.3.2 通信子系统设计
3.3.3 应用子系统设计
3.4 本章小结
4 系统实现
4.1 感知与执行子系统的实现
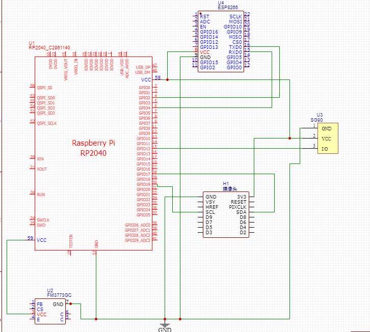
4.1.1 硬件实现
4.1.2 软件实现
4.2 通信子系统的实现
4.2.1 树莓派与阿里云之间的连接
4.2.2 树莓派与百度智能云之间的连接
4.3 应用子系统实现
4.3.1 数据库模块实现
4.3.2 用户交互模块实现
4.4 本章小结
5 系统测试
5.1 测试环境与测试方法
5.2 系统测试用例分析
5.3 系统功能测试
5.3.1 图像采集功能测试
5.3.2 植物识别和调整阈值功能测试
5.3.3 自动灌溉预警功能测试
5.3.4 安卓端可视化功能测试
5.4 本章小结
6 结论
参考文献
致谢















毕业66资料站 biye66.com ©2015-2026 版权所有 | 微信:15573586651 QQ:3903700237
本站毕业设计和毕业论文资料均属原创者所有,仅供学习交流之用,请勿转载并做其他非法用途.如有侵犯您的版权有损您的利益,请联系我们会立即改正或删除有关内容!