| 设计 任务书 文档 开题 答辩 说明书 格式 模板 外文 翻译 范文 资料 作品 文献 课程 实习 指导 调研 下载 网络教育 计算机 网站 网页 小程序 商城 购物 订餐 电影 安卓 Android Html Html5 SSM SSH Python 爬虫 大数据 管理系统 图书 校园网 考试 选题 网络安全 推荐系统 机械 模具 夹具 自动化 数控 车床 汽车 故障 诊断 电机 建模 机械手 去壳机 千斤顶 变速器 减速器 图纸 电气 变电站 电子 Stm32 单片机 物联网 监控 密码锁 Plc 组态 控制 智能 Matlab 土木 建筑 结构 框架 教学楼 住宅楼 造价 施工 办公楼 给水 排水 桥梁 刚构桥 水利 重力坝 水库 采矿 环境 化工 固废 工厂 视觉传达 室内设计 产品设计 电子商务 物流 盈利 案例 分析 评估 报告 营销 报销 会计 | |||||
|
|||||
|
|||||
|
|||||
基于PLC的智能卫生间控制系统设计
摘 要
本选题主要来源于对现代智能家居控制技术的研究和发展趋势的深入了解。随着科技的进步和人们生活水平的提高,智能家居控制系统逐渐成为现代家庭的新宠,其中智能卫生间控制系统作为智能家居的重要组成部分,具有广阔的市场前景和应用价值。基于PLC(可编程逻辑控制器)的智能卫生间控制系统设计,旨在通过先进的控制技术和自动化设备,提高卫生间的使用便捷性、舒适性和节能性,为用户带来更好的生活体验。
随着智能建筑和智能家居的快速发展,智能卫生间作为智能家居的重要组成部分,其控制系统的设计与实现显得尤为重要。本文提出了一种基于西门子PLC(可编程逻辑控制器)的智能卫生间控制系统设计方案。通过对卫生间内各个设备的集成与智能化控制,实现了对卫生间的节水、节能、自动化和人性化控制。论文首先分析了智能卫生间控制系统的需求,然后详细阐述了基于西门子PLC的控制系统硬件和软件设计,包括PLC的选型、外围电路设计、梯形图编写以及CAD软件绘制的相关原理图。最后,通过实验验证了控制系统的可行性和有效性。
关键词: PLC;智能卫生间;控制系统;西门子;梯形图;CAD
The design of the PLC control system in the bathroom
ABSTRACT
This topic mainly comes from the in-depth understanding of the research and development trend of modern intelligent home control technology. With the progress of science and technology and the improvement of people's living standards, the intelligent home control system has gradually become the new favorite of modern families, among which the intelligent toilet control system, as an important part of the intelligent home, has a broad market prospect and application value. The design of intelligent toilet control system based on PLC (programmable logic controller) aims to improve the convenience, comfort and energy saving of toilet through advanced control technology and automation equipment, so as to bring better life experience for users.
With the rapid development of intelligent building and smart home, intelligent toilet as an important part of the smart home, the design and implementation of its control system is particularly important. This paper presents a smart toilet control system design scheme based on Siemens PLC (programmable logic controller). Through the integration and intelligent control of each equipment in the toilet, the water saving, energy saving, automation and humanized control of the toilet are realized. The paper first analyzes the requirements of intelligent toilet control system, and then expounds the hardware and software design of control system based on Siemens PLC, including the schematic of PLC selection, peripheral circuit design, trapezoidal id writing and CAD software drawing. Finally, the feasibility and effectiveness of the control system are verified by experiments.
Key words: PLC; smart toilet; control system; Siemens; trapezoidal diagram; CAD
目 录
基于PLC的智能卫生间控制系统设计
摘 要
ABSTRACT
1 绪论
1.1 选题背景及意义
1.1.1 选题背景
1.1.2 选题意义
1.2 国内外研究现状及发展趋势
1.2.1 国内研究现状
1.2.2 国外研究现状
1.2.3 发展趋势
1.3研究主要内容
2 智能卫生间控制系统功能简介
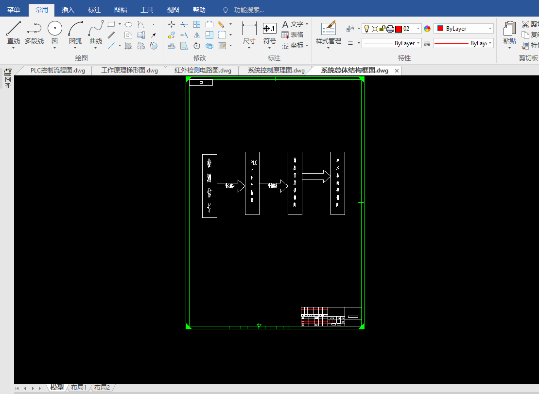
2.1智能卫生间总体设计
2.2设计原理
3 PLC控制系统简介
3.1 PLC的定义
3.2 PLC的控制原理
3.3 PLC的分类
3.4 PLC的用途
4 系统硬件的设计
4.1 红外线检测模块
4.2 PLC计时计数器
4.3 电磁阀
5 系统工作原理
5.1 探测信号
5.2 信号传输过程
5.4 水箱注水控制
6 系统软件设计方案
6.1 软件组成
6.2 系统控制流程图
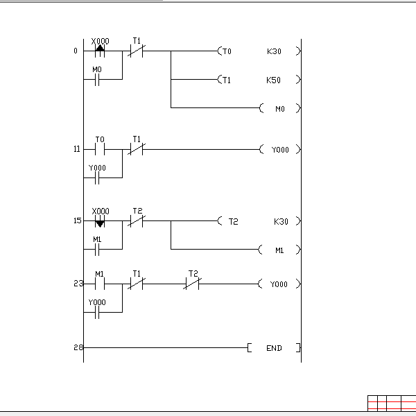
6.3 设计PLC控制梯形图程序
结 论
致 谢
参考文献















毕业66资料站 biye66.com ©2015-2026 版权所有 | 微信:15573586651 QQ:3903700237
本站毕业设计和毕业论文资料均属原创者所有,仅供学习交流之用,请勿转载并做其他非法用途.如有侵犯您的版权有损您的利益,请联系我们会立即改正或删除有关内容!