| 设计 任务书 文档 开题 答辩 说明书 格式 模板 外文 翻译 范文 资料 作品 文献 课程 实习 指导 调研 下载 网络教育 计算机 网站 网页 小程序 商城 购物 订餐 电影 安卓 Android Html Html5 SSM SSH Python 爬虫 大数据 管理系统 图书 校园网 考试 选题 网络安全 推荐系统 机械 模具 夹具 自动化 数控 车床 汽车 故障 诊断 电机 建模 机械手 去壳机 千斤顶 变速器 减速器 图纸 电气 变电站 电子 Stm32 单片机 物联网 监控 密码锁 Plc 组态 控制 智能 Matlab 土木 建筑 结构 框架 教学楼 住宅楼 造价 施工 办公楼 给水 排水 桥梁 刚构桥 水利 重力坝 水库 采矿 环境 化工 固废 工厂 视觉传达 室内设计 产品设计 电子商务 物流 盈利 案例 分析 评估 报告 营销 报销 会计 | |||||
|
|||||
|
|||||
|
|||||
目录
一、 实验目的
二、实验环境
三、 设计和调试任务
四、实验原理
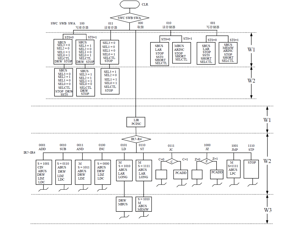
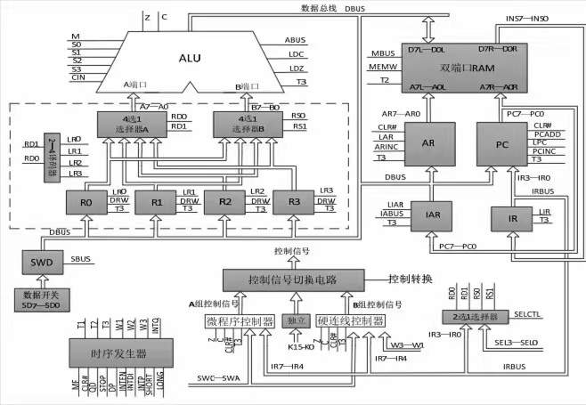
1.硬布线控制器
2.TEC-8数据通路
3.机器指令流程设计
4.指令设计
五、设计步骤与实验过程
六、模块设计
1.实体定义
2.初始化
3.写存储器模块
4.读存储器模块
5.写寄存器模块
6.读寄存器模块
7.取指令模块
7.1 ADD
7.2 SUB
7.3 AND
7.4 INC
7.5 LD
7.6 ST
7.7 JC&JZ
7.8 JMP
7.9 OUT
7.10 OR
7.11 NOT
7.12 XOR
7.13 STP
8.验收测试程序
八、流水实现
九、中断实现
十、实验心得
(1)融会贯通计算机组成原理各章节教学内容,通过知识的综合应用,加深对CPU各模块工作原理及相互联系的认识,建立清晰的整机概念。
(2)掌握硬布线控制器的设计方法。
(3)学习运用可编程逻辑技术进行逻辑设计和调试的基本步骤和方法。
(4)培养科学研究的独立工作能力,获得工程设计与组装调试的实践经验。
开发环境:
• PC微机:EDA设计软件,自行完成逻辑设计、编写程序、编译和下载,调试、运行成功
• TEC-8实验箱
调试工具:逻辑笔万用表数字示波器
元器件:Altera MAX7000系列CPLD芯片:EPM7128
描述语言:VHDL语言、Verilog语言















毕业66资料站 biye66.com ©2015-2026 版权所有 | 微信:15573586651 QQ:3903700237
本站毕业设计和毕业论文资料均属原创者所有,仅供学习交流之用,请勿转载并做其他非法用途.如有侵犯您的版权有损您的利益,请联系我们会立即改正或删除有关内容!