| 设计 任务书 文档 开题 答辩 说明书 格式 模板 外文 翻译 范文 资料 作品 文献 课程 实习 指导 调研 下载 网络教育 计算机 网站 网页 小程序 商城 购物 订餐 电影 安卓 Android Html Html5 SSM SSH Python 爬虫 大数据 管理系统 图书 校园网 考试 选题 网络安全 推荐系统 机械 模具 夹具 自动化 数控 车床 汽车 故障 诊断 电机 建模 机械手 去壳机 千斤顶 变速器 减速器 图纸 电气 变电站 电子 Stm32 单片机 物联网 监控 密码锁 Plc 组态 控制 智能 Matlab 土木 建筑 结构 框架 教学楼 住宅楼 造价 施工 办公楼 给水 排水 桥梁 刚构桥 水利 重力坝 水库 采矿 环境 化工 固废 工厂 视觉传达 室内设计 产品设计 电子商务 物流 盈利 案例 分析 评估 报告 营销 报销 会计 | |||||
|
|||||
|
|||||
|
|||||
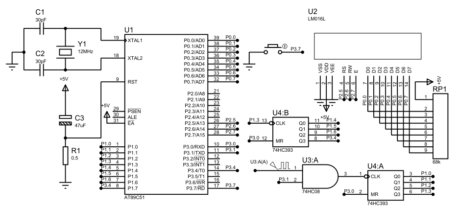
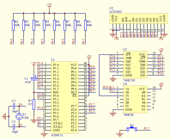
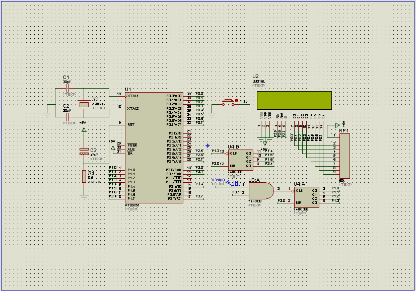
目录前 言 1第一章 总体设计方案 21.1 总设计框图 21.2 硬件设计分析 21.2.1 电源的设计 2(4):LCD1602的指令说明及时序 10(5): LCD1602的RAM地址映射及标准字库表 13第二章 软件设计与分析 152.1 软件设计的组成 152.2 各部分软件分析 152.2.1 定时器0中断子函数 152.2.2 定时器1中断子函数 152.2.3 主函数 162.3 总源程序 18第三章 软件介绍 283.1 PROTEUS简介 283.2 PROTEL 99 SE简介 293.2.1 电路工程设计部分 293.2.2 电路仿真与PLD部分 303.3 Protel 99 SE的功能特性 303.4 Protel99SE快捷键大全 303.6仿真图 363.7原理图 37第四章 减小误差措施及扩展方面 394.1减小误差措施 394.2扩展方面 39(1)预处理电路部分 39(2)增加电源部分 394.3 功能上的完善 404.3.1 增加键盘控制 404.3.2 实现自动量程转换 404.3.3 液晶显示器(LCD)进行数据的显示 41总结 42致谢词 43参考文献 44
摘 要本文提出设计数字频率计的方案,重点介绍以单片机AT89C51为控制核心,实现频率测量的数字频率设计。测频的基本原理是采用在低频段直接测频法,在低频段直接测频法的设计思路,硬件部分由单片机和数计显示电路组成;软件部分由信号频率测量模块和数据显示模块等模块实现。应用单片机的控制功能和数学运算能力,实现计数功能和频率的换算。设计的频率计范围能够达到1HZ~1MHZ,满足所要求的频率范围,测量精度较高。【关键词】AT89C51 LCD1602液晶













毕业66资料站 biye66.com ©2015-2026 版权所有 | 微信:15573586651 QQ:3903700237
本站毕业设计和毕业论文资料均属原创者所有,仅供学习交流之用,请勿转载并做其他非法用途.如有侵犯您的版权有损您的利益,请联系我们会立即改正或删除有关内容!