设计 任务书 文档 开题 答辩 说明书 格式 模板 外文 翻译 范文 资料 作品 文献 课程 实习 指导 调研 下载 网络教育 计算机 网站 网页 小程序 商城 购物 订餐 电影 安卓 Android Html Html5 SSM SSH Python 爬虫 大数据 管理系统 图书 校园网 考试 选题 网络安全 推荐系统 机械 模具 夹具 自动化 数控 车床 汽车 故障 诊断 电机 建模 机械手 去壳机 千斤顶 变速器 减速器 图纸 电气 变电站 电子 Stm32 单片机 物联网 监控 密码锁 Plc 组态 控制 智能 Matlab 土木 建筑 结构 框架 教学楼 住宅楼 造价 施工 办公楼 给水 排水 桥梁 刚构桥 水利 重力坝 水库 采矿 环境 化工 固废 工厂 视觉传达 室内设计 产品设计 电子商务 物流 盈利 案例 分析 评估 报告 营销 报销 会计
Logo 顶部广告
首页 | 机械毕业设计 | 电子电气毕业设计 | 计算机毕业设计 | 土木工程毕业设计 | 视觉传达毕业设计 | 理工论文 | 文科论文 | 毕设资料 | 帮助中心
今天是: |>>> 您现在的位置:首页>>>>文档详细内容
标题:

基于三菱FX2N PLC的物料分拣机械手控制系统 毕业论文+开题报告+cad图纸


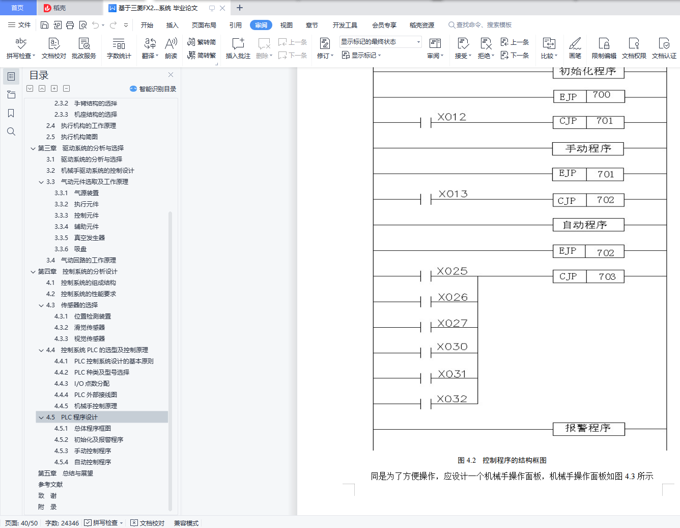
目   录目   录 I摘   要 IVAbstract V第一章  前言 11.1  研究的目的及意义 11.2  机械手在国内外现状和发展趋势 11.3  主要研究的内容 21.4  解决的关键问题 3第二章  执行系统的分析与选择 42.1 执行机构坐标形式的选择 42.2  执行机构的组成 62.3  执行机构各部分的分析与选择 62.3.1  手部的选择 62.3.2  手臂结构的选择 82.3.3  机座结构的选择 92.4  执行机构的工作原理 102.5 执行机构简图 10第三章  驱动系统的分析与选择 123.1  驱动系统的分析与选择 123.2  机械手驱动系统的控制设计 133.3  气动元件选取及工作原理 143.3.1  气源装置 143.3.2  执行元件 153.3.3  控制元件 163.3.4  辅助元件 173.3.5  真空发生器 183.3.6  吸盘 183.4  气动回路的工作原理 18第四章  控制系统的分析设计 224.1  控制系统的组成结构 224.2  控制系统的性能要求 224.3  传感器的选择 234.3.1  位置检测装置 234.3.2  滑觉传感器 234.3.3  视觉传感器 244.4  控制系统PLC的选型及控制原理 254.4.1  PLC控制系统设计的基本原则 254.4.2  PLC种类及型号选择 304.4.3  I/O点数分配 304.4.4  PLC外部接线图 324.4.5  机械手控制原理 324.5  PLC程序设计 344.5.1  总体程序框图 344.5.2  初始化及报警程序 364.5.3  手动控制程序 374.5.4  自动控制程序 39第五章  总结与展望 42参考文献 43致  谢 44附  录 45摘   要机械手在先进制造领域中扮演着极其重要的角色。它可以搬运货物、分拣物品、代替人的繁重劳动。可以实现生产的机械化和自动化,能在有害环境下操作以保护人身安全,因此被广泛应用于机械制造、冶金、电子、轻工和原子能等部门。本文在纵观了近年来机械手发展状况的基础上,结合机械手方面的设计,对机械手技术进行了系统的分析,提出了用气动驱动和PLC控制的设计方案。采用整体化的设计思想,充分考虑了软、硬件各自的特点并进行互补优化。对物料分拣机械手的整体结构、执行结构、驱动系统和控制系统进行了分析和设计。在其驱动系统中采用气动驱动,控制系统中选择PLC的控制单元来完成系统功能的初始化、机械手的移动、故障报警等功能。最后提出了一种简单、易于实现、理论意义明确的控制策略。通过以上部分的工作,得出了经济型、实用型、高可靠型物料分拣机械手的设计方案,对其他经济型PLC控制系统的设计也有一定的借鉴价值。关键词: 机械手,气动控制,可编程控制器(PLC),自动化控制,物料分拣。AbstractManipulator plays an extremely important role in the field of advanced manufacturing. It can carry goods, sort materials and do heavy works instead of the human being. It also can realize mechanization and automation of the production, do the jobs in harmful environment to protect the personal safety. So it is widely used in metallurgy, machinery manufacturing, electronics, light industry and atomic energy etc.In this paper,by reviewing the developmental status of the manipulator in recent years, combining the design of manipulator and systematic analyzing technology of the manipulator, We proposed the design scheme that the manipulator was driven by the pneumatic and the system was controlled by PLC. Integrative idea was adopted in this design to fully consider the characteristics of the software and hardware and complementary optimization. We analyzed and designed the overall structure, the implementation of structural, driving system and control system of the manipulator. We used pneumatic-driven in the driving system, PLC control unit in the control system to complete initialization of the system, manipulator's moving, failure alarm and so on. Finally we put forward a control strategy which is simple, easy to realize, and clear theoretical significance.Through the work above, a practical, economical, high-reliability sorting material manipulator was designed, which also had certain reference value for the other types of economical PLC control system design.Key words: manipulator ;pneumatic-driven; programmable logic controller (PLC); automatic control;sorting materials



















| 关于我们 | 友情链接 | 毕业设计招聘 |

毕业66资料站 biye66.com ©2015-2026 版权所有 | 微信:15573586651 QQ:3903700237

本站毕业设计和毕业论文资料均属原创者所有,仅供学习交流之用,请勿转载并做其他非法用途.如有侵犯您的版权有损您的利益,请联系我们会立即改正或删除有关内容!