| 设计 任务书 文档 开题 答辩 说明书 格式 模板 外文 翻译 范文 资料 作品 文献 课程 实习 指导 调研 下载 网络教育 计算机 网站 网页 小程序 商城 购物 订餐 电影 安卓 Android Html Html5 SSM SSH Python 爬虫 大数据 管理系统 图书 校园网 考试 选题 网络安全 推荐系统 机械 模具 夹具 自动化 数控 车床 汽车 故障 诊断 电机 建模 机械手 去壳机 千斤顶 变速器 减速器 图纸 电气 变电站 电子 Stm32 单片机 物联网 监控 密码锁 Plc 组态 控制 智能 Matlab 土木 建筑 结构 框架 教学楼 住宅楼 造价 施工 办公楼 给水 排水 桥梁 刚构桥 水利 重力坝 水库 采矿 环境 化工 固废 工厂 视觉传达 室内设计 产品设计 电子商务 物流 盈利 案例 分析 评估 报告 营销 报销 会计 | |||||
|
|||||
|
|||||
|
|||||
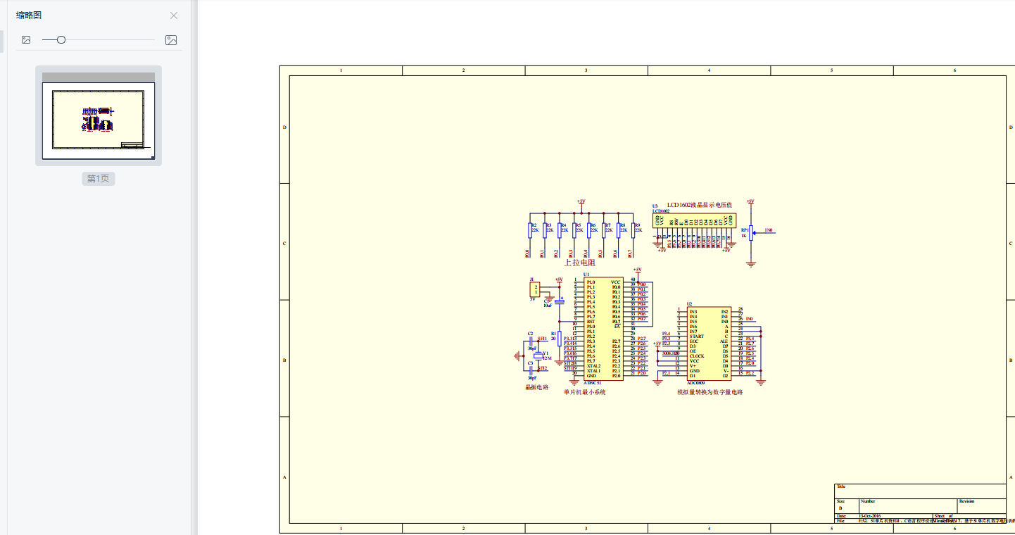
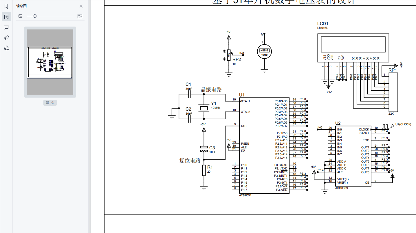
摘 要数字电压表简称DVM,数字电压表基本原理是将输入的模拟电压信号转化为数字信号,再进行输出显示。而A/D转换器的作用是将连续变化的模拟信号量转化为离散的数字信号,器基本结构是由采样保持,量化,编码等几部分组成。因此AD转换是此次设计的核心元件。输入的模拟量经过AD转换器转换,再由驱动器驱动显示器输出,便得到测量的数字电压。本次设计的作品要求制作数字电压表的量程为0到5v,由于用到的模数转换芯片是ADC0809,设计系统给的供电电压为+5v。同时设计的精度为小数点后两位,满足要求的两位小数的精度,在不考虑AD芯片的量化误差的前提下,此次设计的精度能够满足一般测量的要求。【关键词】AT89C51 ADC0809 LCD1602液晶目录前 言 1第一章 工作原理 21.1设计目标 21.1.1基本功能 21.1.2主要技术参数 21.2设计原理 2第二章 硬件设计与原理 32.1 总设计框图 32.2 硬件设计分析 32.2.1 电源的设计 32.2.2 单片机最小系统 42.2.3 显示系统 102.2.4 模数转换 10第三章 软件设计与分析 133.1 软件设计的组成 133.2 源程序 15第四章 软件仿真 244.1 PROTEUS简介 244.2仿真图 264.3原理图 274.4 元件清单 28总结 29致 谢 30参考文献 31










毕业66资料站 biye66.com ©2015-2026 版权所有 | 微信:15573586651 QQ:3903700237
本站毕业设计和毕业论文资料均属原创者所有,仅供学习交流之用,请勿转载并做其他非法用途.如有侵犯您的版权有损您的利益,请联系我们会立即改正或删除有关内容!