| 设计 任务书 文档 开题 答辩 说明书 格式 模板 外文 翻译 范文 资料 作品 文献 课程 实习 指导 调研 下载 网络教育 计算机 网站 网页 小程序 商城 购物 订餐 电影 安卓 Android Html Html5 SSM SSH Python 爬虫 大数据 管理系统 图书 校园网 考试 选题 网络安全 推荐系统 机械 模具 夹具 自动化 数控 车床 汽车 故障 诊断 电机 建模 机械手 去壳机 千斤顶 变速器 减速器 图纸 电气 变电站 电子 Stm32 单片机 物联网 监控 密码锁 Plc 组态 控制 智能 Matlab 土木 建筑 结构 框架 教学楼 住宅楼 造价 施工 办公楼 给水 排水 桥梁 刚构桥 水利 重力坝 水库 采矿 环境 化工 固废 工厂 视觉传达 室内设计 产品设计 电子商务 物流 盈利 案例 分析 评估 报告 营销 报销 会计 | |||||
|
|||||
|
|||||
|
|||||
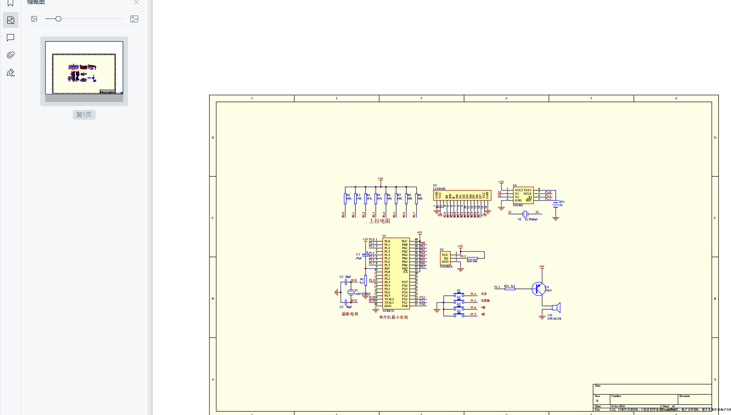
摘 要电子万年历是一种应用非常广泛日常计时工具,对现代社会越来越重要。此电子万年历在硬件方面主要采用AT89C51单片机作为主控核心,由DS1302时钟芯片提供时钟、LCD1602液晶显示屏显示。AT89C51单片机是由STC公司推出的,功耗小,电压可选用4~6V电压供电;DS1302时钟芯片是美国DALLAS公司推出的低功耗实时时钟芯片,它可以对年、月、日、星期、时、分、秒进行计时,还具有闰年补偿等多种功能,而且DS1302的使用寿命长,误差小;对于数字电子万年历采用直观的数字显示,数字显示是采用的LCD1602液晶显示屏来显示,可以同时显示年、月、日、星期、时、分、秒等信息。此外,该电子万年历还具有时间校准等功能。在软件方面,主要包括日历程序、时间调整程序,显示程序等。所有程序编写完成后,在Keil软件中进行调试,确定没有问题后,烧写到单片机上进行测试。此设计主要由时钟芯片DS1302和温度传感器DS18B20采集数据到单片机进行处理再通过LCD1602显示出来,本论文主要研究了液晶显示器LCD1602及时钟芯片DS1302,温度传感器DS18B20与单片机之间的硬件互联及通信,对数种硬件连接方案进行了详尽的比较,在软件方面对日历算法也进行了论述。【关键词】AT89C51 LCD1602 DS18B20 DS1302 按键目录前 言 1第一章 工作原理 21.1设计目标 21.1.1基本功能 2第二章 硬件设计与原理 32.1 总设计框图 32.2 硬件设计分析 32.2.1 电源的设计 32.2.2 单片机最小系统 42.2.3 显示系统 102.2.4 LCD1602的指令说明及时序 122.2.5 LCD1602的RAM地址映射及标准字库表 142.2.6 DS1302原理及说明 162.2.7 DS18B20工作原理及说明 192.2.8 按键电路 20第三章 软件设计与分析 223.1 软件设计的组成 223.2 源程序 26第四章 软件仿真 564.1 PROTEUS简介 564.2仿真图 584.3原理图 594.4 元件清单 60总结 61致 谢 63参考文献 64











毕业66资料站 biye66.com ©2015-2026 版权所有 | 微信:15573586651 QQ:3903700237
本站毕业设计和毕业论文资料均属原创者所有,仅供学习交流之用,请勿转载并做其他非法用途.如有侵犯您的版权有损您的利益,请联系我们会立即改正或删除有关内容!