| 设计 任务书 文档 开题 答辩 说明书 格式 模板 外文 翻译 范文 资料 作品 文献 课程 实习 指导 调研 下载 网络教育 计算机 网站 网页 小程序 商城 购物 订餐 电影 安卓 Android Html Html5 SSM SSH Python 爬虫 大数据 管理系统 图书 校园网 考试 选题 网络安全 推荐系统 机械 模具 夹具 自动化 数控 车床 汽车 故障 诊断 电机 建模 机械手 去壳机 千斤顶 变速器 减速器 图纸 电气 变电站 电子 Stm32 单片机 物联网 监控 密码锁 Plc 组态 控制 智能 Matlab 土木 建筑 结构 框架 教学楼 住宅楼 造价 施工 办公楼 给水 排水 桥梁 刚构桥 水利 重力坝 水库 采矿 环境 化工 固废 工厂 视觉传达 室内设计 产品设计 电子商务 物流 盈利 案例 分析 评估 报告 营销 报销 会计 | |||||
|
|||||
|
|||||
|
|||||
毕业设计说明书(论文)中文摘要
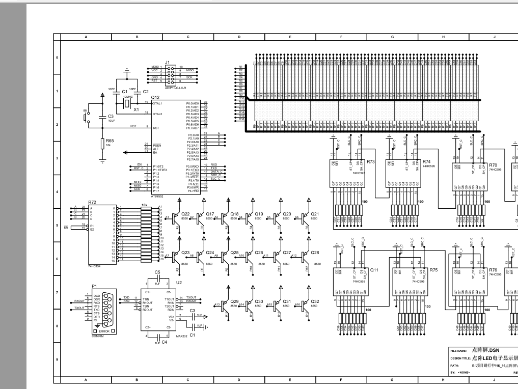
该课题是关于4个16×16点阵LED电子显示屏的设计,由AT89S52做为主控制器,介绍了以它为控制系统的LED点阵电子显示屏的动态设计,仿真和开发过程。AT89S52芯片通过控制一个行驱动器74LS154和八个列驱动器74HC595来驱动显示屏动态显示。该电子显示屏可以实现4个汉字静止,左滚动和右滚动等多种显示状态。通过上位机还能把任意的HZK16字体的汉字传给单片机让其显示。
文中详细介绍了LED点阵显示的硬件设计思路、硬件电路各个部分的功能及原理、相应软件的程序设计、上位机软件的设计以及使用说明等。
关键词 AT89S52 单片机 点阵显示 上位机
Title 16*16 Dot Matrix Display
Abstract
This subject is about the design of four 16 ×16 array LED electron display screen,AT89S52 MCU (Micro Controller Unit) is the mainly controller, introduced it as the control system of LED array electron display screen with the dynamic design, simulation and the development process. AT89S52 through one line driver 74LS154 and eight row driver 74HC595 actuate the screen dynamic display. The electronic screen can show four Chinese characters static, rolling around and other many kinds of shows state. Through the PC can send any of the Chinese characters with the hzk16 font to MCU for display.
This paper describes the hardware design of the LED dot matrix display、 the principle function of the various parts of the circuit、the corresponding software program design、the PC software design 、 instructions and so on.
KeywordsAT89S52 MCU Dot matrix display PC
目 录
前 言 1
第一章 绪 论 2
1.1 课题背景 2
1.2 选题意义及本文主要工作 2
1.2.1 选题意义 2
1.2.2 本文主要工作及结构 3
第二章 功能要求及设计方案论证 4
2.1 功能要求 4
2.2 单片机的选择 4
2.3 显示模块方案论证 4
2.3.1 显示模块工作原理 4
2.3.2 静态显示方式 5
2.3.3 动态显示方式 5
2.4 数据传输方案论证 6
2.4.1 数据传输方式 6
2.4.2 上位机的意义 7
2.4.3 上位机编程语言的选择 7
第三章 硬件设计 8
3.1 单片机外围系统 8
3.2 LED点阵 10
3.2.1 点阵介绍 10
3.2.2 LED显示方式 12
3.2.3 点阵的移动 12
3.2.4 列驱动电路 16
3.2.5 行驱动器 18
3.3 串口电平转换 20
第四章 系统程序设计 23
4.1 系统驱动显示函数 23
4.2 串口中断函数 30
4.3 系统主程序 31
第五章 上位机 35
5.1 上位机 35
5.1.1 上位机的定义 35
5.1.2 C#的特点 35
5.2 C#程序设计 37
5.2.1 流程图 37
5.2.2 汉字显示 37
5.2.3 汉字库如何调用 37
5.2.4 串口发送的原理 41
第六章 调试及性能分析 42
6.1 开发环境介绍 42
6.2 PROTEUS仿真 42
总 结 44
参 考 文 献 45
致 谢 46













毕业66资料站 biye66.com ©2015-2026 版权所有 | 微信:15573586651 QQ:3903700237
本站毕业设计和毕业论文资料均属原创者所有,仅供学习交流之用,请勿转载并做其他非法用途.如有侵犯您的版权有损您的利益,请联系我们会立即改正或删除有关内容!