| 设计 任务书 文档 开题 答辩 说明书 格式 模板 外文 翻译 范文 资料 作品 文献 课程 实习 指导 调研 下载 网络教育 计算机 网站 网页 小程序 商城 购物 订餐 电影 安卓 Android Html Html5 SSM SSH Python 爬虫 大数据 管理系统 图书 校园网 考试 选题 网络安全 推荐系统 机械 模具 夹具 自动化 数控 车床 汽车 故障 诊断 电机 建模 机械手 去壳机 千斤顶 变速器 减速器 图纸 电气 变电站 电子 Stm32 单片机 物联网 监控 密码锁 Plc 组态 控制 智能 Matlab 土木 建筑 结构 框架 教学楼 住宅楼 造价 施工 办公楼 给水 排水 桥梁 刚构桥 水利 重力坝 水库 采矿 环境 化工 固废 工厂 视觉传达 室内设计 产品设计 电子商务 物流 盈利 案例 分析 评估 报告 营销 报销 会计 | |||||
|
|||||
|
|||||
|
|||||
摘 要
本课题来源于服务企业的科研项目的一部分,涉及的后台监控系统以串行通信方式实现对上位机应用系统(单片机应用系统)显示内容的更新,提供调试、应用、售后于服务一体的功能,具有现实意义。针对小型点阵屏的后台监控系统一般协议不透明、现实内容字体修改不方便、无法更新当前时间等缺陷,同时系统软件开放性不够,很难实现不同厂家的配套使用。
利用计算机软件开发针对小型电子屏的后台监控系统,目标如下:1)显示内容可以自定义(含中英文、标点符号、数字等),但需要包含当前时间(年月日、星期、小时分钟秒);2)显示内容字体可以进行改变(通过使用字库或采用其他方法);3)针对不同字体可以自动生成点阵的字模;4)字模信息通过PC机串口或USB虚拟串口发送给下位机,下位机根据发送来的信息进行显示;5)串口通信速度、格式均可以控制;6)通信协议自定义;7)能够读取下位机显示的内容数据并在后台中进行保存;8)监控系统界面友好。
关键词: 51单片机;LED点阵;驱动电路;手写屏
This subject comes from a part of the scientific research project of service enterprise. The background monitoring system in question can update the display content of upper computer application system (single chip computer application system) by serial communication, and provide debugging and application. The function of after-sale service is of practical significance. The background monitoring system of small lattice screen is not transparent, the font of real content is not convenient to modify, the current time can not be updated and so on. At the same time, the system software is not open enough, so it is difficult to realize the matching use of different manufacturers.
Using computer software to develop background monitoring system for small electronic screen, the objectives are as follows: 1) display content can be customized (including Chinese and English, punctuation marks, numbers, etc.), but need to include the current time (day, week, etc.) Hours, minutes, seconds); (2) the font of display content can be changed (by using the font or other methods), 3) the font of the lattice can be automatically generated for different fonts; 4) the font information is sent to the lower computer through the serial port of PC machine or the USB virtual serial port, which is displayed according to the information sent; 5) the speed of serial port communication, the format can be controlled; 6) the communication protocol is self-determined. Can read the content data displayed by the lower computer and save it in the background; 8) the interface of the monitoring system is friendly.
Keywords: 51 single chip microcomputer; LED lattice; driving circuit; handwritten screen目 录
一、绪论 1
(一)课题的研究意义 1
(二)设计任务及要求 1
(三)单片机的发展史 2
(四)单片机的发展趋势 3
二、系统的整体结构 5
三、单片机介绍 6
1、单片机引脚介绍 9
2、复位电路设计 9
2.时钟电路设计 11
四、点阵电路介绍 12
(一) LED点阵显示部分简介 12
(二)LED驱动方式 14
(三)手写笔电路设计 16
五、软件设计 17
(一)系统软件流程图 17
(二)程序函数介绍 18
1、延时函数 18
2、行扫描函数 18
3、手写笔中断函数 18
(三)编程环境介绍 19
总结 23
参考文献 24
附录 A 25
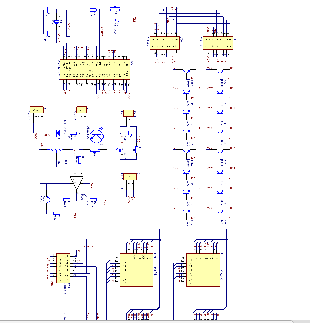
(一) 硬件电路原理图 25
附录B 26
(二) 系统程序源代码 26
致谢 38







毕业66资料站 biye66.com ©2015-2026 版权所有 | 微信:15573586651 QQ:3903700237
本站毕业设计和毕业论文资料均属原创者所有,仅供学习交流之用,请勿转载并做其他非法用途.如有侵犯您的版权有损您的利益,请联系我们会立即改正或删除有关内容!