| 设计 任务书 文档 开题 答辩 说明书 格式 模板 外文 翻译 范文 资料 作品 文献 课程 实习 指导 调研 下载 网络教育 计算机 网站 网页 小程序 商城 购物 订餐 电影 安卓 Android Html Html5 SSM SSH Python 爬虫 大数据 管理系统 图书 校园网 考试 选题 网络安全 推荐系统 机械 模具 夹具 自动化 数控 车床 汽车 故障 诊断 电机 建模 机械手 去壳机 千斤顶 变速器 减速器 图纸 电气 变电站 电子 Stm32 单片机 物联网 监控 密码锁 Plc 组态 控制 智能 Matlab 土木 建筑 结构 框架 教学楼 住宅楼 造价 施工 办公楼 给水 排水 桥梁 刚构桥 水利 重力坝 水库 采矿 环境 化工 固废 工厂 视觉传达 室内设计 产品设计 电子商务 物流 盈利 案例 分析 评估 报告 营销 报销 会计 | |||||
|
|||||
|
|||||
|
|||||
摘要
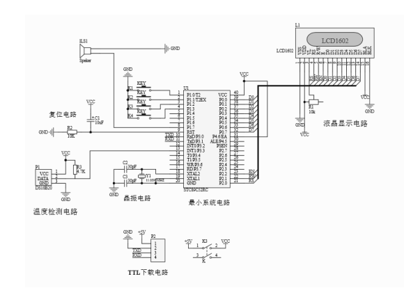
本文介绍的是一个由单片机构成的温度控制系统,主要用来提供测温的解决方案,同时还能实时监控温度变化趋势,以及报警功能。它利用STC89C52RC单片机,DS18B20,蜂鸣器报警电路和LCD1602来实现温度检测控制功能。温度检测是使用的DS18B20温度传感器,将检测得到的温度通过单片机单总线的协议读取并将其显示在LCD1602液晶屏上。除此之外,它还能通过按键设置温度的上限值,如果温度超过上限,则蜂鸣器报警,大大提高了系统的安全性。本文在后续章节详细介绍了系统的总体方案设计,硬件设计,软件设计等。
关键词:温度检测控制;单片机;DS18B20;报警
Abstract
Is introduced in this paper a composed of single chip microcomputer temperature control system, mainly used to provide the solution temperature, at the same time also can real-time monitor the temperature change trend, and alarm function.It USES STC89C52RC microcontroller, DS18B20, buzzer alarm detection circuit and LCD1602 to realize temperature control function.Temperature detection is used DS18B20 temperature sensor, the detection by the temperature of the single chip microcomputer single bus protocol reads and displays it on the LCD1602 LCD display.In addition, it also can set the upper limit of temperature by buttons, if the temperature is over limit, the buzzer alarm, greatly improved the security of the system.In the subsequent chapters in this paper in detail introduces the overall design of system, hardware design, software design, etc.
Keywords: temperature detection control;Single chip microcomputer;DS18B20.The police
目录
1、绪论 1
1.1课题背景 1
1.2 本课题研究意义 2
2、 系统总体方案设计 3
2.1、传感器部分 3
2.2、主控制部分 4
3、系统硬件设计 6
3.1 STC89C52RC单片机主控模块设计 6
3.2单片机最小系统 9
3.2.1时钟电路 9
3.2.2复位电路 10
3.2.3 STC89C52RC中断技术概述 10
3.3 温度采集模块DS18B20 11
3.4按键模块设计 13
3.5蜂鸣器报警电路 13
3.6 LCD1602液晶显示 14
4、软件设计 16
4.1软件介绍 16
4.2 主程序流程图设计 17
4.3各子程序设计 18
4.3.1按键设置子程序 18
4.3.2 DS18B20温度检测子程序 19
4.3.3 LCD1602液晶显示子程序 20
4.3.3 按键设置子函数 22
5、总结与展望 23
6、 参考文献 24
7、致谢 25
附录一 系统原理图 26
附录二 系统部分源程序 27






毕业66资料站 biye66.com ©2015-2026 版权所有 | 微信:15573586651 QQ:3903700237
本站毕业设计和毕业论文资料均属原创者所有,仅供学习交流之用,请勿转载并做其他非法用途.如有侵犯您的版权有损您的利益,请联系我们会立即改正或删除有关内容!