| 设计 任务书 文档 开题 答辩 说明书 格式 模板 外文 翻译 范文 资料 作品 文献 课程 实习 指导 调研 下载 网络教育 计算机 网站 网页 小程序 商城 购物 订餐 电影 安卓 Android Html Html5 SSM SSH Python 爬虫 大数据 管理系统 图书 校园网 考试 选题 网络安全 推荐系统 机械 模具 夹具 自动化 数控 车床 汽车 故障 诊断 电机 建模 机械手 去壳机 千斤顶 变速器 减速器 图纸 电气 变电站 电子 Stm32 单片机 物联网 监控 密码锁 Plc 组态 控制 智能 Matlab 土木 建筑 结构 框架 教学楼 住宅楼 造价 施工 办公楼 给水 排水 桥梁 刚构桥 水利 重力坝 水库 采矿 环境 化工 固废 工厂 视觉传达 室内设计 产品设计 电子商务 物流 盈利 案例 分析 评估 报告 营销 报销 会计 | |||||
|
|||||
|
|||||
|
|||||
目录
1 交通信号灯控制系统………………………………………………………4
1.1 交通信号灯的作用和意义………………………………………………4
1.2 十字路口交通信号灯的控制情况………………………………………5
1.2.1 十字路口交通灯布置图………………………………………………5
1.2.2 控制系统的要求………………………………………………………6
1.3 结合十字路口交通灯的路况分析………………………………………9
2 PLC 控制系统的设计………………………………………………………9
2.1 PLC 的选择………………………………………………………………9
2.2 I/O 地址分配……………………………………………………………9
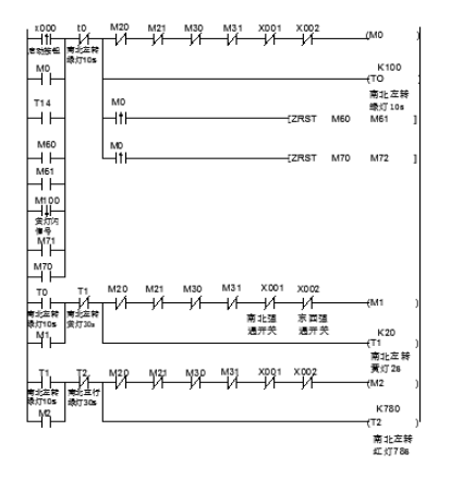
2.3 程序设计…………………………………………………………………12
2.3.1 正常运行程序…………………………………………………………12
2.3.2 急车强通控制程序……………………………………………………12
2.3.3 显示部分的程序………………………………………………………12
2.3.4 早晚切换及校时………………………………………………………12
3 交通灯模拟运行……………………………………………………………13
3.1 硬件调试…………………………………………………………………13
3.2 软件调试…………………………………………………………………13
结束语…………………………………………………………………………15
参考文献………………………………………………………………………15
1.交通信号灯控制系统
1.1交通信号灯的作用和意义
随着社会经济的发展,城市交通问题越来越引起人们的关注。人,车,路三者关系的协调,已成为交通管理部门需要解决的重要问题之一。城市交通控制系统是用于城市交通数据监测,交通信号灯控制与交通疏导的计算机综合管理系统,它是现代城市交通监控指挥中最重要的组成部分。
随着城市机动车量的不断增加,许多大城市如北京,上海,南京等出现了交通超负荷运行的情况,因此,自80年代后期,这些城市纷纷修建城市高速公路,在高速公路建设完成的初期,它们也曾有效地改善了交通状况。然而,随着交通量的快速增长和缺乏对高速道路的系统研究和控制,高速道路没有充分发挥出预期的作用。而城市高速道路在构造上的特点,也决定了城市高速道路的交通状况必然受高速道路和普通道路耦合出交通状况的制约。所以,如何采用合适的控制方法,最大限度利用好耗费巨资修建的城市高速道路,缓解主干道与匝道,城区与周边地区的交通拥堵状况,越来越成为交通运输管理和城市规划部门亟待解决的主要问题。
根据交通等工艺控制要求和特点,我们采用了日本三菱公司FX2N型的PLC。三菱PLC有小型化,高速度,高性能等特点,三菱可编程控制器指令丰富,可以接各种输入,输出扩充设备,有丰富的特殊扩展设备,其中的模拟输入设备和通信设备是系统所必需的,能够方便地联网通信。本系统就是应用可编程控制器(PLC)对十字路口交通控制等实现控制。本系统采用PLC是基于以下四个原因:
(1)PLC具有很高的可靠性,抗干扰能力。通常的平均无障碍时间都在30万小时以上;
(2)系统设计周期短,维护方便,改造容易,功能完善,实用性强;
(3)干扰能力强,具有硬件故障的自我检查功能,目前空中各种电磁干扰日益严重,为了保证交通控制的可靠稳定,我们选择了能够在恶劣的电磁干扰环境下正常工作的PLC;
(4)近年来PLC的性能价格比有较大幅度的提高,是的实际应用成为可能。



毕业66资料站 biye66.com ©2015-2026 版权所有 | 微信:15573586651 QQ:3903700237
本站毕业设计和毕业论文资料均属原创者所有,仅供学习交流之用,请勿转载并做其他非法用途.如有侵犯您的版权有损您的利益,请联系我们会立即改正或删除有关内容!