| 设计 任务书 文档 开题 答辩 说明书 格式 模板 外文 翻译 范文 资料 作品 文献 课程 实习 指导 调研 下载 网络教育 计算机 网站 网页 小程序 商城 购物 订餐 电影 安卓 Android Html Html5 SSM SSH Python 爬虫 大数据 管理系统 图书 校园网 考试 选题 网络安全 推荐系统 机械 模具 夹具 自动化 数控 车床 汽车 故障 诊断 电机 建模 机械手 去壳机 千斤顶 变速器 减速器 图纸 电气 变电站 电子 Stm32 单片机 物联网 监控 密码锁 Plc 组态 控制 智能 Matlab 土木 建筑 结构 框架 教学楼 住宅楼 造价 施工 办公楼 给水 排水 桥梁 刚构桥 水利 重力坝 水库 采矿 环境 化工 固废 工厂 视觉传达 室内设计 产品设计 电子商务 物流 盈利 案例 分析 评估 报告 营销 报销 会计 | |||||
|
|||||
|
|||||
|
|||||
摘 要
无刷直流电机(BLDCM)具有调速性能优异、运行性能可靠和维护方便等优点,相较于有刷直流电机,其采用电子换向取代机械换向,有效地提高了电动机的运行效率,也使得其成品体积更加的轻巧。但是无刷直流电机也存在转矩脉动、控制器复杂、成本较高等缺陷,这些缺陷的存在也一定程度上影响了无刷直流电机作为高效、先进电机在应用上的普及,因此研究如何改善以及解决无刷直流电机存在的问题便具有更加明显的现实意义。
MATLAB是一款用于数据分析与计算、算法开发以及动态系统建立与仿真的数学软件。最初是由美国MathWorks公司出品的商用数学软件,其由Matlab和Simulink两个重要组成部分构成,现在更是应用于工程计算、控制设计、信号处理与通讯、图像处理、信号检测、金融建模设计与分析等领域。
本文通过对无刷直流电机结构以及工作原理的研究与分析,找出导致其具有较大转矩脉动的原因,并先从理论上得到如何抑制转矩脉动的方法,再通过Matlab建立起无刷直流电机的仿真模型,对其仿真结果进行分析与改善,从而有效地抑制无刷直流电机的转矩脉动。
关键词:无刷直流电机,转矩脉动,仿真模型
Abstract
Brushless DC motor (BLDCM) has excellent speed performance, reliable performance and easy maintenance, etc., compared to a brush DC motor, which uses electronically commutated replace mechanical commutation, effectively improve the operating efficiency of the motor, but also so that the volume of the finished product more compact. But there brushless DC motor torque ripple controller complexity, high cost and other defects, the presence of these defects also affected to some extent, a brushless DC motor as efficient and advanced motor universal in application, how to improve and therefore research solve the problems of the brushless DC motor will have more obvious practical significance.
MATLAB is a tool for data analysis and computation, algorithm development, and simulation of dynamic systems to establish and mathematical software. MathWorks was originally developed by the US company produced commercial mathematical software, which consists of Matlab and Simulink are two important parts, and now it is used in engineering calculations, control design, signal processing and communications, image processing, signal detection, financial modeling design and analysis and other fields.
Based on the brushless DC motor structure and working principle of research and analysis to identify the cause of which has a large torque ripple, and theoretically first get how to suppress torque ripples, established through Matlab brushless Simulation Model DC motor, its simulation results are analyzed and improved in order to effectively suppress the torque ripple of the brushless DC motor
Keywords: Brushless DC motor; The torque pulsation; The simulation model
目 录
第一章 绪论
1.1 研究背景及研究意义
1.2 无刷直流电机调速系统的国内外研究现状
1.3 本文的主要研究内容及章节安排
第二章 无刷直流电机的基本原理
2.1 无刷直流电机的基本结构
2.1.1 电机本体
1.电动机定子
2. 电动机转子
2.1.2 位置传感器
2.2 无刷直流电机的工作原理及换相过程
2.2.1 无刷直流电机的工作原理
2.2.2 无刷直流电机的换相过程
2.3 无刷直流电机的应用
2.4 本章小结
第三章 基于PWM技术的无刷直流电机转矩脉动抑制
3.1 PWM控制技术简介
3.1.1 PWM控制技术的基本原理
3.1.2 PWM控制技术的控制方法
3.2 Buck变换器的原理及控制方式
3.2.1 Buck变换器的原理
3.2.2 Buck变换器的控制方式
3.3 无刷直流电机转矩脉动的产生
3.3.1传导区转矩脉动
3.3.2换相区转矩脉动
3.4 无刷直流电机转矩脉动的抑制
3.5 本章小结
第四章 无刷直流电机的仿真分析
4.1 MATLAB和SIMULINK的介绍
4.2 无刷直流电机的数学模型
4.2.1电机本体模块
4.2.2转矩计算模块
4.2.3速度控制模块
4.2.4电流控制模块
4.2.5电压逆变模块
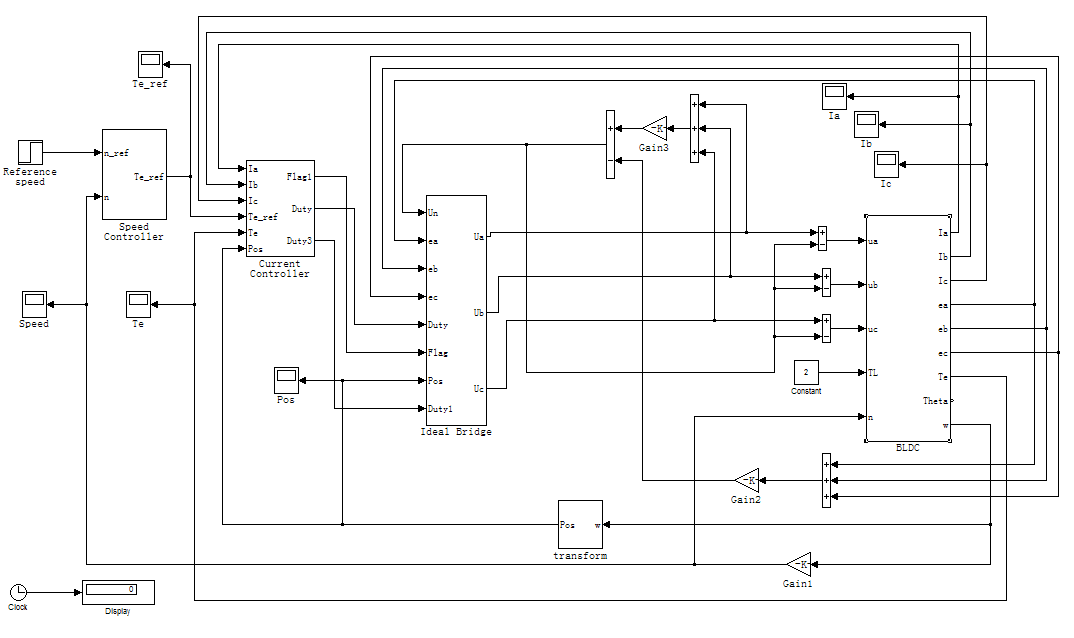
4.3无刷直流电机的仿真结果
4.4本章小结
结论
致谢
参考文献
附录






















毕业66资料站 biye66.com ©2015-2026 版权所有 | 微信:15573586651 QQ:3903700237
本站毕业设计和毕业论文资料均属原创者所有,仅供学习交流之用,请勿转载并做其他非法用途.如有侵犯您的版权有损您的利益,请联系我们会立即改正或删除有关内容!