| 设计 任务书 文档 开题 答辩 说明书 格式 模板 外文 翻译 范文 资料 作品 文献 课程 实习 指导 调研 下载 网络教育 计算机 网站 网页 小程序 商城 购物 订餐 电影 安卓 Android Html Html5 SSM SSH Python 爬虫 大数据 管理系统 图书 校园网 考试 选题 网络安全 推荐系统 机械 模具 夹具 自动化 数控 车床 汽车 故障 诊断 电机 建模 机械手 去壳机 千斤顶 变速器 减速器 图纸 电气 变电站 电子 Stm32 单片机 物联网 监控 密码锁 Plc 组态 控制 智能 Matlab 土木 建筑 结构 框架 教学楼 住宅楼 造价 施工 办公楼 给水 排水 桥梁 刚构桥 水利 重力坝 水库 采矿 环境 化工 固废 工厂 视觉传达 室内设计 产品设计 电子商务 物流 盈利 案例 分析 评估 报告 营销 报销 会计 | |||||
|
|||||
|
|||||
|
|||||
摘 要
本选题源于电力电子领域对直流电源变换技术的实际需求,特别是针对15V至12V直流电压降压转换的应用需求。通过设计降压斩波电路,旨在实现对直流电源的高效、稳定降压,以满足电子设备供电或电动机驱动等实际应用的需要。
本文旨在设计并实现一个15V至12V的直流降压斩波电路。首先,通过深入的理论学习,掌握了降压斩波电路的基本结构、工作原理及其性能参数。在此基础上,完成了主电路的结构设计、参数计算以及器件选型,并精心设计了辅助电路和控制电路。随后,利用MATLAB等仿真软件对电路进行了详细的仿真分析,验证了设计方案的正确性。最后,通过搭建实验电路,对理论分析和仿真结果进行了实验验证,进一步深入理解了电路的工作原理。在确保电路安全可靠的前提下,对电路性能进行了优化,提升了输出电压的稳定性、电路的效率和响应速度。最终,将研究成果应用于实际电子设备制作和电动机驱动等场景,观察和记录了实际应用中的性能表现,并根据实际应用中的问题进行了针对性的优化。
关键词:直流降压斩波电路;电路设计;仿真分析;MATLAB;性能优化
This topic is based on the actual demand of DC power conversion technology in the field of power electronics, especially for the application demand of 15V to 12V DC voltage voltage conversion. By designing the voltage reduction and chopping circuit, it aims to realize the efficient and stable voltage reduction of DC power supply to meet the practical application needs of electronic equipment such as power supply or motor drive.
The aim is to design and implement a DC buck chopper circuit from 15V to 12V. First of all, through in-depth theoretical learning, the basic structure, working principle and performance parameters of the antihypertensive chopper circuit are mastered. On this basis, the structure design, parameter calculation and device selection of the main circuit are completed, and the auxiliary circuit and control circuit are carefully designed. Then, a detailed simulation analysis of the MATLAB software to verify the correctness of the design scheme. Finally, by building the experimental circuit, the theoretical analysis and simulation results are verified, and the working principle of the circuit is further understood. On the premise of ensuring the safety and reliability of the circuit, the circuit performance is optimized to improve the stability of the output voltage, the efficiency and response speed of the circuit. Finally, the research results are applied to the actual electronic equipment production and motor drive scenarios, and the performance in the actual application is observed and recorded, and optimized according to the problems in the actual application.
Key words:DC step-down chopper circuit; circuit design; simulation analysis; MATLAB; performance optimization
目 录
摘 要
ABSTRACT
1 绪论
1.1 选题背景及意义
1.2 国内外研究现状及发展趋势
1.3 研究主要内容
2 设计方案的选定与说明
2.1设计概述与需求分析
2.2电路总体方案设计
2.3 降压斩波电路设计
2.3.1 设计原理
2.3.2 BUCK降压斩波主电路设计及工作原理分析
2.3.3 主电路参数计算与元器件选择
3 辅助电路设计
3.1控制电路及器件选择
3.1.1 控制方式
3.1.2 SG3525芯片
3.2控制电路设计
3.3 驱动电路原理与设计
3.3.1 光电耦合式驱动电路原理
3.3.2 驱动电路设计
3.4保护电路原理与设计
3.4.1保护电路概述
3.4.2 保护电路设计
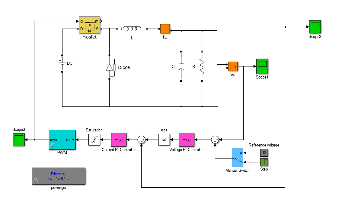
4主电路的仿真
4.1 主电路的建模
4.2 主电路的仿真
5 总结与展望
5.1 总结
5.2 展望
参考文献
致 谢





















毕业66资料站 biye66.com ©2015-2026 版权所有 | 微信:15573586651 QQ:3903700237
本站毕业设计和毕业论文资料均属原创者所有,仅供学习交流之用,请勿转载并做其他非法用途.如有侵犯您的版权有损您的利益,请联系我们会立即改正或删除有关内容!