| 设计 任务书 文档 开题 答辩 说明书 格式 模板 外文 翻译 范文 资料 作品 文献 课程 实习 指导 调研 下载 网络教育 计算机 网站 网页 小程序 商城 购物 订餐 电影 安卓 Android Html Html5 SSM SSH Python 爬虫 大数据 管理系统 图书 校园网 考试 选题 网络安全 推荐系统 机械 模具 夹具 自动化 数控 车床 汽车 故障 诊断 电机 建模 机械手 去壳机 千斤顶 变速器 减速器 图纸 电气 变电站 电子 Stm32 单片机 物联网 监控 密码锁 Plc 组态 控制 智能 Matlab 土木 建筑 结构 框架 教学楼 住宅楼 造价 施工 办公楼 给水 排水 桥梁 刚构桥 水利 重力坝 水库 采矿 环境 化工 固废 工厂 视觉传达 室内设计 产品设计 电子商务 物流 盈利 案例 分析 评估 报告 营销 报销 会计 | |||||
|
|||||
|
|||||
|
|||||
光伏系统 DC/DC 变换器设计与仿真
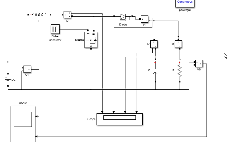
本文旨在设计与仿真一种适用于光伏系统的DC/DC变换器,以满足特定的性能指标要求。该变换器旨在将30V-40V的直流输入电压转换为稳定的直流输出,以提供500W的定容量功率,并能在瞬时条件下达到700W的最大功率。为了实现这一目标,本文深入研究了光伏系统的最大能量跟踪控制策略,并详细分析了DC/DC变换器的组成和工作原理。在此基础上,本文完成了DC/DC变换器主电路和驱动保护电路的硬件设计与元件选型,并利用MATLAB/SIMULINK平台进行了控制系统的仿真验证。通过对比分析不同设计方案的性能,最终确定了最优的设计方案,并验证了其在光伏系统中的实际应用效果。本文的研究成果对于提高光伏系统的能量转换效率和稳定性具有重要意义。
关键词:光伏系统;DC/DC ;变换器;MATLAB;仿真设计
This paper aims to design and simulate a DC / DC converter suitable for photovoltaic systems to meet the specific performance index requirements. The converter is designed to convert a DC input voltage of 30V-40V into a stable DC output to provide a fixed capacity power of 500W and to achieve a maximum power of 700W under instantaneous conditions. To achieve this goal, this paper studies the maximum energy tracking control strategy of photovoltaic system, and analyzes the composition and working principle of DC / DC converter in detail. In this paper, we complete the hardware design and element selection of DC / DC converter, and verify the control system by using MATLAB / SIMULINK platform. By comparing and analyzing the performance of different design schemes, the optimal design scheme is finally determined, and its practical application effect in photovoltaic system is verified. The research results of this paper are of great significance for improving the energy conversion efficiency and stability of photovoltaic systems.
Key words: photovoltaic system; DC / DC; converter; MATLAB; simulation design
目录
光伏系统 DC/DC 变换器设计与仿真
摘要
Abstract
第一章 绪论
1.1 研究背景与意义
1.2 研究现状与发展趋势
1.3 本文的研究内容与方法
1) 设计要求
4) 主模块
5) 光伏电池模块
6) 最大功率跟踪模块
7) 驱动保护电路设计
8) 模块的连接
9) 结束语
参考文献










毕业66资料站 biye66.com ©2015-2026 版权所有 | 微信:15573586651 QQ:3903700237
本站毕业设计和毕业论文资料均属原创者所有,仅供学习交流之用,请勿转载并做其他非法用途.如有侵犯您的版权有损您的利益,请联系我们会立即改正或删除有关内容!