| 设计 任务书 文档 开题 答辩 说明书 格式 模板 外文 翻译 范文 资料 作品 文献 课程 实习 指导 调研 下载 网络教育 计算机 网站 网页 小程序 商城 购物 订餐 电影 安卓 Android Html Html5 SSM SSH Python 爬虫 大数据 管理系统 图书 校园网 考试 选题 网络安全 推荐系统 机械 模具 夹具 自动化 数控 车床 汽车 故障 诊断 电机 建模 机械手 去壳机 千斤顶 变速器 减速器 图纸 电气 变电站 电子 Stm32 单片机 物联网 监控 密码锁 Plc 组态 控制 智能 Matlab 土木 建筑 结构 框架 教学楼 住宅楼 造价 施工 办公楼 给水 排水 桥梁 刚构桥 水利 重力坝 水库 采矿 环境 化工 固废 工厂 视觉传达 室内设计 产品设计 电子商务 物流 盈利 案例 分析 评估 报告 营销 报销 会计 | |||||
|
|||||
|
|||||
|
|||||
随着我国高压电网的多次改造和升级,电力基础设施得到了显著提升,为经济发展提供了强有力的支撑。在新一轮的高压电网改造计划中,配电自动化系统的建设和供电环境的可靠性成为关键。无功补偿作为提升高压电网电压质量和供电可靠性的重要手段,对于降低电能损耗、提高功率因数具有重要作用。
本文以ADE7953控制器为核心,研究了高压电网无功补偿装置的电气设计,通过实时采样三相电流和电压数据,利用ADE7953进行数据分析处理,确定无功补偿的容量和方法,实现电容器组的动态投入与切除,以优化无功功率,减少企业和个人的经济损失。本研究对于提升高压电网的供电质量和经济效率具有重要的理论和实践价值。
关键词:高压电网;无功补偿;补偿装置;ADE7953;控制器
With the repeated transformation and upgrading of China's high-voltage power grid, the power infrastructure has been significantly improved, providing a strong support for economic development. In the new round of high-voltage power grid transformation plan, the construction of distribution automation system and the reliability of power supply environment become the key. Reactive power compensation, as an important means to improve the voltage quality and power supply reliability of the high-voltage power grid, plays an important role in reducing the power loss and improving the power factor.
In this paper, with the ADE7953 controller as the core, the electrical design of the high voltage power grid reactive power compensation device is studied. Through the real-time sampling of three-phase current and voltage data, the ADE7953 data analysis and processing, determine the capacity and method of reactive power compensation, realize the dynamic input and resection of capacitor group, so as to optimize the reactive power and reduce the economic loss of enterprises and individuals. This study has important theoretical and practical value for improving the power supply quality and economic efficiency of high-voltage power grid.
Key words: high-voltage power grid; reactive power compensation; compensation device; ADE7953; controller
目 录
摘 要
ABSTRACT
1绪论
1.1高压电网无功补偿的意义
1.2高压电网无功补偿装置的发展现状
1.2.1无功补偿装置的发展
1.2.2当前无功补偿装置分类
1.3高压电网无功补偿装置的选择
1.3.1控制投切装置的选择
1.3.2控制方式的选择
1.4高压电网无功补偿装置的应用实例
2 无功补偿原理
2.1无功补偿的原理及实现
2.2无功功率计算和无功补偿
2.2.1无功功率计算
2.2.2电容对谐波的放大作用
3 ADE7953的控制方案的实现
3.1 ADE7953无功功率简述
3.2设计任务及要求
3.3主电路设计
3.4主控制器芯片的选取
4硬件设计
4.1模拟信号输入处理单元
4.2 LF2407ADE7953系统模块
4.3执行单元
4.4显示及通讯电路设计
5高压电网无功补偿的软件设计
5.1高压电网无功补偿装置的主程序
5.2中断程序
5.3串行实时时钟电路读写程序
5.4可靠性、抗扰性设计
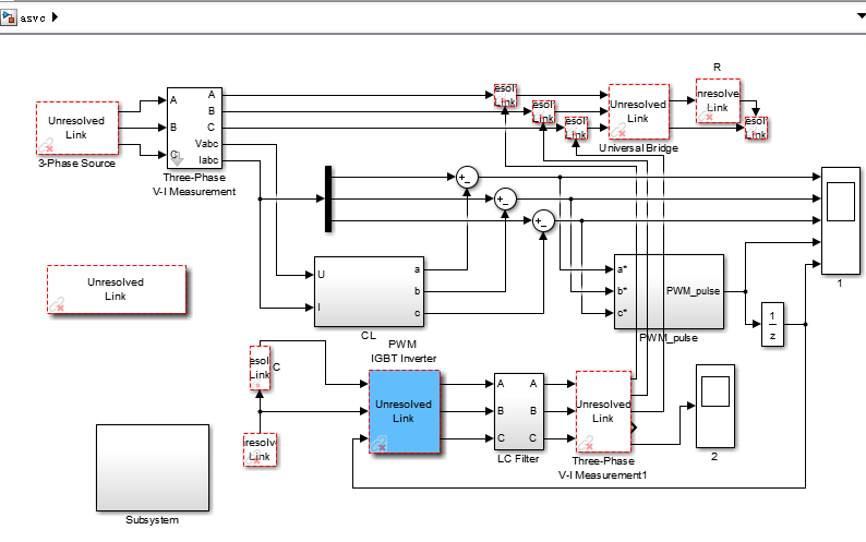
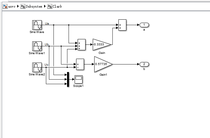
6仿真与调试
6.1仿真工具简介
6.2高压电网无功补偿系统仿真分析
6.2.1试验结果
6.2.2结论分析
总 结
参考文献
致 谢












毕业66资料站 biye66.com ©2015-2026 版权所有 | 微信:15573586651 QQ:3903700237
本站毕业设计和毕业论文资料均属原创者所有,仅供学习交流之用,请勿转载并做其他非法用途.如有侵犯您的版权有损您的利益,请联系我们会立即改正或删除有关内容!