| 设计 任务书 文档 开题 答辩 说明书 格式 模板 外文 翻译 范文 资料 作品 文献 课程 实习 指导 调研 下载 网络教育 计算机 网站 网页 小程序 商城 购物 订餐 电影 安卓 Android Html Html5 SSM SSH Python 爬虫 大数据 管理系统 图书 校园网 考试 选题 网络安全 推荐系统 机械 模具 夹具 自动化 数控 车床 汽车 故障 诊断 电机 建模 机械手 去壳机 千斤顶 变速器 减速器 图纸 电气 变电站 电子 Stm32 单片机 物联网 监控 密码锁 Plc 组态 控制 智能 Matlab 土木 建筑 结构 框架 教学楼 住宅楼 造价 施工 办公楼 给水 排水 桥梁 刚构桥 水利 重力坝 水库 采矿 环境 化工 固废 工厂 视觉传达 室内设计 产品设计 电子商务 物流 盈利 案例 分析 评估 报告 营销 报销 会计 | |||||
|
|||||
|
|||||
|
|||||
摘要
随着电力电子器件和各种非线性设备的使用,以及用户对电能质量要求的不断提高,电能质量中的无功补偿问题显得越来越重要。静止同步补偿器(H-C STATCOM-Static Synchronous Compensatory)以其对系统无功功率补偿的优越性能,成为目前电力系统中最具代表性的无功补偿装置之一,是近年来电力电子与控制领域研究的热点。
首先,本文针对H-C STATCOM系统设计中的关键问题之一,即无功电流的实时检测,介绍了基于p、q运算方式的无功电流检测方法、基于ip、iq运算方式的无功电流检测方法和无锁相环的三相电网无功电流检测法这三种无功电流检测方法的原理,并在MATLAB/simulink中进行了仿真验证,然后对比分析了它们在三相四线制电网负载不平衡和三相电压有频率偏移和畸变的情况下,实时检测无功分量的能力。
然后选定系统容量为10Kvar,电压级别为380V,H-C STATCOM模块选择三单相桥式主电路拓扑,对逆变电路、整流电路、直流侧电容,交流侧连接电感等参数进行了理论设计。
然后,介绍了电流间接控制和电流直接控制中的几种控制方法的原理,并在MATLAB/simulink中进行了仿真验证。
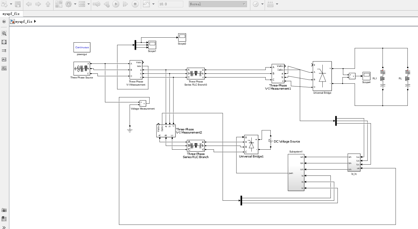
最后,在MATLAB/simulink仿真环境下,在三相四线制电网负载不平衡的情况下,对三种不同检测方式和控制方式的组合控制的系统进行了实时无功补偿的仿真研究,对其中的参数进行调节,从三组仿真模型的a相电压电流补偿前后的波形图和反馈跟踪情况的波形图进行了比较分析,分析了各检测方法和控制方法的优劣。结果证明了静止同步补偿器实现抑制三相不平衡,实时补偿无功分量的可行性。
关键词:H-C STATCOM,无功补偿,三单相桥式主电路,三相不平衡负载,抑制三相不平衡,提高电网效率
Abstract
With the use of power electronic devices and various nonlinear devices, as well as the continuous improvement of users' requirements for power quality, the problem of reactive power compensation in power quality is becoming more and more important.
The stationary synchronous compensator (H-C STATCOM-Static Synchronous Compensatory) has become one of the most representative reactive power compensation devices in the current power system, which is a hot topic in the field of power electronics and control in recent years. Firstly, this paper introduces one of the key problems in the design of H-C STATCOM system, namely the real-time detection of reactive current.
Then the system capacity is 10 Kvar and the voltage level is 380V, and the H-C STATCOM module selects the three-single phase bridge main circuit topology to theoretically design the inverter circuit, rectification circuit, DC side capacitor, AC side connection inductance and other parameters.
Then, the principles of several control methods in current indirect control and direct current control are introduced and verified in MATLA B/simulink. Finally, under the simulation environment of MATLA B/simulink, under the load imbalance of three different four-wire system, the combined control system studied the real-time reactive power compensation, adjust the parameters, analyze the wave graph of voltage and current compensation and the feedback tracking, and analyze the advantages of the detection method and control method.
The results prove the feasibility of the stationary synchronous compensator to suppress the three-phase imbalance and compensate the reactive component in real time.
Key words: H-C STATCOM, reactive power compensation, three-phase single-phase bridge main circuit, three-phase unbalanced load, inhibit the three-phase imbalance, improve the efficiency of the power grid
目录
第1章 绪论
1.1项目背景
1.2主要研究内容
1.3拟解决的主要问题
1.4 实验方法
第2章 实验步骤及结果分析
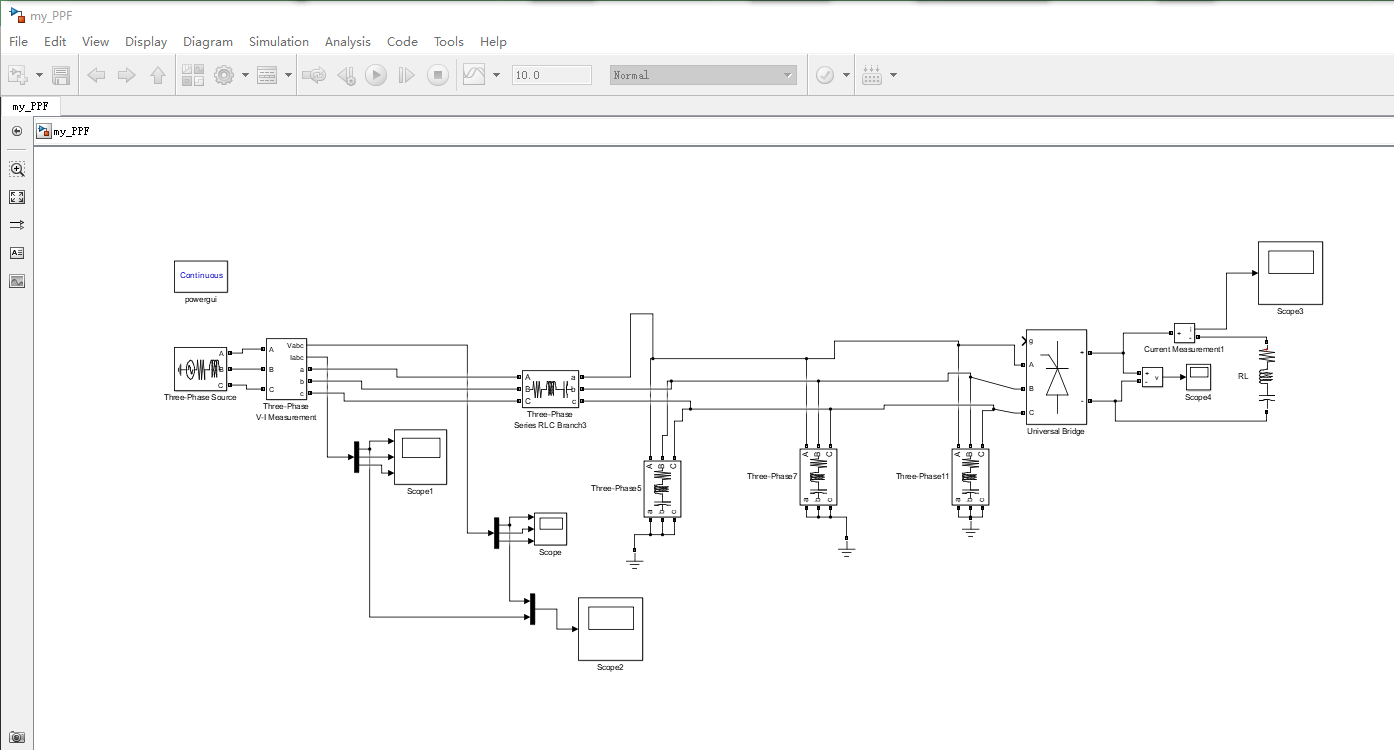
2.1三相电网无功电流检测方法的研究
2.1.1基于瞬时无功功率理论的无功电流检测
①基于p、q运算方式的无功电流检测
②基于ip、iq运算方式的无功电流检测
2.1.2无锁相环的三相电网无功电流检测新方法
①检测原理
②仿真模型
③与ip、iq运算方式检测的比较
第3章 基于三相不平衡负载的H-C STATCOM主电路设计
3.1 H-C STATCOM主电路结构
3.2主电路的设计
3.2.1逆变电路的设计
3.2.2整流电路的设计
3.2.3直流侧电容的选择
3.2.4连接电感的选择
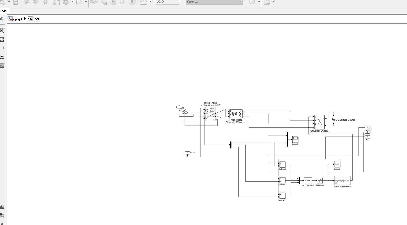
第4章 H-C STATCOM的控制策略的研究
4.1电流直接控制
4.1.1三角波比较法
4.1.2滞环比较法
4.2 H-C STATCOM的IGBT保护
4.2.1 IGBT的过电压保护
①IGBT栅极的保护
②集电极与发射极间的过压保护
4.2.2 IGBT的过电流保护
第5章 交流侧的被动型谐波抑制方案
5.1 无源电力滤波器
5.2有源电力滤波器
5.3混合型滤波器
总 结
参考文献
致 谢











毕业66资料站 biye66.com ©2015-2026 版权所有 | 微信:15573586651 QQ:3903700237
本站毕业设计和毕业论文资料均属原创者所有,仅供学习交流之用,请勿转载并做其他非法用途.如有侵犯您的版权有损您的利益,请联系我们会立即改正或删除有关内容!