| 设计 任务书 文档 开题 答辩 说明书 格式 模板 外文 翻译 范文 资料 作品 文献 课程 实习 指导 调研 下载 网络教育 计算机 网站 网页 小程序 商城 购物 订餐 电影 安卓 Android Html Html5 SSM SSH Python 爬虫 大数据 管理系统 图书 校园网 考试 选题 网络安全 推荐系统 机械 模具 夹具 自动化 数控 车床 汽车 故障 诊断 电机 建模 机械手 去壳机 千斤顶 变速器 减速器 图纸 电气 变电站 电子 Stm32 单片机 物联网 监控 密码锁 Plc 组态 控制 智能 Matlab 土木 建筑 结构 框架 教学楼 住宅楼 造价 施工 办公楼 给水 排水 桥梁 刚构桥 水利 重力坝 水库 采矿 环境 化工 固废 工厂 视觉传达 室内设计 产品设计 电子商务 物流 盈利 案例 分析 评估 报告 营销 报销 会计 | |||||
|
|||||
|
|||||
|
|||||
摘要
本选题来源于现代电机控制技术的发展趋势和实际需求。随着工业自动化程度的不断提高,永磁同步电机作为一种高效、节能、性能优良的驱动电机,在工业生产、交通运输、家用电器等领域得到了广泛应用。无差拍电流预测控制作为一种先进的电机控制策略,能够有效提高电机的动态响应速度和运行稳定性,减少能量损耗,因此在永磁同步电机的控制中具有重要的研究价值和应用前景。本选题旨在通过研究永磁同步电机无差拍电流预测电流预测控制策略,深入探讨其在电机调速系统中的应用,为提升永磁同步电机的控制性能和效率提供理论支持和实践指导。同时,通过仿真分析验证该控制策略的有效性,为实际工程应用提供有益的参考和借鉴。因此,本选题具有重要的理论意义和实践价值,不仅有助于推动电机控制技术的发展和创新,还能够为相关行业的转型升级和可持续发展提供有力支持。
本文围绕永磁同步电机无差拍电流预测电流预测控制展开研究,重点分析了该控制策略在电机调速系统中的应用。首先,文章概述了永磁同步电机变频调速控制的发展历程和当前的研究现状,指出了无差拍电流预测控制在提高电机运行性能和效率方面的重要性。其次,文章详细介绍了Simulink数字信号处理器的结构和工作原理,为后续的电机控制系统设计提供了理论基础。在此基础上,文章重点探讨了永磁同步电机的主电路和控制回路的设计,包括电机驱动电路、功率变换电路、电流采样电路等关键部分。最后,通过仿真分析,验证了无差拍电流预测控制在永磁同步电机调速系统中的有效性,为实际工程应用提供了有价值的参考。
关键词:永磁同步电机;无差拍电流预测控制;Simulink;变频调速;仿真分析
Abstract
This topic comes from the development trend and actual demand of modern motor control technology. With the continuous improvement of the degree of industrial automation, permanent magnet synchronous motor as an efficient, energy saving, excellent performance of the drive motor, has been widely used in industrial production, transportation, household appliances and other fields. As an advanced motor control strategy, free current prediction control can effectively improve the dynamic response speed and operation stability of the motor and reduce energy loss, so it has important research value and application prospect in the control of permanent magnet synchronous motor. The purpose of this topic is to study the prediction and control strategy of permanent magnet synchronous motor in the motor speed regulation system, and provide theoretical support and practical guidance for improving the control performance and efficiency of permanent magnet synchronous motor. At the same time, the effectiveness of the control strategy through simulation analysis provides useful reference for practical engineering applications. Therefore, this topic has important theoretical significance and practical value, which not only helps to promote the development and innovation of motor control technology, but also can provide strong support for the transformation and upgrading and sustainable development of related industries.
This paper focuses on the prediction and control of current current and focuses on the application of the control strategy in the motor speed control system. Firstly, the paper summarizes the development process of the inverter speed control and the current status of the research, and points out the importance of the free current prediction control in improving the motor performance and efficiency. Secondly, this paper introduces the structure and working principle of Simulink digital signal processor in detail, which provides a theoretical basis for the subsequent design of motor control system. On this basis, the paper focuses on the design of the main circuit and control circuit of the permanent magnet synchronous motor, including the motor drive circuit, power conversion circuit, current sampling circuit and other key parts. Finally, the effectiveness of the current prediction control, which provides a valuable reference for practical engineering applications.
Key words: permanent magnet synchronous motor; differential current prediction control; Simulink; frequency conversion speed regulation; simulation analysis
目 录
第1章 绪论
1.1 选题背景及意义
1.1.1 选题背景
1.1.2 选题意义
1.2 国内外研究现状及发展趋势
1.2.1 国内研究现状
1.2.2 国外研究现状
1.2.3 发展趋势
1.3 软件介绍
1.3.1 MATLAB软件详细介绍
1.3.2 Simulink仿真平台详解
1.4研究主要内容
1.4.1 研究方法
1.4.2 研究思路
1.4.3 本文的设计内容
1.4.4 预期结果及创新点
第2章 永磁同步电机无差拍电流预测基本原理
2.1理想永磁同步电机无差拍电流预测假设
2.2 abc/dq模型的建立
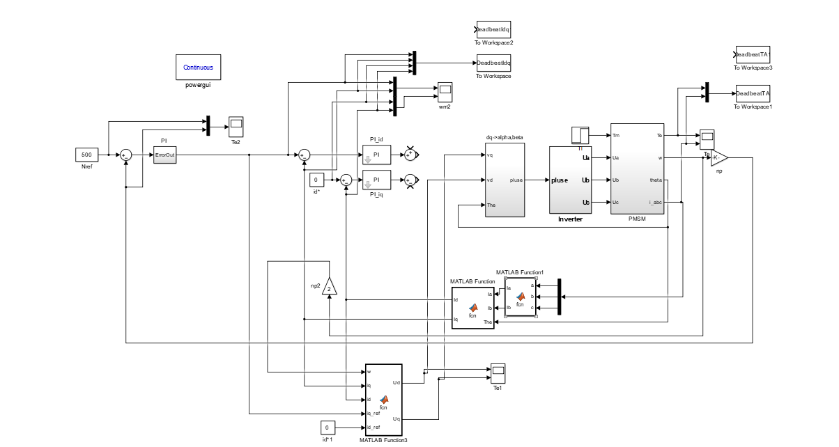
第3章 仿真系统总体设计
3.1系统对象
3.2系统分块
3.2.1电源
3.2.2 abc/dq转换器
3.2.3电机
3.2.4电磁转矩
3.3无差拍电流预测环节
第4章 仿真系统详细设计
4.1总体设计
4.2具体设计
4.2.1电源
4.2.3 abc/dq转换器
4.2.4电机
4.2.5电磁转矩
4.3无差拍电流预测环节
第5章 系统仿真运行
5.1输出结果稳定情况
5.2小结
第6章 总结与展望
6.1总结
6.2展望
致 谢
参考文献
附 录
附录A
附录B













毕业66资料站 biye66.com ©2015-2026 版权所有 | 微信:15573586651 QQ:3903700237
本站毕业设计和毕业论文资料均属原创者所有,仅供学习交流之用,请勿转载并做其他非法用途.如有侵犯您的版权有损您的利益,请联系我们会立即改正或删除有关内容!