| 设计 任务书 文档 开题 答辩 说明书 格式 模板 外文 翻译 范文 资料 作品 文献 课程 实习 指导 调研 下载 网络教育 计算机 网站 网页 小程序 商城 购物 订餐 电影 安卓 Android Html Html5 SSM SSH Python 爬虫 大数据 管理系统 图书 校园网 考试 选题 网络安全 推荐系统 机械 模具 夹具 自动化 数控 车床 汽车 故障 诊断 电机 建模 机械手 去壳机 千斤顶 变速器 减速器 图纸 电气 变电站 电子 Stm32 单片机 物联网 监控 密码锁 Plc 组态 控制 智能 Matlab 土木 建筑 结构 框架 教学楼 住宅楼 造价 施工 办公楼 给水 排水 桥梁 刚构桥 水利 重力坝 水库 采矿 环境 化工 固废 工厂 视觉传达 室内设计 产品设计 电子商务 物流 盈利 案例 分析 评估 报告 营销 报销 会计 | |||||
|
|||||
|
|||||
|
|||||
关键词:超声波;清洗机;PLC。
Abstract
Ultrasonic cleaning began in the early 1950s, with the development of technology application widening. Currently has been widely used in electronic industry, semiconductor device, cleaning tube parts and printing circuit, relays, switches and filter; etc. Mechanical industry for the cleaning gears, bearings, diesel oil, fuel filter, valves and other mechanical parts, such as engine and missile components, such as watch of small parts, Again, such as optical and medical equipment used for washing various aspects lens, glasses and frame, glassware, medical and surgical instruments, etc.;The system is the integrated use of mechatronics technology, mainly used in the electronic control PLC control, PLC has high reliability, strong anti-interference ability, good flexibility, easy programming, the overall system of the original complex action into a fairly simple operation, the electrical system with Mitsubishi PLC control, control electronics are made of new materials or imported brand-name components, durable, low noise, reliability and operability of the system are improved.
Key words: ultrasonic, Cleaner,PLC.
目录
摘 要
Abstract
目录
1 绪论1
1.1 课题的来源及其意义 1
1.1.1 课题的来源 1
1.1.2 课题的意义 1
2 超声波清洗 3
2.1.1 什么是超声波? 3
2.1.2 超声波清洗的原理 3
2.1.3 影响超声波清洗效果的因素及选择 3
2.1.4 超声波清洗的特点 6
2.1.5 超声波清洗技术在我国的发展及现状 10
3 超声波清洗机的结构设计 11
3.1 清洗机总体结构的设计 11
3.2 传动部分的设计 12
3.2.1 方案的选择 12
3.2.1 电机的选择 13
3.2.2 链轮的设计选择4
3.2.3齿轮齿条的选择和校核 15
3.3 机械手执行件的设计 18
3.3.1 提升架的设计 18
3.3.2 其它零部件的设计 19
3.4 其它部件说明 21
3.4.1技术参数说明 21
3.4.2 设备主要装置 26
4 电气部分设计 27
4.1 电器元件 27
4.1.1 增量式编码器 27
4.1.2 温控器 27
4.1.3 变频器8
4.1.4 触摸屏 29
4.2 PLC控制系统简介 29
4.3 PLC的安装,调试,及系统的维护 31
4.4 PLC 控制系统的设计 33
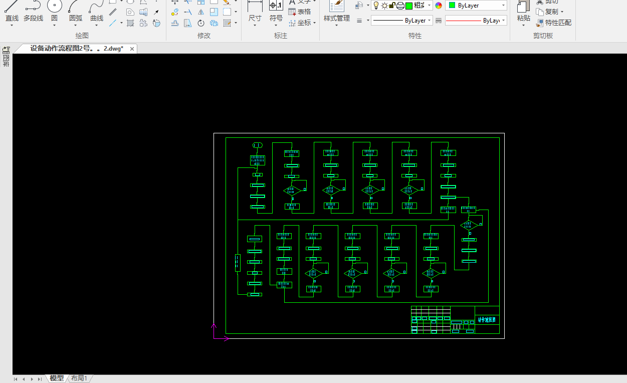
4.3.1 控制流程的拟订 33
4.3.2 PLC控制电路元器件的选用及电气原理图的绘制 34
4.3.3 PLC程序的编制 34


























毕业66资料站 biye66.com ©2015-2026 版权所有 | 微信:15573586651 QQ:3903700237
本站毕业设计和毕业论文资料均属原创者所有,仅供学习交流之用,请勿转载并做其他非法用途.如有侵犯您的版权有损您的利益,请联系我们会立即改正或删除有关内容!