| 设计 任务书 文档 开题 答辩 说明书 格式 模板 外文 翻译 范文 资料 作品 文献 课程 实习 指导 调研 下载 网络教育 计算机 网站 网页 小程序 商城 购物 订餐 电影 安卓 Android Html Html5 SSM SSH Python 爬虫 大数据 管理系统 图书 校园网 考试 选题 网络安全 推荐系统 机械 模具 夹具 自动化 数控 车床 汽车 故障 诊断 电机 建模 机械手 去壳机 千斤顶 变速器 减速器 图纸 电气 变电站 电子 Stm32 单片机 物联网 监控 密码锁 Plc 组态 控制 智能 Matlab 土木 建筑 结构 框架 教学楼 住宅楼 造价 施工 办公楼 给水 排水 桥梁 刚构桥 水利 重力坝 水库 采矿 环境 化工 固废 工厂 视觉传达 室内设计 产品设计 电子商务 物流 盈利 案例 分析 评估 报告 营销 报销 会计 | |||||
|
|||||
|
|||||
|
|||||
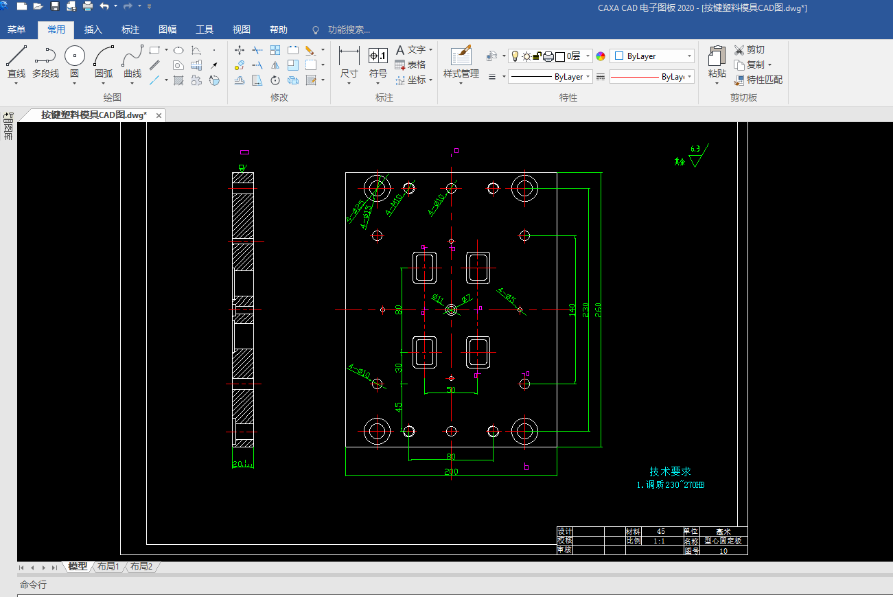
本毕业设计专注于按键塑料模具的设计与实现,旨在满足现代电子产品对按键部件的高精度、高质量及高效率生产需求。设计初期,详细分析了按键塑件的原材料特性、结构工艺要求以及尺寸精度和几何形状等关键设计要素,确保模具设计能够精准匹配塑件的生产要求。
在模具设计过程中,重点考虑了注塑工艺条件对模具结构的影响,特别是分型面的选择与优化,以确保塑件在注塑过程中能够顺利脱模并保持良好的成型质量。同时,针对按键塑件的特殊需求,精心设计了浇注系统、推出机构以及温度调节系统,旨在提高注塑效率和塑件的一致性。
此外,本研究还深入探讨了模具与注塑机的匹配问题,确保模具能够稳定、高效地运行于注塑机之上。通过综合运用先进的模具设计理念和优化策略,完成了按键塑料模具的整体设计,并进行了详细的设计计算和校核,以验证模具设计的合理性和可靠性。
关键词:按键塑料模具设计,注塑工艺,分型面优化,浇注系统设计,推出机构设计,温度调节系统,注塑机匹配
This graduation design focuses on the design and realization of key plastic mold, aiming to meet the needs of modern electronic products for high precision, high quality and high efficiency production of key components. At the initial stage of the design, the key design elements such as raw material characteristics, structural process requirements, dimensional accuracy and geometric shape are analyzed in detail to ensure that the mold design can accurately match the production requirements of the plastic parts.
In the process of mold design, the influence of injection process conditions on the mold structure, especially the selection and optimization of typing surface, to ensure that the plastic parts can demold smoothly and maintain good molding quality in the injection molding process. At the same time, according to the special needs of the key plastic parts, the pouring system, the launch mechanism and the temperature regulation system are carefully designed to improve the efficiency of injection molding and the consistency of the plastic parts.
In addition, this study also discusses the matching problem of the mold and the injection molding machine to ensure that the mold can operate stably and efficiently on the injection molding machine. Through the comprehensive application of advanced mold design concept and optimization strategy, the overall design of the key plastic mold is completed, and the detailed design calculation and check are carried out to verify the rationality and reliability of the mold design.
Key words: key press plastic mold design, injection molding process, classification surface optimization, pouring system design, launch mechanism design, temperature regulation system, injection molding machine matching
目 录
第一章 概述……………………………………………………………2
第二章说明书正文……………………………………………………3
2.1 塑件的原材料及结构工艺分析………………………………4
2.2 零件的工作尺寸………………………………………………5
2.3 浇注系统的设计………………………………………………8
2.4 分型面的选择…………………………………………………9
2.5 脱模机构的设计………………………………………………10
2.6 注射模的结构设计……………………………………………11
2.7 校核……………………………………………………………12
2.8 冷却系统的设计………………………………………………13
2.9 热塑性制品的设计原则………………………………………13
3.1 装配图…………………………………………………………14
第三章 模具制造业的优缺点………………………………………15
第四章 小结……………………………………………………………16
参考文献 ………………………………………………………………17













毕业66资料站 biye66.com ©2015-2026 版权所有 | 微信:15573586651 QQ:3903700237
本站毕业设计和毕业论文资料均属原创者所有,仅供学习交流之用,请勿转载并做其他非法用途.如有侵犯您的版权有损您的利益,请联系我们会立即改正或删除有关内容!