设计 任务书 文档 开题 答辩 说明书 格式 模板 外文 翻译 范文 资料 作品 文献 课程 实习 指导 调研 下载 网络教育 计算机 网站 网页 小程序 商城 购物 订餐 电影 安卓 Android Html Html5 SSM SSH Python 爬虫 大数据 管理系统 图书 校园网 考试 选题 网络安全 推荐系统 机械 模具 夹具 自动化 数控 车床 汽车 故障 诊断 电机 建模 机械手 去壳机 千斤顶 变速器 减速器 图纸 电气 变电站 电子 Stm32 单片机 物联网 监控 密码锁 Plc 组态 控制 智能 Matlab 土木 建筑 结构 框架 教学楼 住宅楼 造价 施工 办公楼 给水 排水 桥梁 刚构桥 水利 重力坝 水库 采矿 环境 化工 固废 工厂 视觉传达 室内设计 产品设计 电子商务 物流 盈利 案例 分析 评估 报告 营销 报销 会计
Logo 顶部广告
首页 | 机械毕业设计 | 电子电气毕业设计 | 计算机毕业设计 | 土木工程毕业设计 | 视觉传达毕业设计 | 理工论文 | 文科论文 | 毕设资料 | 帮助中心
今天是: |>>> 您现在的位置:首页>>>>文档详细内容
标题:

基于MatlabSimulin的微电网模型及光伏电池建模仿真分析 毕业论文+仿真模型源文件+答辩PPT


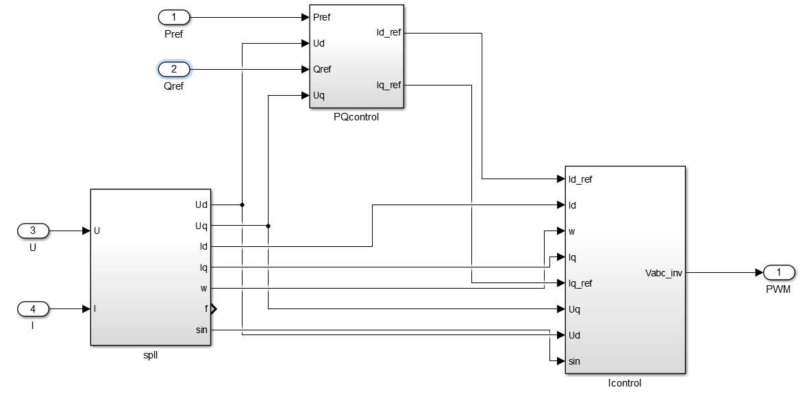
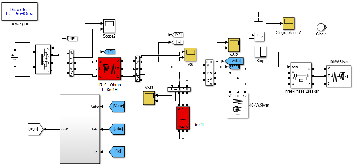
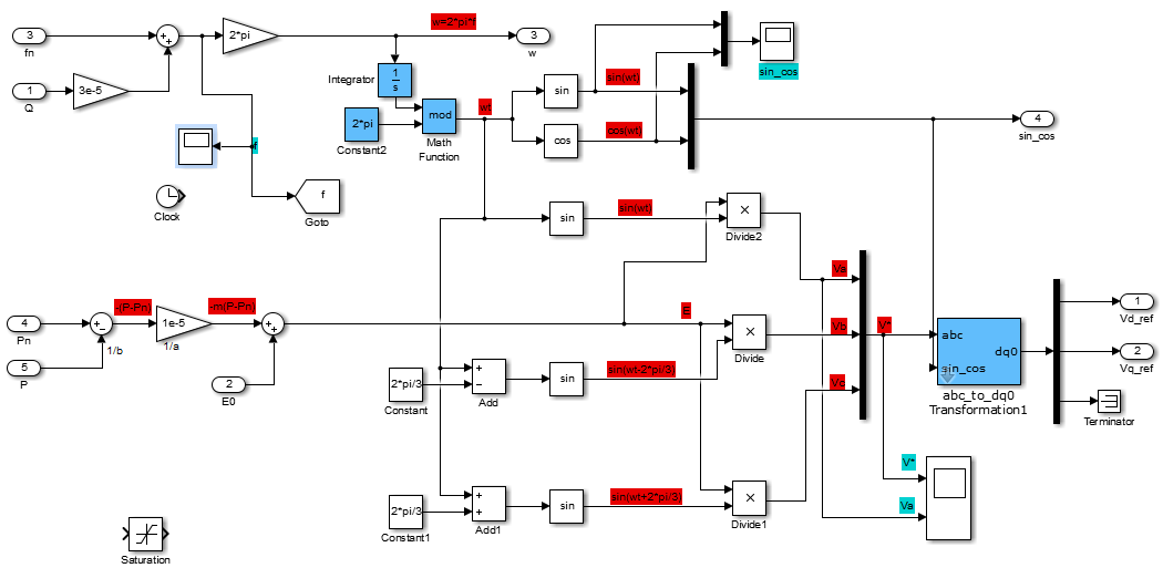
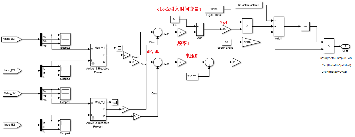
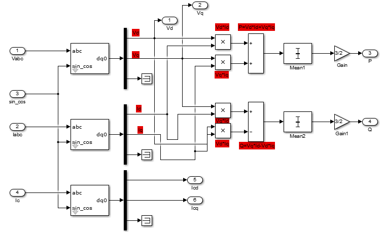
摘要电力系统是维持社会生活与生产的基本保障,然而随着越来越多的大面积停电时间的发生,传统大规模电网的弊端越来越明显。于是,世界各国都开始关注基于可再生能源的分布式发电技术,同时,微电网概念的提出很好的解决了分布式电源过多接入大电网所产生的不利影响。微电网是从系统的角度定义的,它将分布式电源、负荷、储能单元以及控制装置等结合起来,形成一个独立的系统,并且具有并网运行和孤岛运行两种典型的运行方式:正常情况下,微电网通过公共连接点与外部大电网连接运行,有效的解决了分布式电源大规模的接入问题,并为大电网提供支撑。当大电网产生故障,微电网能够快速断开并过渡到孤岛运行,保证了本地重要负荷的不间断供电。本文首先介绍了微电网的基本知识,包括微电网的概念、研究应用以及主要组成部分,如开关器件、分布式电源和储能单元等,然后给出三相电压源型逆变器电路拓扑,并分别推导出其在自然坐标系和dq旋转坐标系下的数学模型。接着本文介绍了恒功率PQ控制和下垂控制等的微网控制方法,分析各自适用性和优缺点,并给出理论依据。在仿真模型的建立和结果分析部分,由于光伏电池在实际生活中的推广应用,本文首先进行光伏电池的建模和仿真分析,并采用MPPT,即最大功率点跟踪,进行光伏电池的输出电压和电流的实时监测。然后针对恒功率PQ控制方法建立孤岛和并网工作模式下的微网模型,通过输出电压以及系统频率波动验证控制方法的准确性。对于Droop控制理论,本文同样建立单电源的孤岛和并网以及分布式电源并网仿真模型,通过系统频率波动以及输出电压验证Droop控制方法的准确性。综上,本文主要运用Matlab/Simulink软件搭建微电网模型,并分析在微电网孤岛和并网运行模式下控制方法的准确性。关键词:微电网控制  PQ控制  Droop控制  Matlab/Simulink软件AbstractThe power system is the basic guarantee to maintain the social life and production. However, as more and more large-scale power outages occur, the disadvantages of the traditional large-scale power grid become more and more obvious. As a result, all countries in the world are beginning to pay attention to distributed generation technology based on renewable energy. At the same time, the concept of microgrid is a good solution to the adverse effect of distributed generation in large power grids. Micro-grid is defined from a system perspective. It combines distributed power, load, energy storage unit and control device to form an independent system. It has two typical operation modes of grid-connected operation and island operation: Normal Under the circumstance, the microgrid is connected with an external large power grid through a public connection point, effectively solving the problem of large-scale access to distributed power and providing support for large power grids. When a large power grid fails, the microgrid can quickly disconnect and transition to island operation, ensuring uninterrupted power supply to important local loads.This paper first introduces the basic knowledge of microgrid, including the concept of micro-grid, research and application as well as the main components, such as switching devices, distributed power and energy storage unit, and then gives three-phase voltage source inverter circuit topology, And deduces its mathematical model in natural coordinate system and dq rotating coordinate system respectively. Then this paper introduces the constant power PQ control and droop control and other micro-grid control methods, analysis of their respective applicability and advantages and disadvantages, and gives the theoretical basis.In the simulation model establishment and result analysis part, due to the popularization and application of photovoltaic cells in real life, this paper first modeling and simulation analysis of photovoltaic cells, and using MPPT, the maximum power point tracking, photovoltaic cell output voltage and Then for the constant power PQ control method, the microgrid model under the islanding and grid connection working mode is established, and the accuracy of the control method is verified by the output voltage and the system frequency fluctuation. For Droop control theory, this paper also establishes a single-supply island and grid and distributed power grid-connected simulation model, through the system frequency fluctuations and output voltage verification Droop control method accuracy.In summary, this paper mainly uses the Matlab / Simulink software to build the micro-grid model and analyzes the accuracy of the control method in the microgrid grid-connected and grid-connected operation mode.Keywords: Micro-grid control   PQ control   Droop control   Matlab / Simulink software目录第一章 微电网 11.1概念 11.2技术应用 11.3 研究意义 1第二章 微电网组成元件 22.1 开关器件 22.1.1 断路器 22.1.2 静态开关 22.2 分布式电源 32.3 储能单元 32.4 电力电子接口电路 4第三章 微电网控制及逆变器原理 43.1 微电网的基本结构 43.2 微电网的系统控制概述 53.3 逆变器结构及其原理 5第四章 基于逆变控制的三相全桥逆变器 64.1 三相电压源型逆变器数学模型 64.1.1 三相静止坐标系下的数学模型 74.1.3 dq两相旋转坐标系下的数学模型 84.2 恒功率PQ控制 94.3 Droop控制原理 11第五章 基于下垂控制的微网逆变器双模式运行研究 135.1 光伏电池建模与仿真分析 135.1.2 工程数学模型 145.1.2光伏电池模型的仿真 155.2 基于PQ控制的仿真模型 205.2.1 孤岛模式下PQ控制的仿真分析 205.2.2 并网模式下PQ控制的仿真分析 225.3 简单下垂控制仿真模型建立 255.3.1 模型建立 255.3.2 仿真结果: 265.4 微网逆变器不同工作模式的平滑切换 265.4.1 单电源孤岛运行仿真模型建立 275.4.2 单电源并网运行仿真模型建立 335.4.3分布式电源的并网仿真 35致谢 37























| 关于我们 | 友情链接 | 毕业设计招聘 |

毕业66资料站 biye66.com ©2015-2026 版权所有 | 微信:15573586651 QQ:3903700237

本站毕业设计和毕业论文资料均属原创者所有,仅供学习交流之用,请勿转载并做其他非法用途.如有侵犯您的版权有损您的利益,请联系我们会立即改正或删除有关内容!