设计 任务书 文档 开题 答辩 说明书 格式 模板 外文 翻译 范文 资料 作品 文献 课程 实习 指导 调研 下载 网络教育 计算机 网站 网页 小程序 商城 购物 订餐 电影 安卓 Android Html Html5 SSM SSH Python 爬虫 大数据 管理系统 图书 校园网 考试 选题 网络安全 推荐系统 机械 模具 夹具 自动化 数控 车床 汽车 故障 诊断 电机 建模 机械手 去壳机 千斤顶 变速器 减速器 图纸 电气 变电站 电子 Stm32 单片机 物联网 监控 密码锁 Plc 组态 控制 智能 Matlab 土木 建筑 结构 框架 教学楼 住宅楼 造价 施工 办公楼 给水 排水 桥梁 刚构桥 水利 重力坝 水库 采矿 环境 化工 固废 工厂 视觉传达 室内设计 产品设计 电子商务 物流 盈利 案例 分析 评估 报告 营销 报销 会计
Logo 顶部广告
首页 | 机械毕业设计 | 电子电气毕业设计 | 计算机毕业设计 | 土木工程毕业设计 | 视觉传达毕业设计 | 理工论文 | 文科论文 | 毕设资料 | 帮助中心
今天是: |>>> 您现在的位置:首页>>>>文档详细内容
标题:

基于微信小程序的茶叶在线商城系统(Java后台)


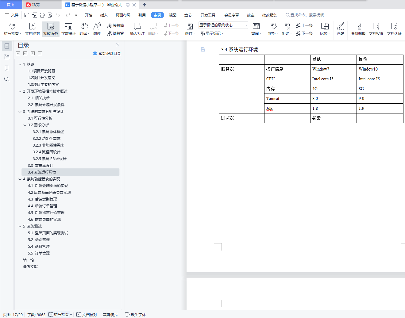
摘 要微信小程序在日常生活中应用越来越广,网上消费、游戏娱乐等成为了一种常见应用方式。为进一步了解和探索微信小程序在点餐系统中的潜在价值和意义,本文通过使用 Javascript 技术、Spring boot、vue、WXML、WXSS 等技术,开发了基于微信小程序的茶叶购买系统,实现了浏览商品、下单结算、分享等功能,基本满足了用户购物方面的需求,并且该系统具有随用随走,不需要下载 APP,使用方便等特点。这一小程序的开发能为以后开发类似的小程序提供借鉴和帮助,具有一定的理论和实际意义。关键词: 关键词:茶叶购买,Java,VUE,MYSQLWechat apps are more and more widely used in daily life, online consumption, games and entertainment have become a common way of application. In order to further understand and explore the potential value and significance of wechat applets in the ordering system, this paper uses javascript technology, spring boot, Vue, wxml, wxss The tea purchase system based on wechat applet is developed, which realizes the functions of Browsing Goods, ordering settlement, sharing and so on, and basically meets the needs of users in terms of shopping. Moreover, the system has the characteristics of "go with you", no need to download app, and easy to use. The development of this small program can provide reference and help for the future development of similar small programs, which has certain theoretical and practical significance.Key words: tea purchase, Java, Vue, MySQL目录1 绪论 31.1 项目开发背景 41.2 项目开发意义 41.3 项目主要的内容 42 开发环境及相关技术概述 42.1 相关技术 42.2 系统环境开发条件 63 系统的需求分析与设计 63.1可行性分析 63.2需求分析 63.2.1系统总体概述 63.2.2功能性需求 73.2.3非功能性需求 73.2.4流程图设计 83.2.5系统ER图设计 103.3 数据库设计 123.4系统运行环境 154 系统功能模块的实现 154.1 后端登陆页面的实现 164.2后端商品列表页面实现 174.3 后端类别管理 184.4 后端订单管理 194.5 后端留言评论管理 194.6 前端页面的实现 20商品前端展示列表部分代码如下: 215 系统测试 225.1 登陆页面的实现测试 235.2 类别管理 235.4 商品管理 245.5 订单管理 24结 论 24参考文献 25


















| 关于我们 | 友情链接 | 毕业设计招聘 |

毕业66资料站 biye66.com ©2015-2026 版权所有 | 微信:15573586651 QQ:3903700237

本站毕业设计和毕业论文资料均属原创者所有,仅供学习交流之用,请勿转载并做其他非法用途.如有侵犯您的版权有损您的利益,请联系我们会立即改正或删除有关内容!