| 设计 任务书 文档 开题 答辩 说明书 格式 模板 外文 翻译 范文 资料 作品 文献 课程 实习 指导 调研 下载 网络教育 计算机 网站 网页 小程序 商城 购物 订餐 电影 安卓 Android Html Html5 SSM SSH Python 爬虫 大数据 管理系统 图书 校园网 考试 选题 网络安全 推荐系统 机械 模具 夹具 自动化 数控 车床 汽车 故障 诊断 电机 建模 机械手 去壳机 千斤顶 变速器 减速器 图纸 电气 变电站 电子 Stm32 单片机 物联网 监控 密码锁 Plc 组态 控制 智能 Matlab 土木 建筑 结构 框架 教学楼 住宅楼 造价 施工 办公楼 给水 排水 桥梁 刚构桥 水利 重力坝 水库 采矿 环境 化工 固废 工厂 视觉传达 室内设计 产品设计 电子商务 物流 盈利 案例 分析 评估 报告 营销 报销 会计 | |||||
|
|||||
|
|||||
|
|||||
摘 要
给料装置自动化是随着现代信息技术与控制技术的进步而发展起来的,广泛应用于机床、矿山、冶金等行业。从以前的手工给料,到半自动化,再到自动化,甚至智能化,给料装备发展迅猛。
本课题所改进的给料装置是应用于铸造球墨铸铁管流水线上的孕育剂的给料装置。不同直径的管道孕育剂的需要量不同,否则会影响铸管的抗腐蚀性能和耐用程度。目前所使用的给料装置只能给DN300mm的管道定量加料,而DN1000mm的管道需要人工补料。
本设计完成了给料装置传动系统的设计与零件的校核;基于UG的三维设计与表达;PLC的编程设计。通过本设计实现了自动控制进料量的孕育剂自动给料装置。此装置只需要工人根据所生产的管道的直径选择选择相对应速度就可以了,为管道质量提供了保障,同时节省了人力。
关键词:给料装置;改造设计;三维建模;强度校核
Abstract
With the development of information technology and automatic technology, the technology of automatic feeding becomes more and more mature. And now automatic feeding devices are generally used in the field of machine tools、mines and metallurgical industries. From the beginning of manual feeding to the semi-automatic feeding and automatic feeding, even artificial intelligence feeding, the feeding device really made great progress.
The feeding device remade in this subject operates on the pipelining of casting nodular cast iron pipe. The pipes of different caliber demand different qualities of inoculant, or this will decrease the properties of anti- corrodibility and durable performance. At the moment, the feeding device working could provide accurate inoculant for the casting of pipes in DN 300 mm while the type of DN 1000 mm needs extra inoculant by hand labor.
After the whole design, the design of drive system and the calculation of components have been finished. The three-dimensional design based on UG and the design of PLC program are also fulfilled. The design of automatic feeding device has been completed. According to the caliber of the pipe, the workers can choose the right speed so that the qualities of the pipes could be warrantable.
Keyword: Feeding device; Remaking; Three-dimensional modeling; Strength calculation
1 绪论
1.1自动进料装置的发展过程及趋势
1.2课题的研究背景与意义
1.3课题主要内容。
2 给料装置
2.1给料装置的种类和特点
2.2工厂所用给料装置
3 孕育剂给料装置建模
3.1 UG特点
3.2螺旋轴建模
3.3部件建模
4 主传动运动系统设计
4.1电动机选择
4.2传动系统设计
4.2.1主轴等参数确定
4.2.2传动轴轴颈估算
4.2.3齿轮模数估算
4.3皮带轮传动设计
4.4传动系统视图
5 轴承与齿轮的强度校核
5.1齿轮强度校核
5.2齿轮弯曲应力校核
5.3轴承寿命校核
6 给料行程控制
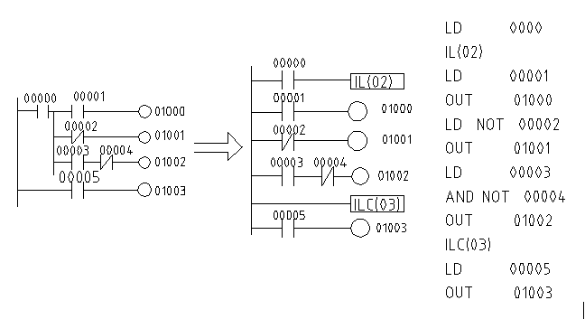
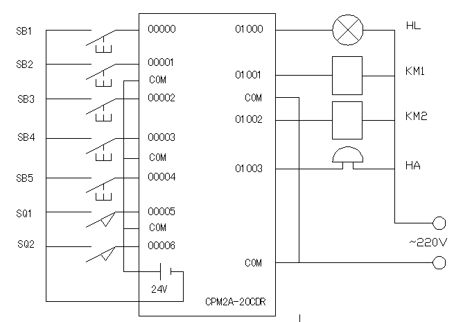
6.1 OMRON PLC
6.1.1 PLC特点
6.1.2指令介绍
6.2孕育剂给料装置任务流程
6.3给料控制动作实现
结论
致谢
参考文献


























毕业66资料站 biye66.com ©2015-2026 版权所有 | 微信:15573586651 QQ:3903700237
本站毕业设计和毕业论文资料均属原创者所有,仅供学习交流之用,请勿转载并做其他非法用途.如有侵犯您的版权有损您的利益,请联系我们会立即改正或删除有关内容!