| 设计 任务书 文档 开题 答辩 说明书 格式 模板 外文 翻译 范文 资料 作品 文献 课程 实习 指导 调研 下载 网络教育 计算机 网站 网页 小程序 商城 购物 订餐 电影 安卓 Android Html Html5 SSM SSH Python 爬虫 大数据 管理系统 图书 校园网 考试 选题 网络安全 推荐系统 机械 模具 夹具 自动化 数控 车床 汽车 故障 诊断 电机 建模 机械手 去壳机 千斤顶 变速器 减速器 图纸 电气 变电站 电子 Stm32 单片机 物联网 监控 密码锁 Plc 组态 控制 智能 Matlab 土木 建筑 结构 框架 教学楼 住宅楼 造价 施工 办公楼 给水 排水 桥梁 刚构桥 水利 重力坝 水库 采矿 环境 化工 固废 工厂 视觉传达 室内设计 产品设计 电子商务 物流 盈利 案例 分析 评估 报告 营销 报销 会计 | |||||
|
|||||
|
|||||
|
|||||
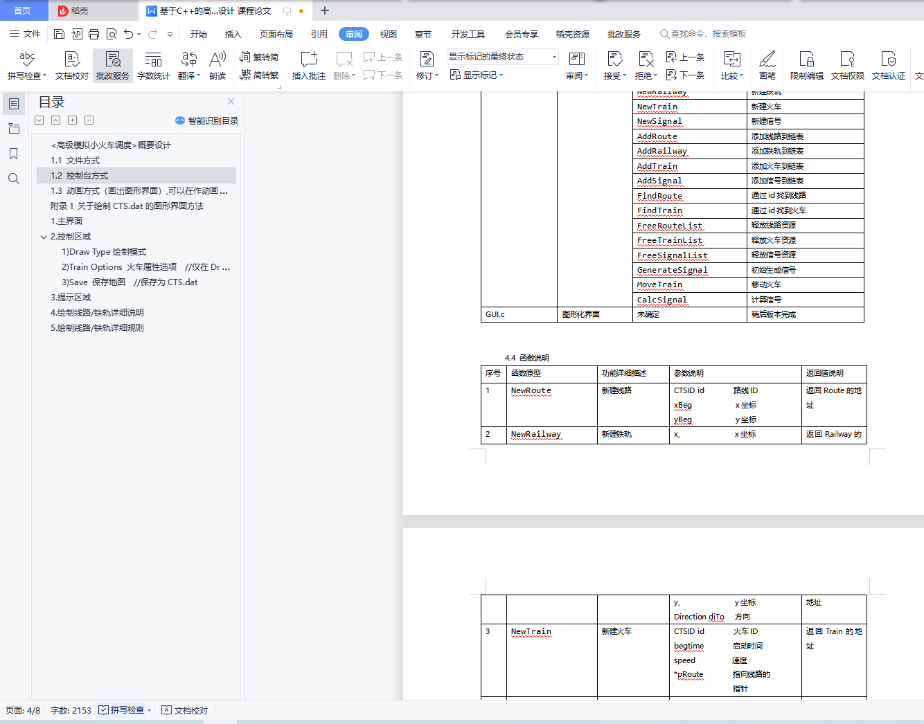
目录<高级模拟小火车调度>概要设计 11.1 文件方式 11.2 控制台方式 21.3 动画方式(画出图形界面),可以在作动画版本时更新和补充. 2附录1 关于绘制CTS.dat的图形界面方法 81. 主界面 82. 控制区域 81) Draw Type绘制模式 82) Train Options 火车属性选项 //仅在Draw Train时有效 93) Save 保存地图 //保存为CTS.dat 93. 提示区域 94. 绘制线路/铁轨详细说明 95. 绘制线路/铁轨详细规则 9<高级模拟小火车调度>概要设计⒈用户界面设计1.1 文件方式A. [输入文件] CTS.dat地图长 地图宽R 起点x 起点y转折点x 转折点y 方向…(最后一个点为终点)-1//-1//-1T 发车时间 运行速度…(循环R… T…)E[注] CTS.dat可以由Edit Mode通过图形界面绘制(绘制规则 见附录1)B. [输入文件] CTS.logT=当前时间 S=当前策略Train=火车序号 位置x 位置y 运行状态……1.2 控制台方式A. 输入空格键 切换不同策略Q/Esc 退出程序B. 输出与输出文件CTS.log格式相同1.3 动画方式(画出图形界面),可以在作动画版本时更新和补充.







毕业66资料站 biye66.com ©2015-2026 版权所有 | 微信:15573586651 QQ:3903700237
本站毕业设计和毕业论文资料均属原创者所有,仅供学习交流之用,请勿转载并做其他非法用途.如有侵犯您的版权有损您的利益,请联系我们会立即改正或删除有关内容!