| 设计 任务书 文档 开题 答辩 说明书 格式 模板 外文 翻译 范文 资料 作品 文献 课程 实习 指导 调研 下载 网络教育 计算机 网站 网页 小程序 商城 购物 订餐 电影 安卓 Android Html Html5 SSM SSH Python 爬虫 大数据 管理系统 图书 校园网 考试 选题 网络安全 推荐系统 机械 模具 夹具 自动化 数控 车床 汽车 故障 诊断 电机 建模 机械手 去壳机 千斤顶 变速器 减速器 图纸 电气 变电站 电子 Stm32 单片机 物联网 监控 密码锁 Plc 组态 控制 智能 Matlab 土木 建筑 结构 框架 教学楼 住宅楼 造价 施工 办公楼 给水 排水 桥梁 刚构桥 水利 重力坝 水库 采矿 环境 化工 固废 工厂 视觉传达 室内设计 产品设计 电子商务 物流 盈利 案例 分析 评估 报告 营销 报销 会计 | |||||
|
|||||
|
|||||
|
|||||
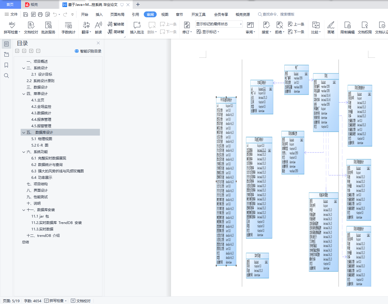
目录一、项目概述 1二、系统设计 22.1 设计目标 22.2 系统设计原则 2三、数据设计 2四、菜单设计 34.1.主页 34.2.全场监控 34.3.数据统计 34.4.报表管理 44.5.报警管理 4五、 数据库设计 45.1 物理视图 45.2 E-R 图 5六、系统功能 76.1 完整实时数据展现 76.2 数据统计与查询 76.3 强大的风势折线与风频玫瑰图 76.4 功率展示 7七、项目结构 10八、界面设计 12九、性能测试 15十、说明 16十一、数据库安装 1611.1 jar 包 1611.2.实时数据库 TrendDB 安装 1611.3.实时数据 16十二、trendDB 介绍 17总结 19一、项目概述此项目为模拟风电场监控项目,模拟一个电厂、六台风机,数据采用随机数实时插入到时序数据库中,再由 websocket+quartz 从时序数据库中取出推送到界面展示。其中统计信息存放在关系型数据库中。账号:root1密码:123456演示环境没有删除、修改权限权限。二、系统设计2.1 设计目标1.显示机组的运行数据,如机组的瞬时发电功率、累计发电量、发电小时数、风轮及电机的转速和风速、风向等,用风玫瑰图、曲线或图表的形式直观地显示出来。2.显示风电机组的运行状态。3.显示各机组运行过程中发生的故障。在显示故障时,显示出故障的类型及发生时间,以便运行人员及时处理及消除故障,保证风电机组的安全和持续运行。2.2 系统设计原则1.可扩展性―系统的设计上一方面要全面满足当前环境下的需求及未来一段时间的应用需求,另一方面要能方便地进行功能扩展,可灵活增添删减功能模块。2.从技术发展角度和用户需求来看,软件结构本身应能与其它应用系统集成,做到信息共享和资源共享。3.互操作性―支持实时数据库的数据接口,并通过标准关系数据库接口(ODBC,OLE DB)实现与 ERP 及其它 MIS 系统的数据集成。平台的开放性保证了今后可从生产管理系统的不同数据模块中裁剪不同的功能,以满足某个特定任务的需要,实现互操作。










毕业66资料站 biye66.com ©2015-2026 版权所有 | 微信:15573586651 QQ:3903700237
本站毕业设计和毕业论文资料均属原创者所有,仅供学习交流之用,请勿转载并做其他非法用途.如有侵犯您的版权有损您的利益,请联系我们会立即改正或删除有关内容!