| 设计 任务书 文档 开题 答辩 说明书 格式 模板 外文 翻译 范文 资料 作品 文献 课程 实习 指导 调研 下载 网络教育 计算机 网站 网页 小程序 商城 购物 订餐 电影 安卓 Android Html Html5 SSM SSH Python 爬虫 大数据 管理系统 图书 校园网 考试 选题 网络安全 推荐系统 机械 模具 夹具 自动化 数控 车床 汽车 故障 诊断 电机 建模 机械手 去壳机 千斤顶 变速器 减速器 图纸 电气 变电站 电子 Stm32 单片机 物联网 监控 密码锁 Plc 组态 控制 智能 Matlab 土木 建筑 结构 框架 教学楼 住宅楼 造价 施工 办公楼 给水 排水 桥梁 刚构桥 水利 重力坝 水库 采矿 环境 化工 固废 工厂 视觉传达 室内设计 产品设计 电子商务 物流 盈利 案例 分析 评估 报告 营销 报销 会计 | |||||
|
|||||
|
|||||
|
|||||
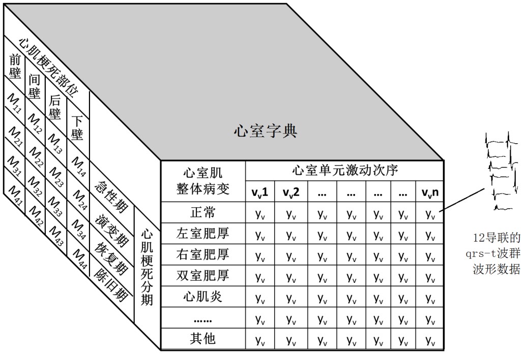
心脏传导系统模拟器设计目录1 引言 21.1 临床心律失常分析方法 21.2 基于知识规则建模的自动诊断方法研究现状 41.3 心脏计算机仿真模型的研究发展现状 72 基于心电图生成模型的诊断方法研究 92.1 心电图自动诊断模型的设计思路 92.2 心电图生成模型的数学结构分析 122.3 基于字典法的心脏数学模型研究 152.4 心脏传导系统建模 153 心脏传导模型设计 173.1 心脏与导联电极的空间位置关系 173.2 传导单元数学模型 173.3 心室肌病变相关参数 214 心脏电活动字典结构设计 244.1 心脏传导子系统设计 244.2 心房激动子系统设计 254.3 心室激动子系统设计 264.4 字典粒度与容器初始化方法研究 274.5 模型预测算法研究 285 系统实现 325 .1心脏传导模型可视化设计 325.2 心脏传导模型仿真实验 331 引言根据医学专业文献介绍,心电图并不能对所有类型的心脏病进行确诊。心电图诊断价值最高的是关于心肌异常的疾病,如心肌损伤和心率失常。心电图对电解质紊乱、药物影响也能起到一定的参考作用,但是不能根据心电图确诊;例如电解质紊乱应当以血检结果作为诊断标准。我们的研究侧重于那些心电图诊断价值高的疾病。依赖于心电图诊断的两大类疾病:心肌损伤:因心肌供氧不足引起的疾病,例如心肌梗死、心绞痛、心房负荷增重、心室肥大。因心肌损害引起的疾病,例如心肌炎、心肌病。心电图对心肌梗死的诊断价值最高。甚至可以说,心电图是唯一能够对心肌梗死进行病名诊断的方法。心率失常:心脏节律紊乱引起的异常状态。医学上认为,如果没有心电图,是绝对不能对心率失常进行确诊的。1.1 临床心律失常分析方法根据本文第三章的研究内容,基于形态学的分类方法基本上能够解决心肌梗死的定性、定期、定位问题,但是形态学方法仅能解决一小部分传导系统疾病的定位问题。究其原因,心肌梗死与心电图的对应关系为直接对应关系,某部位心肌发生梗死,对应部位的心电图立刻发生改变。而传导系统疾病与心电图则无直接对应关系。心脏传导系统的电信号极其微弱,在体表心电图上没有任何表现。医学上通过食管电极,或插入心腔的希氏束心电图,或者心内膜电位标测技术,来测量房室结、希氏束-浦肯野纤维系统的电传导情况。








































毕业66资料站 biye66.com ©2015-2026 版权所有 | 微信:15573586651 QQ:3903700237
本站毕业设计和毕业论文资料均属原创者所有,仅供学习交流之用,请勿转载并做其他非法用途.如有侵犯您的版权有损您的利益,请联系我们会立即改正或删除有关内容!