| 设计 任务书 文档 开题 答辩 说明书 格式 模板 外文 翻译 范文 资料 作品 文献 课程 实习 指导 调研 下载 网络教育 计算机 网站 网页 小程序 商城 购物 订餐 电影 安卓 Android Html Html5 SSM SSH Python 爬虫 大数据 管理系统 图书 校园网 考试 选题 网络安全 推荐系统 机械 模具 夹具 自动化 数控 车床 汽车 故障 诊断 电机 建模 机械手 去壳机 千斤顶 变速器 减速器 图纸 电气 变电站 电子 Stm32 单片机 物联网 监控 密码锁 Plc 组态 控制 智能 Matlab 土木 建筑 结构 框架 教学楼 住宅楼 造价 施工 办公楼 给水 排水 桥梁 刚构桥 水利 重力坝 水库 采矿 环境 化工 固废 工厂 视觉传达 室内设计 产品设计 电子商务 物流 盈利 案例 分析 评估 报告 营销 报销 会计 | |||||
|
|||||
|
|||||
|
|||||
目录
前言
一、 课程研究的背景和意义
二、 筛选机的发展概况
三、 筛选机的分类、工作原理及特点
3.1 筛选机的分类
3.2 番茄筛选机的工作原理
3.3 番茄筛选机的特点
四、 筛选机在实际生产中的应用
五、 筛选机的结构组成与设计
5.1 筛滚筒的设计
5.1.1 滚筒的尺寸
5.1.2 滚筒的圆孔的设计
5.1.3 滚筒的传动设计
5.1.4 滚筒和轴的固定
5.2 机架的设计
5.3 进料口的设计
5.4 物料的受力分析
六、 筛选机的零件的选择
6.1 皮带的选择
6.2 V带轮的选择
6.3 大小带轮、带的尺寸和相互安装的尺寸的计算
6.4 转轴的强度与刚度计算
6.5 轴承的选择
6.6 轴承座的选择
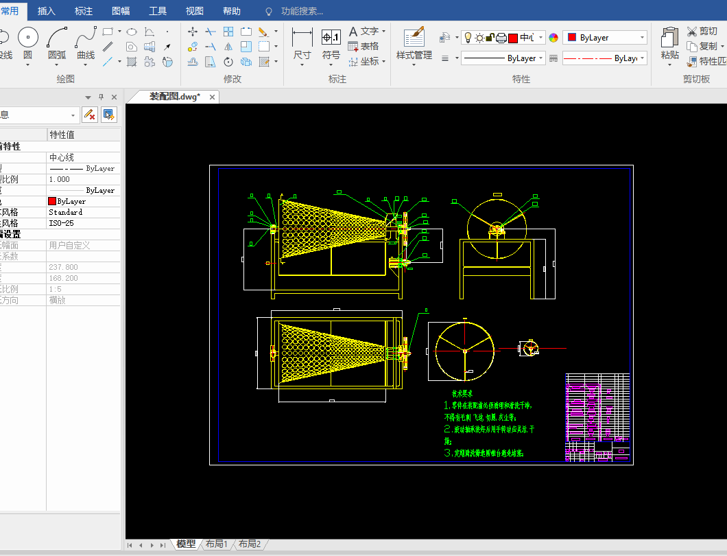
6.7 筛选机的装配图
结论
参考文献
致谢
在收获的季节,番茄筛选机将各种不同直径的番茄进行分类筛选。
番茄筛选机是通过圆锥滚筒上的不同大小的孔筛选不同大小规格的番茄,圆锥台呈水平放置,番茄从左端的送料口向滚筒内送入,滚筒的转动通过电动机和皮带传动实现,番茄在滚筒转动过程中沿着滚筒的锥度自然的向下滚动,接着从各种规格的圆孔内掉落达到筛选目的。番茄筛选机的运用可以大大提高农户筛选番茄的效率。
关键词:番茄筛选机;圆锥
Abstract
In the season of harvest, tomato and screening machine will different diameter of tomato classification screening.
Tomato screening machine is through the holes of various sizes of tapered roller on the screening of different sizes of tomatoes, the cone is horizontally placed, tomato fed from the feeding end of the port to the drum, drum is driven by the motor and belt drive to achieve, tomato in the drum rotation process scroll down along the drum taper nature, then hole in the various specifications inner drop achieve screening purposes. Using tomato screening machine can greatly improve the efficiency of screening of tomato farmers.
Key words:tomato screening machine; conical















毕业66资料站 biye66.com ©2015-2026 版权所有 | 微信:15573586651 QQ:3903700237
本站毕业设计和毕业论文资料均属原创者所有,仅供学习交流之用,请勿转载并做其他非法用途.如有侵犯您的版权有损您的利益,请联系我们会立即改正或删除有关内容!