| 设计 任务书 文档 开题 答辩 说明书 格式 模板 外文 翻译 范文 资料 作品 文献 课程 实习 指导 调研 下载 网络教育 计算机 网站 网页 小程序 商城 购物 订餐 电影 安卓 Android Html Html5 SSM SSH Python 爬虫 大数据 管理系统 图书 校园网 考试 选题 网络安全 推荐系统 机械 模具 夹具 自动化 数控 车床 汽车 故障 诊断 电机 建模 机械手 去壳机 千斤顶 变速器 减速器 图纸 电气 变电站 电子 Stm32 单片机 物联网 监控 密码锁 Plc 组态 控制 智能 Matlab 土木 建筑 结构 框架 教学楼 住宅楼 造价 施工 办公楼 给水 排水 桥梁 刚构桥 水利 重力坝 水库 采矿 环境 化工 固废 工厂 视觉传达 室内设计 产品设计 电子商务 物流 盈利 案例 分析 评估 报告 营销 报销 会计 | |||||
|
|||||
|
|||||
|
|||||
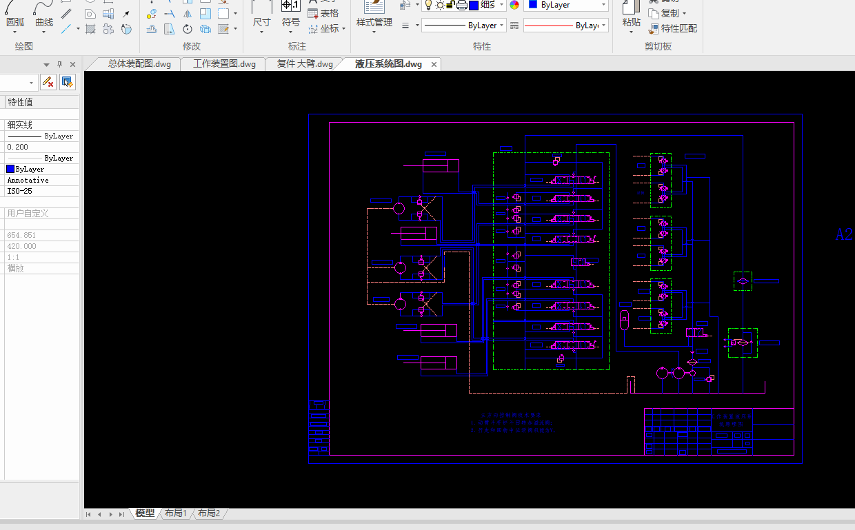
随着挖掘机市场的不断发展,液压挖掘机的使用也越来越广泛。本文针对一种16T液压挖掘机的液压系统设计进行了研究。首先对该型号挖掘机的基本结构和性能指标进行了分析,综合考虑其工作条件和需求,对液压系统的参数进行了设计计算。
设计计算包括了液压泵、液压缸、阀组等液压元件的选型和匹配,以及系统压力、流量等参数的计算。本文还对液压系统进行了动态仿真模拟,通过仿真结果进一步验证了设计的正确性和合理性。在实际应用中,该液压系统具有稳定、高效、能耗低等优点,满足了16T液压挖掘机的工作要求。本文的研究成果可为类似液压挖掘机的设计和优化提供参考。
在系统设计中,充分考虑了系统的可靠性、安全性和高效性,采用了先进的液压技术和优质的液压元件,使系统具有较高的工作效率和稳定性。最后,通过实验验证了该液压系统的性能和可靠性,证明了设计的合理性和实用性。本文的研究结果对于16t液压挖掘机的液压系统优化和提升具有一定的参考价值。
关键词:液压挖掘机;工作装置;液压系统;运动仿真;CAD
With the continuous development of the excavator market, the use of hydraulic excavators is becoming more and more widely. This paper studies the design of a hydraulic system for a 16T hydraulic excavator. Firstly, the basic structure and performance indexes of the model excavator are analyzed, and the parameters of the hydraulic system are designed and calculated. The design calculation includes the selection and matching of hydraulic components such as hydraulic pump, hydraulic cylinder and valve set, as well as the calculation of system pressure and flow parameters.
This paper also conducts a dynamic simulation of the hydraulic system, and further verifies the correctness and rationality of the design. In practical application, the hydraulic system has the advantages of stability, high efficiency and low energy consumption, which meets the working requirements of 16T hydraulic excavator. The research results of this paper can provide a reference for the design and optimization of similar hydraulic excavator.
In the system design, the reliability, safety and high efficiency of the system are fully considered, and the advanced hydraulic technology and high-quality hydraulic components are adopted, so that the system has high working efficiency and stability. Finally, the performance and reliability of the hydraulic system proved the rationality and practicability of the design. The results of this paper have certain reference value for the optimization and promotion of hydraulic system of 16t hydraulic excavator.
Key words: hydraulic excavator; working device; hydraulic system; motion simulation; CAD
目 录
摘 要
ABSTRACT
第1章 绪论
1.1 选题背景及意义
1.2 国内外研究现状
1.2.1国外发展现状
1.2.2国内发展概况
1.3 研究主要内容
第2章 液压挖掘机的总体设计
2.1 总体设计的内容及设计原则
2.2 液压挖掘机的主要参数和选择
2.2.1 单斗液压挖掘机的主要参数
2.2.2 总体参数的确定
2.2.3初选履带
2.2.4其他参数的选择与计算
第3章 液压挖掘机工作阻力
3.1 工作液压缸的理论挖掘力
3.1.1铲斗油缸的理论挖掘力
3.1.2 斗杆油缸的理论挖掘力
3.2 整机挖掘力
3.3 整机实际挖掘力
第4章 液压挖掘机工作装置设计
4.1设计要求
4.2反铲工作装置结构方案的确定
4.2.1确定动臂的结构形式
4.2.2确定斗杆的结构形式
4.2.3斗杆油缸的布置
4.2.4动臂与斗杆长度比的确定
4.2.5确定铲斗的结构形式的斗齿的安装结构
4.2.6铲斗与铲斗液压缸的连接形式
4.2.7液压缸参数的确定
4.3 铲斗的设计
4.4动臂机构的设计
4.5斗杆机构的设计
4.6 铲斗连杆机构的设计
第5章 液压挖掘机工作装置的受力分析和强度计算
5.1铲斗及铲斗连杆机构分析
5.2斗杆及斗杆机构分析
5.2.1工况一
5.2.2工况二
5.3动臂及动臂机构分析
5.3.1工况一
5.3.2工况二
总 结
致 谢
参考文献
















毕业66资料站 biye66.com ©2015-2026 版权所有 | 微信:15573586651 QQ:3903700237
本站毕业设计和毕业论文资料均属原创者所有,仅供学习交流之用,请勿转载并做其他非法用途.如有侵犯您的版权有损您的利益,请联系我们会立即改正或删除有关内容!