| 设计 任务书 文档 开题 答辩 说明书 格式 模板 外文 翻译 范文 资料 作品 文献 课程 实习 指导 调研 下载 网络教育 计算机 网站 网页 小程序 商城 购物 订餐 电影 安卓 Android Html Html5 SSM SSH Python 爬虫 大数据 管理系统 图书 校园网 考试 选题 网络安全 推荐系统 机械 模具 夹具 自动化 数控 车床 汽车 故障 诊断 电机 建模 机械手 去壳机 千斤顶 变速器 减速器 图纸 电气 变电站 电子 Stm32 单片机 物联网 监控 密码锁 Plc 组态 控制 智能 Matlab 土木 建筑 结构 框架 教学楼 住宅楼 造价 施工 办公楼 给水 排水 桥梁 刚构桥 水利 重力坝 水库 采矿 环境 化工 固废 工厂 视觉传达 室内设计 产品设计 电子商务 物流 盈利 案例 分析 评估 报告 营销 报销 会计 | |||||
|
|||||
|
|||||
|
|||||
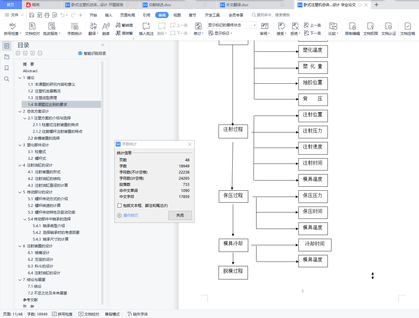
卧式注塑机是将热固性或热塑性的塑料制作成为各种塑料制件的成型设备。卧式注塑机又是在塑料加工机械中较为复杂及精密的机器。目前,随着机器生产率的提高和自动化生产的发展,塑料制件已日益广泛地运用到国防、电气、航空、机械、科教文卫等各个领域,注塑成型机也得到了极为广泛的运用。
本论文的内容主要为注塑机注射部分的设计,有关各章节内容分述如下:
(1)介绍了课题的背景和意义,总结了注塑机注射部分设计及优化研究现状,阐述了基于CAD软件下的优化方法,提出了本论文的基本框架。
(2)介绍了塑化部件的设计,研究了螺杆、螺杆头、料筒,分析了其分类和优缺点。
(3)介绍了注射油缸的设计,研究了注射油缸直径、活塞杆直径,包括对其尺寸的计算。
(4)介绍了传动部分的设计,研究了其所能承受了扭矩和转速,并对其轴承做了介绍。
(5)介绍了移动油缸的设计,研究了移动油缸的油缸直径和活塞杆直径,包括对其尺寸的计算。
设计这台机器的目的是:为了进一步了解注塑机的结构和其工作原理,把我们学习的理论用到实际中去。
关键词:注塑机;螺杆;注射油缸;传动部分
The injection molding machine is an equipment that thermosetting or thermoplastic plastic can be made into all kinds of plastic parts. Plastic industry and its molding machinery industry are emerging parts. Injection molding machine is complicated in plastic processing machinery and precision of the machine. At present, with the development of the machine productivity and automation production, plastic parts have been increasingly widely used in national defense, electrical, aviation, machinery, science,education,culture,health and so on.
The content of this paper is mainly for the design of injection molding machine injection parts, relevant chapters of the content will be introduced with the topic background and significance,
In chapter 1, the paper summarizes the injection molding machine with the injection part of the design and optimization research present situation, which is elaborated and based on CAD. The paper also puts forward the basic framework of this paper.
In chapter 2, the paper introduces the plasticizing unit, the screw, cylinder head, and analyses the classification of advantages and disadvantages.
In chapter 3, the paper introduces the design of the injection cylinder, and studies the injection cylinder diameter, also with the diameter of the piston rod, which includes the calculation of its size.
In chapter 4, the paper introduces the transmission part of the design. It can withstand the torque and rotate speed which is studied, and the paper also introduces the present of the bearing.
In chapter 5, the paper introduces the design of the moving oil cylinder, the mobile oil cylinder diameter of cylinder and the piston rod diameter, including the calculation of the size.
My purpose to design this machine's to further understand the structure of the injection molding machine and its working principle; we study the theory in practice.
Key words: injection molding machine; Screw; Injection of oil cylinder; the transmission part
目 录
摘 要
Abstract
1 绪论
1.1 本课题的研究内容和意义
1.2 注塑机发展概况
1.3 注塑成型原理
1.4本课题应达到的要求
2 总体方案设计
2.1注塑方案的介绍与选择
2.1.1柱塞式注射装置的特点
2.1.2往复螺杆注射装置的特点
2.2合模装置的选择
3 塑化部件设计
3.1 柱塞式
3.2 螺杆式
4 注射油缸的设计
4.1 注射装置的形式
4.2 注射油缸的结构
4.3 注射油缸直径的计算
5 传动部分的设计
5.1 螺杆传动方式的介绍
5.2 螺杆转速的计算
5.3 螺杆传动特性及驱动功率
5.4传动部件中轴承的选择
5.4.1 轴承类型介绍
5.4.2 选择轴承时的考虑因素
5.4.3 轴承尺寸的计算
6 注射装置的设计
6.1 喷嘴设计
6.2 支座的设计
6.3 料斗的设计
6.4 注射油缸的设计
7 结论与展望
7.1结论
7.2不足之处及未来展望
参考文献
致 谢















毕业66资料站 biye66.com ©2015-2026 版权所有 | 微信:15573586651 QQ:3903700237
本站毕业设计和毕业论文资料均属原创者所有,仅供学习交流之用,请勿转载并做其他非法用途.如有侵犯您的版权有损您的利益,请联系我们会立即改正或删除有关内容!