| 设计 任务书 文档 开题 答辩 说明书 格式 模板 外文 翻译 范文 资料 作品 文献 课程 实习 指导 调研 下载 网络教育 计算机 网站 网页 小程序 商城 购物 订餐 电影 安卓 Android Html Html5 SSM SSH Python 爬虫 大数据 管理系统 图书 校园网 考试 选题 网络安全 推荐系统 机械 模具 夹具 自动化 数控 车床 汽车 故障 诊断 电机 建模 机械手 去壳机 千斤顶 变速器 减速器 图纸 电气 变电站 电子 Stm32 单片机 物联网 监控 密码锁 Plc 组态 控制 智能 Matlab 土木 建筑 结构 框架 教学楼 住宅楼 造价 施工 办公楼 给水 排水 桥梁 刚构桥 水利 重力坝 水库 采矿 环境 化工 固废 工厂 视觉传达 室内设计 产品设计 电子商务 物流 盈利 案例 分析 评估 报告 营销 报销 会计 | |||||
|
|||||
|
|||||
|
|||||
目录
内容摘要 2
第一章 零件图 3
1、零件图的工艺分析 3
2、数控车床加工方法的选择 4
3、装夹与定位 6
4、工步顺序 7
5、选择刀具 8
6、确定切削用量 9
7、选择机床和数控系统 10
8、数控加工工序卡 10
第二章 编制零件的加工程序 11
1、确定工件坐标系、对刀点及换刀点 11
2、编制零件加工程序 11
第三章 零件数控模拟仿真加工 17
小结 19
参考文献 20
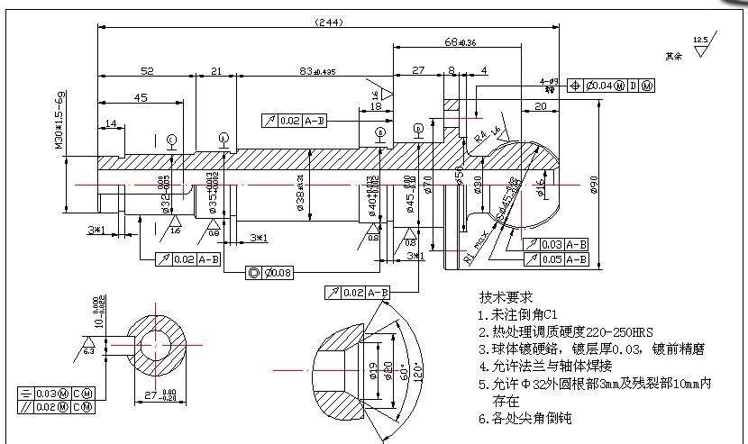
传动轴(细长轴)的数控加工工艺及编程设计
内容摘要:
轴类零件在整个制造工业中发挥着重要作用。在汽车领域起着连接动力装置和运动装置的部位,在重型机械领域,起着传动动力,吊卸重物的重要组成部分等。细长轴作为轴类零件的一种,在整个轴类零件中也扮演着重要角色。现根据其零件特性,对其加工过程作详细分析,确定其加工过程中所选刀具的种类、型号及其注意事项,并总结出该轴类零件的加工过程。
【关键词】 工艺分析 刀具 工艺卡片 编程











毕业66资料站 biye66.com ©2015-2026 版权所有 | 微信:15573586651 QQ:3903700237
本站毕业设计和毕业论文资料均属原创者所有,仅供学习交流之用,请勿转载并做其他非法用途.如有侵犯您的版权有损您的利益,请联系我们会立即改正或删除有关内容!