| 设计 任务书 文档 开题 答辩 说明书 格式 模板 外文 翻译 范文 资料 作品 文献 课程 实习 指导 调研 下载 网络教育 计算机 网站 网页 小程序 商城 购物 订餐 电影 安卓 Android Html Html5 SSM SSH Python 爬虫 大数据 管理系统 图书 校园网 考试 选题 网络安全 推荐系统 机械 模具 夹具 自动化 数控 车床 汽车 故障 诊断 电机 建模 机械手 去壳机 千斤顶 变速器 减速器 图纸 电气 变电站 电子 Stm32 单片机 物联网 监控 密码锁 Plc 组态 控制 智能 Matlab 土木 建筑 结构 框架 教学楼 住宅楼 造价 施工 办公楼 给水 排水 桥梁 刚构桥 水利 重力坝 水库 采矿 环境 化工 固废 工厂 视觉传达 室内设计 产品设计 电子商务 物流 盈利 案例 分析 评估 报告 营销 报销 会计 | |||||
|
|||||
|
|||||
|
|||||
毕业设计说明书(论文)中文摘要
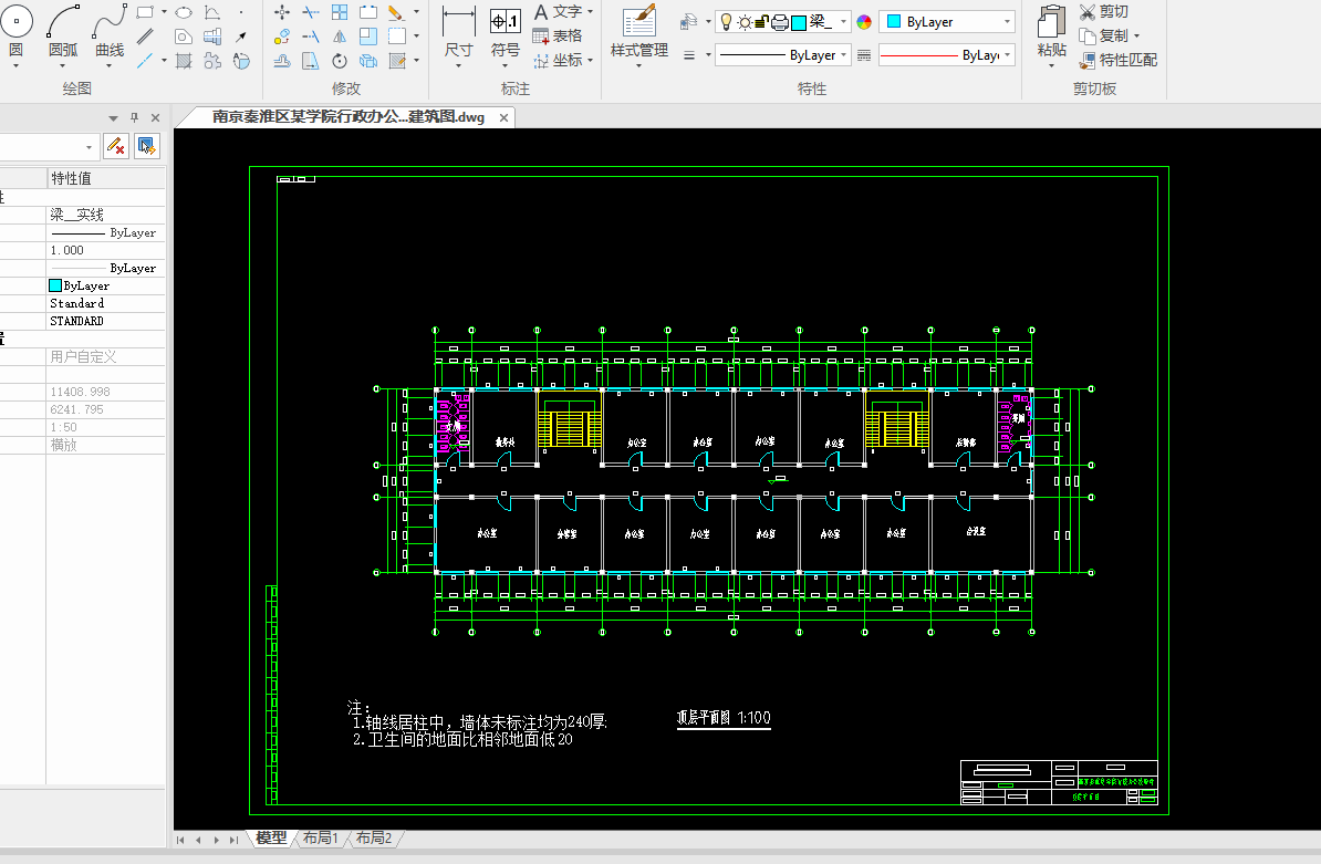
我的毕业设计课题是南京秦淮区学院办公楼的建筑布局和结构计算,本工程为三层建筑,建筑面积为2800平方米,在建筑上按照建筑设计规范的标准,合理布局,详细划分功能区,结构上对标准层楼板,楼梯,梁,柱,框架进行设计。方法上选取一榀框架作为研究对象来计算,考虑到现代抗震要求对建筑物的影响,荷载计算后来进行内力组合,其中恒荷载、活荷载的计算利用分层法,水平地震作用采用D值法进行计算,而后计算出框架梁柱的最不利组合结果,完成截面设计。最后运用CAD制图软件绘制平面图,立面图,剖面图,结构配筋图等。最终完成毕业设计计算书。
关键词 办公楼 建筑设计 结构设计 框架计算 CAD绘图
Title The architectural and structural design of School
office-building in QinHuai District of Nanjing City
Abstract
My graduation project is the building layout and structure of the Nanjing Qinhuai District School office computing, the project is a three-storey building, construction area of 2,800 square meters, the architectural design of buildings in accordance with standard specifications, reasonable layout, a detailed breakdown of functional areas , the structure of the standard floor slabs, stairs, beams, columns, frame design. Select one specimens of the framework for the study on the method to calculate, taking into account the impact of modern seismic requirements of the building, a combination of internal forces and later load calculation, including dead load, live load is calculated using a hierarchical, horizontal seismic action method using the D value calculated, and then calculate the most unfavorable combination results framework beams to complete the cross-sectional design. Finally, the use of CAD drawing software to draw floor plans, elevations, sections, structural reinforcement maps. Finally completed graduate design calculations.
Keywords office-building Architectural Design Structural Design Computing framework CADdrawing
目 次
1 引言…………………………………………………………………………………1
2 建筑设计说明………………………………………………………………………1
2.1 工程概况…………………………………………………………………………1
2.2 建筑设计原则……………………………………………………………………1
2.3 建筑略图…………………………………………………………………………2
2.4 建筑布局…………………………………………………………………………7
3 结构设计说明………………………………………………………………………7
3.1 结构设计与分析概述……………………………………………………………7
3.2 设计内容…………………………………………………………………………7
4.0 结构设计…………………………………………………………………………8
4.1 设计基本资料……………………………………………………………………8
4.2 标准层楼板平面图………………………………………………………………9
4.3 楼板设计…………………………………………………………………………9
4.4 楼梯设计…………………………………………………………………………21
4.5 框架结构计算……………………………………………………………………25
4.5.1 结构布置及计算简图确定……………………………………………………26
4.5.2 荷载计算………………………………………………………………………27
4.5.3 内力计算………………………………………………………………………32
4.5.4 地震作用内力计算……………………………………………………………43
4.5.5 内力组合………………………………………………………………………54
4.5.6 截面设计………………………………………………………………………60
结论……………………………………………………………………………………74
致谢……………………………………………………………………………………75
参考文献………………………………………………………………………………76
















毕业66资料站 biye66.com ©2015-2026 版权所有 | 微信:15573586651 QQ:3903700237
本站毕业设计和毕业论文资料均属原创者所有,仅供学习交流之用,请勿转载并做其他非法用途.如有侵犯您的版权有损您的利益,请联系我们会立即改正或删除有关内容!