| 设计 任务书 文档 开题 答辩 说明书 格式 模板 外文 翻译 范文 资料 作品 文献 课程 实习 指导 调研 下载 网络教育 计算机 网站 网页 小程序 商城 购物 订餐 电影 安卓 Android Html Html5 SSM SSH Python 爬虫 大数据 管理系统 图书 校园网 考试 选题 网络安全 推荐系统 机械 模具 夹具 自动化 数控 车床 汽车 故障 诊断 电机 建模 机械手 去壳机 千斤顶 变速器 减速器 图纸 电气 变电站 电子 Stm32 单片机 物联网 监控 密码锁 Plc 组态 控制 智能 Matlab 土木 建筑 结构 框架 教学楼 住宅楼 造价 施工 办公楼 给水 排水 桥梁 刚构桥 水利 重力坝 水库 采矿 环境 化工 固废 工厂 视觉传达 室内设计 产品设计 电子商务 物流 盈利 案例 分析 评估 报告 营销 报销 会计 | |||||
|
|||||
|
|||||
|
|||||
摘要
机械制造业的发展对世界经济起着非常重要的作用,而机械加工工艺的编制是机械制造技术的重要组成部分和关键工作。本设计是对法兰盘零件进行工艺设计及其工装夹具设计,该法兰盘是CA6140机床减速箱上的重要元件,其主要作用是标明刻度,实现纵向进给。因此,对于零件的工艺要求也相对较高,这就对我们的加工工艺设计提出了更高的要求。工艺设计是机械制造生产过程技术准备工作的一个重要内容,是联接产品设计和制造的桥梁,是企业生产活动的枢纽,它也是制订生产计划,进行生产管理的重要依据。
本文在对零件工艺性、加工方法、基准选择进行认真分析比较的基础上,拟定出了两种不同的工艺设计方案,参照工厂的实际情况及实现加工的难易程度,并最终确定了最优的工艺设计流程,该工艺设计流程很好的保证了零件的尺寸要求、表面粗糙度要求、相对位置精度要求等。在参照相关工艺设计资料的基础上本文还对逐道工序进行了加工机床、基本工时以及切削用量的选择及计算。并最终拿出了机械加工工艺工程综合卡片,即工厂实际的加工流程图。
机械夹具在我国的发展前景十分广泛,有着很大的发展空间,机械夹具的要求结构简单,使用方便,制造精度高。它是与工艺设计相辅相成的统一体。就本次设计而言,为了减少零件的加工成本,在选择工装夹具时我们着重考虑通用机床的通用夹具,力求方便、快捷、时效。只对那些有特殊加工要求的工序进行了专用的工装夹具设计,绘制出了完整的工装夹具图,并对操作进行了简单的说明。
关键词:机械设计,夹具设计,机械制造。
Abstract
The development of mechanical manufacturing industry plays a very important role in the world economy, and the compilation of machining technology is an important part and key work of mechanical manufacturing technology. This design is to carry on the process design and the fixture design to the flange part. This method blue disk is an important component on the reducer of CA6140 machine tool, its main function is to mark the scale and realize the longitudinal feed. Therefore, the process requirements of parts are also relatively high, which puts forward higher requirements for our machining process design. Process planning is an important part of the technical preparation of mechanical manufacturing production process, and it is a bridge connecting product design and manufacture. Is the hub of enterprise production activities, it is also an important basis for production planning and production management.
Based on the careful analysis and comparison of the process, machining method and benchmark selection of the parts, this paper draws up two different process design schemes, referring to the actual situation of the factory and the difficulty of realizing the machining, and finally determines the optimal process planning flow, which ensures the size requirements of the parts, the surface roughness requirements, the relative position accuracy requirements and so on. On the basis of referring to the relevant process design data, the selection and calculation of machining machine tools, basic working hours and cutting parameters are also carried out in this paper. Finally, the comprehensive card of machining process engineering is taken out, that is, the actual processing flow of the factory. A chart.
The development prospect of mechanical fixture in our country is very wide, and there is a great space for development. The requirement of mechanical fixture is simple in structure, convenient in use and high in manufacturing accuracy. It is a unity that complements each other with process planning. As far as this design is concerned, in order to reduce the machining cost of parts, we focus on the general fixture of general machine tool in the selection of fixture, and strive to be convenient, fast and aging. Only the special fixture design is carried out for those processes with special machining requirements, the complete fixture drawing is drawn, and the operation is simply explained.
Keywords: Mechanical design, fixture design, mechanical manufacturing.
目 录
摘要 I
Abstract II
第一章 绪论 1
1.1 引言 1
1.2 工艺设计在机械制造中的作用 1
1.3 工装夹具的设计及其步骤 2
1.4 工艺设计在国内外发展状况 3
1.4.1 国内发展状况 3
1.4.2国外发展状况 4
第二章 审查零件图样的工艺性 6
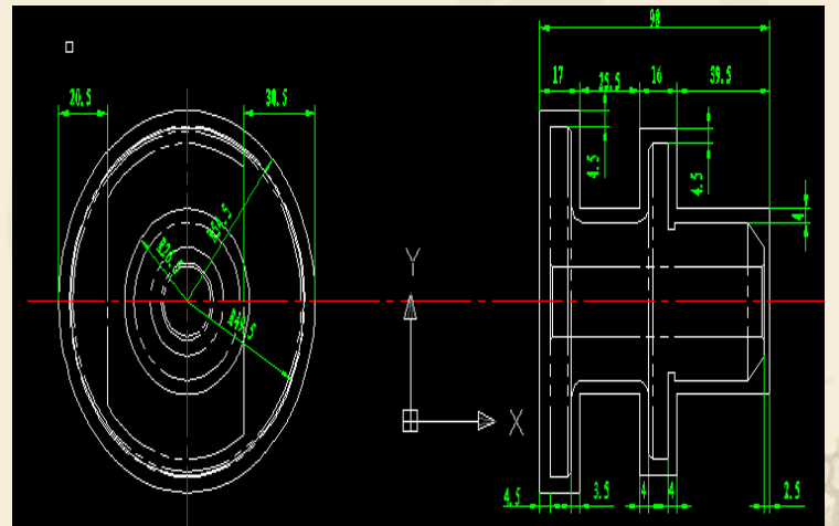
2.1零件的作用 6
2.2计算生产纲领 确定生产类型 6
2.3 零件的工艺分析 6
第三章 工艺过程设计 8
3.1毛坯选择 8
3.2 定位基准的选择 8
3.2.1精基准的选择 8
3.2.2粗基准的选择 8
3.3 工件表面加工方法的选择 8
3.4制订工艺路线 10
3.5确定机械加工余量及毛坯尺寸、设计毛坯图 12
3.5.1确定机械加工工序余量 12
3.5.2确定毛坯尺寸 14
3.5.3设计毛坯图 14
3.6确定切削用量、基本工时 14
3.6.1工序一切削用量及基本工时的确定 14
3.6.2工序二切削用量及基本工时的确定 18
3.6.3工序三切削用量及基本工时的确定 22
3.6.4工序四切削用量及基本工时的确定 31
3.6.5工序五切削用量及基本工时的确定 40
3.6.6工序六切削用量及基本工时的确定 43
3.6.7工序七切削用量及基本工时的确定 45
3.6.8工序八切削用量及基本工时的确定 53
3.6.9工序九切削用量及基本公式的确定 57
3.6.10工序十切削用量及基本工时的确定 61
3.6.11工序十一切削用量及基本工时的确定 63
3.6.12工序十二切削用量及基本工时的确定 64
3.6.13工序十三切削用量及基本工时的确定 69
3.6.14工序十四切削用量及基本工时的确定 71
3.6.15工序十五切削用量及基本工时的确定 71
3.6.16工序十六切削用量及基本工时的确定 72
3.7填写机械加工工艺过程综合卡片 73
第四章 专用夹具设计 73
4.1问题的提出 73
4.2 夹具设计的有关计算 74
4.2.1夹具一设计的有关计算 74
4.2.2夹具二设计的有关计算 74
4.3夹具结构设计及操作简要说明 75
4.3.1夹具一结构设计及操作简要说明 75
4.3.2夹具二结构设计及操作简要说明 75
第五章 结论 77
参考文献 78
致谢 79














毕业66资料站 biye66.com ©2015-2026 版权所有 | 微信:15573586651 QQ:3903700237
本站毕业设计和毕业论文资料均属原创者所有,仅供学习交流之用,请勿转载并做其他非法用途.如有侵犯您的版权有损您的利益,请联系我们会立即改正或删除有关内容!