设计 任务书 文档 开题 答辩 说明书 格式 模板 外文 翻译 范文 资料 作品 文献 课程 实习 指导 调研 下载 网络教育 计算机 网站 网页 小程序 商城 购物 订餐 电影 安卓 Android Html Html5 SSM SSH Python 爬虫 大数据 管理系统 图书 校园网 考试 选题 网络安全 推荐系统 机械 模具 夹具 自动化 数控 车床 汽车 故障 诊断 电机 建模 机械手 去壳机 千斤顶 变速器 减速器 图纸 电气 变电站 电子 Stm32 单片机 物联网 监控 密码锁 Plc 组态 控制 智能 Matlab 土木 建筑 结构 框架 教学楼 住宅楼 造价 施工 办公楼 给水 排水 桥梁 刚构桥 水利 重力坝 水库 采矿 环境 化工 固废 工厂 视觉传达 室内设计 产品设计 电子商务 物流 盈利 案例 分析 评估 报告 营销 报销 会计
Logo 顶部广告
首页 | 机械毕业设计 | 电子电气毕业设计 | 计算机毕业设计 | 土木工程毕业设计 | 视觉传达毕业设计 | 理工论文 | 文科论文 | 毕设资料 | 帮助中心
今天是: |>>> 您现在的位置:首页>>>>文档详细内容
标题:

基于proe的小型电动绞肉机的设计及运动仿真毕业论文+任务书+开题+文综+翻译及原文+图纸及运行仿真+指导记录


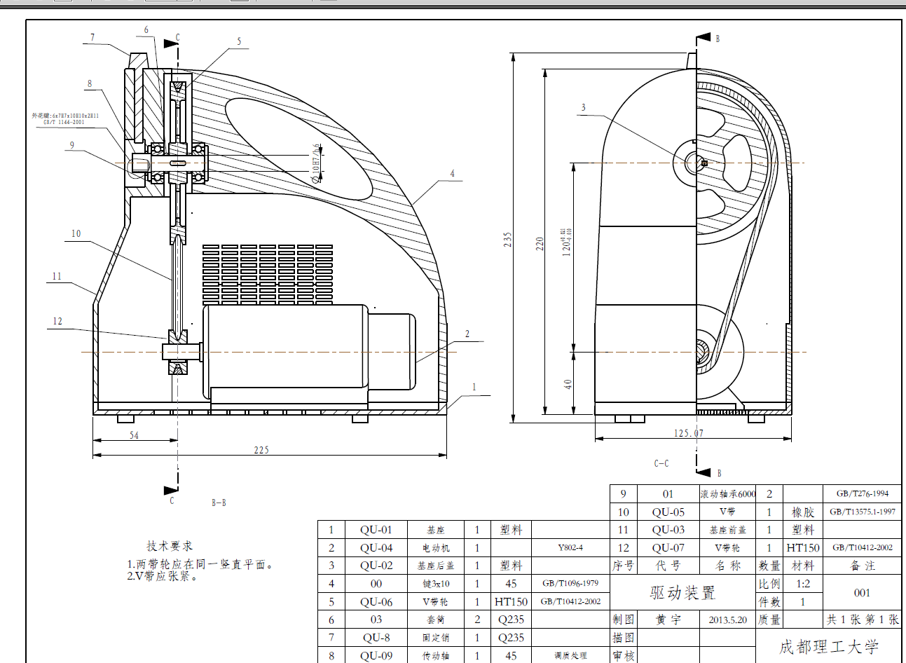
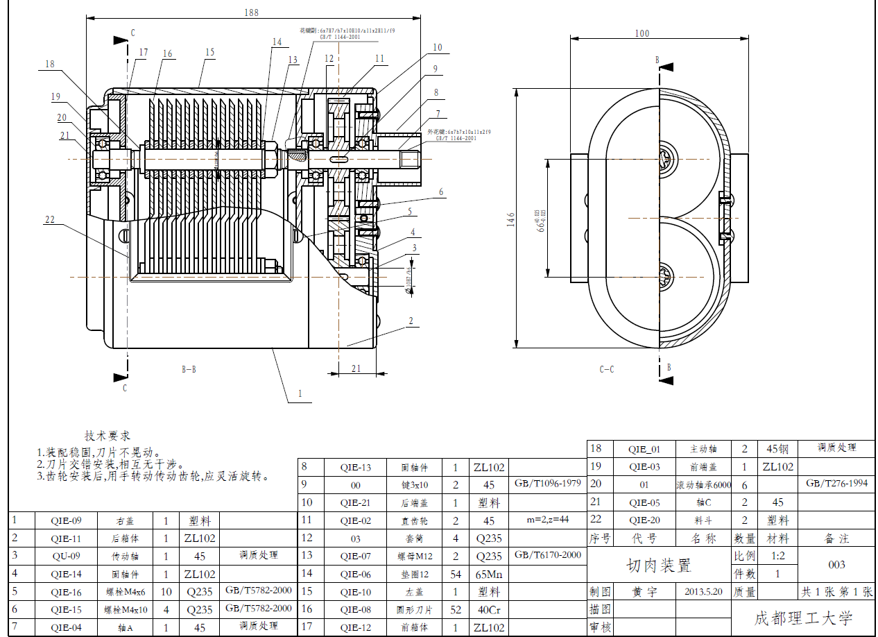
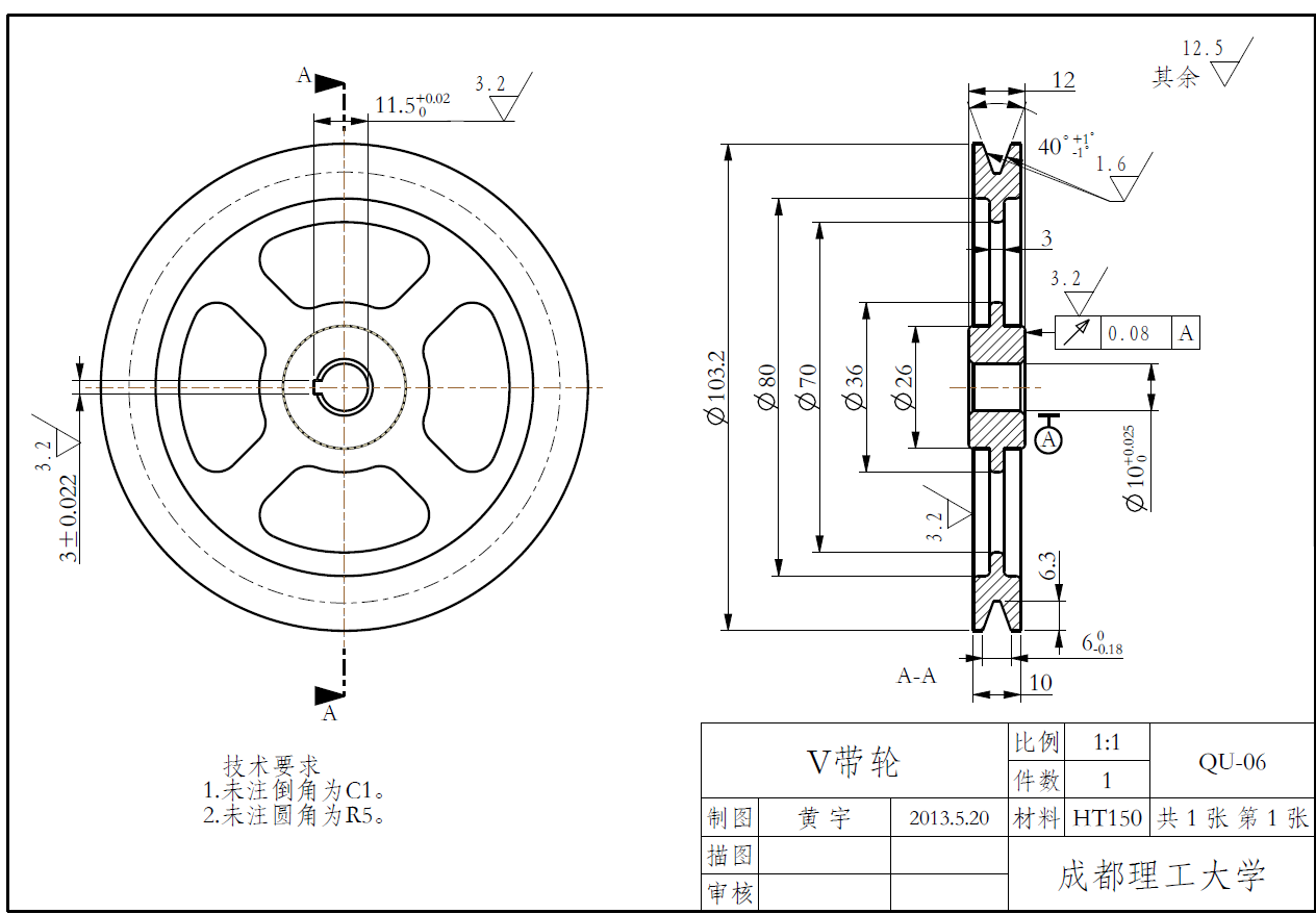
摘要为了解决现市场上电动绞切肉机价格贵、体积大,不能广泛适用于普通家庭等问题,本设计论述了一种高效、便捷的小型电动绞切肉机,主要具有绞肉和切肉(肉片、肉丝)两种功能普通家庭。其主要由驱动装置、切肉装置、绞肉装置,三大部分组成。本设计通过对现有绞肉机和切肉机的结构进行小型化和改进,将绞肉功能和切肉功能有效结合。论文详细论述了该电动绞切肉机的功能设计、结构设计、运动和受力分析、材料选用和校核等,并利用PRO/E三维设计软件对零件建模,完成电动绞切肉机的三维造型和运动仿真,操作简单,适用于广大普通家庭。本设计功能全面、设计人性化、系统稳定,有效的节约了人力,并且设备安全可靠度高,为家庭日常生活带来了大大的便利。关键词: 绞肉装置; 切肉装置; 驱动装置; 三维造型; 运动仿真The Design and Motion Simulation of the small Electric Meat Grinder Based on the PRO/EAbstract:  In order to solve the problem of electric meat cutter machine now on the market, the price is expensive, bulky, and not widely used in ordinary families, the design discussed in an efficient and convenient small electric auger Meat Slicer, Meat choppers and grinders (meat, pork) two functions, simple operation, suitable for ordinary families. Its main by Meat device, meat device and drive device, composed of three parts. This design for miniaturization and improved the structure of the the existing meat grinder meat slicer, meat grinder features and cutting function effectively combine. The paper discusses in detail the electric auger meat slicer functional design, structural design, exercise and stress analysis, material selection and check and PRO / E 3D design software for part modeling, complete electric auger meat slicer three-dimensional modeling and motion simulation. The design full-featured, user-friendly design, the system is stable, effective manpower savings, high reliability and safety of equipment, greatly facilitate the family's daily life.Key words: Meat device; Cutting device; Drive device; Three-dimensional modeling ;  Motion Simulation目  录摘要Abstract第1章  前 言 11.1课题背景 11.2电动绞切肉机的现状 11.3设计方法 21.4设计内容和预期成果 31.4.1 基本任务与要求 31.4.2 拟解决问题 31.4.3预期成果 31.5电动绞切肉机简介 3第2章 总体设计方案的分析与确定 52.1 工作原理的分析与选择 52.2 总体方案的确定与概述 5第3章 驱动装置的设计 83.1驱动装置的总体结构 83.2 电动机选择 103.3确定驱动装置的传动比 113.4 V带和带轮的设计 113.4.1 计算电机轴的运动学和动力学参数 113.4.2 V带和带轮的计算与确定 11第4章 绞肉装置的设计 144.1绞肉装置的总体构造 144.2 螺旋推进器的设计 164.2.1螺旋推进器简介 164.2.2螺旋推进器的分析与说明 164.2.3螺旋推进器的详细设计 174.3绞刀的设计 174.3.1绞刀简介 174.3.2绞刀的结构设计与说明 184.4出料网盘的设计 19第5章 切肉装置的设计 205.1切肉装置的总体结构 205.2轴系零件总述 225.3圆盘刀的设计 235.3直齿轮的设计 235.6主动轴和从动轴的设计 255.7传动轴I的设计与校核 265.7.1传动轴I的结构设计 265.7.2校核该轴 275.7.3 精确校核轴的疲劳强度 28第6章 设计成果 316.1产品规格 316.2创新点与投资效益分析 316.2.1产品特点及创新点 316.2.2产品市场与投资效益 31总 结 32致 谢 33参考文献 34





















| 关于我们 | 友情链接 | 毕业设计招聘 |

毕业66资料站 biye66.com ©2015-2026 版权所有 | 微信:15573586651 QQ:3903700237

本站毕业设计和毕业论文资料均属原创者所有,仅供学习交流之用,请勿转载并做其他非法用途.如有侵犯您的版权有损您的利益,请联系我们会立即改正或删除有关内容!