| 设计 任务书 文档 开题 答辩 说明书 格式 模板 外文 翻译 范文 资料 作品 文献 课程 实习 指导 调研 下载 网络教育 计算机 网站 网页 小程序 商城 购物 订餐 电影 安卓 Android Html Html5 SSM SSH Python 爬虫 大数据 管理系统 图书 校园网 考试 选题 网络安全 推荐系统 机械 模具 夹具 自动化 数控 车床 汽车 故障 诊断 电机 建模 机械手 去壳机 千斤顶 变速器 减速器 图纸 电气 变电站 电子 Stm32 单片机 物联网 监控 密码锁 Plc 组态 控制 智能 Matlab 土木 建筑 结构 框架 教学楼 住宅楼 造价 施工 办公楼 给水 排水 桥梁 刚构桥 水利 重力坝 水库 采矿 环境 化工 固废 工厂 视觉传达 室内设计 产品设计 电子商务 物流 盈利 案例 分析 评估 报告 营销 报销 会计 | |||||
|
|||||
|
|||||
|
|||||
摘 要
随着科技的发展,机械手在工业领域得到越来越广泛的运用,它可以帮助人们完成危险、重复的体力劳动,大大提高生产效率。
本课题对机械手的手爪、手腕、手臂、腰部和机座部分进行了设计,确定机械手采用圆柱坐标式。手爪的张合,手臂和腰部的伸缩,机座和手腕的旋转都采用气缸驱动。此机械手可以运用于工业流水线上,完成把指定物件从一个地方运送至另一地方的任务。机械手的系统控制由可编程序控制器完成,按照机械手的动作流程,完成了相应的接线图和程序编制。
关键词:机械手,工业领域,气缸,可编程序控制器
ABSTRACT
With the development of science and technology in industries, manipulators are increasingly wide use, it can help people to finish dangerous, repeat manual labor, and greatly improve the production efficiency.
In this topic, I design the hand, wrist, arm, waist and standby parts of the manipulator, determine the manipulator using cylindrical coordinates type. The action of hand, arm, waist, base and wrist are driven by the cylinder. This manipulator can be applied to industrial assembly line, complete the specified object from one place to another place. The control system by manipulator programmable controller, according to the movement process, completes robot programming.
Key word:Manipulator, industrial field, cylinder, programmable controller
目 录
1 绪论 1
1.1 机械手的概述 1
1.2 机械手的发展史 1
1.3 气动技术及气动机械手的发展过程 2
1.4 机械手未来的发展趋势 3
1.5 本课题研究内容 4
1.6 课题研究的意义 4
2 机械手的总体设计方案 6
2.1 机械手的工作原理及系统组成 6
2.2 机械手基本形式的选择 7
2.3 驱动机构的选择 8
2.4 机械手详细设计参数 8
2.5 本章小结 8
3 机械手手部结构设计及计算 9
3.1 手部结构 9
3.2 机械手手爪设计计算 9
3.3 夹紧气缸的设计 11
3.4 手爪夹持范围计算 13
3.5 机械手手爪夹持精度的分析计算 14
3.6 弹簧的设计计算 15
3.7 本章小结 17
4 腕部的设计计算 18
4.1 腕部设计的基本要求 18
4.2 腕部的结构以及选择 18
4.3 腕部的驱动力矩计算 19
4.4 腕部工作压力的计算 20
4.5 气压缸盖螺钉的计算 21
4.6 动片和输出轴间的连接螺钉 22
4.7 本章小结 23
5 机械手手臂机构的设计 24
5.1 手臂的设计要求 24
5.2 伸缩气压缸的设计 24
5.3 导向装置 28
5.4 本章小结 28
6 机械手腰部和基座结构设计及计算 29
6.1 结构设计 29
6.2 控制手臂上下移动的腰部气缸的设计 29
6.3 导向装置 32
6.4 平衡装置 32
6.5 机身回转机构的计算 32
6.6 本章小结 33
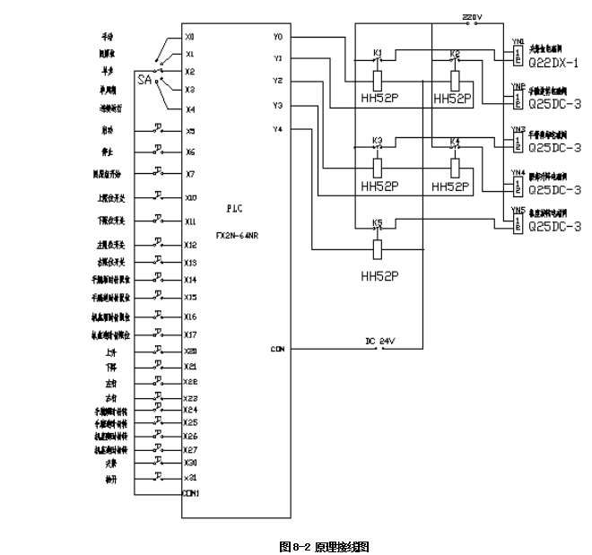
7 机械手的PLC控制系统设计 34
7.1 气压传动系统工作原理图 34
7.2 可编程序控制器的选择及工作过程 35
7.3 可编程序控制器的使用步骤 35
7.4 机械手可编程序控制器控制方案 36
7.5 本章小结 46
8 结论 47
参考文献 48
致谢 49











毕业66资料站 biye66.com ©2015-2026 版权所有 | 微信:15573586651 QQ:3903700237
本站毕业设计和毕业论文资料均属原创者所有,仅供学习交流之用,请勿转载并做其他非法用途.如有侵犯您的版权有损您的利益,请联系我们会立即改正或删除有关内容!